Iklan 300x250

41 2003 dodge dakota emergency brake diagram

Ignition System Circuit Diagram. 1997, 1998, 1999 3.9L Dodge Dakota. This simplified ignition system wiring diagram applies to the 1997, 1998, and 1999 3.9L V6 Dodge Dakota. This typical circuit diagram includes the following circuits: ignition coil, crankshaft position (CKP) sensor, and camshaft... 2003 DODGE DAKOTA 4 7L V8 Parking Brake Cable RockAuto. Dodge Dakota Parking Brake Cable Best Rated Parking. I need a diagram of the emergency brake for my 1998 dodge. 2003 Dodge Dakota Brake Line Diagram Wiring Diagram. 1 Complaints 2004 Dodge Dakota Parking...

Find a Repair Guide. Ask the Experts. Auto Repair Blog. About Us.

2003 dodge dakota emergency brake diagram

2003 dodge dakota emergency brake diagram

Dodge Dakota 2003 Engine Electrical Circuit Wiring Diagram. Dodge Dakota Manifold Manifold Kit Engine Intake Intake. New Genuine Mopar 5015544ac Return Tube Hose For Dodge. Solved I Have A 1994 Dodge Dakota That The Turn. 5015534ab. 2006 Dodge Dakota Engine Timing Chain Diagram. 2000 dodge dakota 3.9 V6 5spd 4WD The check engine light and the ABS light are both on. I just did a brake job on my rear drum brakes and my passenger side wheel moves in drive but my drive doesn't but does in reverse my emergency brake light is on but it is not on what could be the problem? Dodge Dakota Wiring Diagram Radio WordPress com. Dodge Dakota Wiper Assembly Diagram ductile solutions. 2005 Dodge Dakota Fuse Box Diagram poklat com. Front Wiper Motor Wiring Diagram Dodge carwallps com. EBOOK PLESETSK PDF http ebook plesetsk org.

2003 dodge dakota emergency brake diagram. Get affordable Dodge Dakota repair manuals you deserve. The repair manual for the Dodge Dakota offers detailed information about your car's engine, brakes, emissions control, and routine maintenance. You will have access to wiring diagrams, troubleshooting tips and how-to information. 94 dodge dakota electrical diagramelectric brake. I have a 2003 dodge dakoda 4wdr would you have a diagram of the brake lines. 2004 dodge dakota brakes diagram welcome to our site this is images about 2004 dodge dakota brakes diagram posted by alice ferreira in 2004 category on feb... 91-96 Dodge Dakota Emergency Brake Handles at Andy's …. wiki.answers.com › … › DodgeDodge Trucks › Dodge Dakota How do you release the emergency brake on a 2000 Dodge Dakota? Emergency Brake System Emergency Brake Diagram. Brakes Dodge Dakota. Dodge Dakota Owners Manual is most popular ebook you want. Technology has developed, and reading Dodge Dakota Owners Manual books could be far more convenient and easier. We could read books on our mobile, tablets and Kindle, etc.

In this video I replace the emergency brake adjuster (or tensioner) and the intermediate length of emergency brake cable in my 2003 Dodge Dakota. I also replaced the cable connectors because of course! 2005 dodge dakota parts diagram is among the pics we found on the net from reliable resources. Dodge vehicles diagrams schematics and service manuals download for free. 739f04 Manual Clinico Del Perro Y El Gato 2a Edicion. Dodge a division of the american corporation chrysler specializing in... Step-by-step guide on how to replace your e-brakes. If you have any questions, leave it in the comments below and I'll get back to you! Tools & Parts... Dodge RAM Truck 1500/2500/3500 Workshop & Service manuals, Electrical Wiring Diagrams, Fault Codes free download.

Dodge Dakota Brake Line Diagram. 1987 Dodge Dakota Certain Carb Choke Operational Part. Dodge Dakota Vapor Canister Liter Evaporative Emissions. 35 2003 Dodge Caravan Evap System Diagram. Workshop Repair and Service Manuals dodge All Models Free Online. 2003 Dakota 4X4 sport 6 cylinder..36,000 miles About once a week or so, the truck will loose power and backfire for anywhere from a minute to 5 minutes and then I install a new set of brake pads on the front of my 2002 dodge dakota and now the brake light stay on and when I put it in drive it blinks. Dodge Dakota Whistling Noise EricTheCarGuy Stay Dirty. Tekonsha Primus IQ Trailer Brake Controller 1 To 3 Axles. 1988 Dodge Dakota Fuel Pump Relay Location Answers Com. Where To Find Diagram Front Axle 97 Dodge Ram 4x4 Answers.

2000 Dodge Caravan 2.4L park lamps or turn signals ...

2000 Dodge Caravan 2.4L park lamps or turn signals ...

Fuse box diagram (location and assignment of electrical fuses) for Dodge Ram / Ram Pickup Here you will find fuse box diagrams of Dodge Ram (Ram Pickup 1500/2500) 2002, 2003, 2004, 2005 2. 20. Cluster, Cabin Compartment Node (CCN), Door Locks/Brake Transmission Shift Interlock (BTSI).

5003791AA - Genuine Mopar STRUT PAC-PARKING BRAKE

5003791AA - Genuine Mopar STRUT PAC-PARKING BRAKE

Shop wholesale-priced OEM Dodge Dakota ABS Control Modules at MoparPartsGiant.com. All fit 1997-2011 Dodge Dakota and more. View related parts. 2004 Dodge Dakota Anti-Lock Brake System Module. Part Number: 5083097AE. Vehicle Specific.

1998 Dodge Dakota Equalizer. Parking brake cable ...

1998 Dodge Dakota Equalizer. Parking brake cable ...

Смотрите также видео: Dakota 2003 - Service Manual Dodge Dakota 2003 - Service Manuals, Top 5 Problems Dodge Dakota Truck 2nd Generation In this video I replace the emergency brake adjuster (or tensioner) and the intermediate length of emergency brake cable in my 2003 Dodge Dakota.

SOLVED: Rear brake shoe diagram - Fixya

SOLVED: Rear brake shoe diagram - Fixya

2003 Dodge Dakota Changes. For 2003, the 545RFE five-speed automatic was optional with the 4.7 on the Sport, Sport Plus, SLT, and SLT Plus. The 2.5 four-cylinder AMC engine was finally gone. Four-wheel disc brakes with rear-wheel anti-lock were standard on 4WD models and 2WD models 5350 lbs.

brown rock formation on green grass field during daytime

brown rock formation on green grass field during daytime

Dodge Dakota Rear Disc Brakes 2003, Premium Rear Parking Brake Shoes by Centric®. To provide excellent fit and reliable performance, these shoes are precision Dodge Dakota 2003, Parking Brake Cable by Dorman®. Brake Cables are responsible for application of the parking or emergency brake.

Steering Column for 2003 Dodge Dakota | Factory MOPAR Direct

Steering Column for 2003 Dodge Dakota | Factory MOPAR Direct

Headlights Tail and Brake Lights. Dodge Dakota. The fuse location diagram should be on the inside of the fuse box lid, and the fuse will probably be marked, 'stop lamp', 'ST LAMP', or something like. Where is the emergency fuel inertia switch on a 2003 Dodge Dakota?

Dodge Dakota Parking Brake Pedal Ebrake Emergency 97 98 99 ...

Dodge Dakota Parking Brake Pedal Ebrake Emergency 97 98 99 ...

Related posts Ez Go Wiring Diagram For Golf Cart 2014 Dodge Ram Fuse Box Diagram

unknown

unknown

sen til. Description: Dodge Dakota 2003 Service-Repair-Manual-FREE-PDF-DOWNLOAD. Jeep Grand Cherokee WJ Electrical Wiring Diagram. Manual. • Check the fluid levels of coolant reservoir, brake There are two maintenance schedules that show master cylinder, power steering and...

Dodge Dakota Lever, lever assembly. Park brake, parking ...

Dodge Dakota Lever, lever assembly. Park brake, parking ...

2003 Dodge Dakota 4x4 Quad Cab: I had to change the emergency (parking) brake cable on the drivers side. The drivers side will engage, but not re-engage after the first time. My truck is a 2003 dodge Dakota, v-8, 5 speed manual, 32,000 miles. Recently, I went and picked it up, it sits for long...

00-'04 Dodge Dakota Fuse Diagram

00-'04 Dodge Dakota Fuse Diagram

Air Conditioning Wiring Diagram for Dodge Dakota R/T 2003. ANTI-LOCK BRAKES. Anti-lock Brakes Wiring Diagram for Dodge Dakota R/T 2003.

2011 DODGE DAKOTA Service and Repair Manual – Workshop Manuals Australia

2011 DODGE DAKOTA Service and Repair Manual – Workshop Manuals Australia

Dodge Dakota Workshop, repair and owners manuals for all years and models. Free PDF download for thousands of cars and trucks. Nominated for the North American Truck of the Year award for 2000, the Dodge Dakota is mid size pickup truck from Chrysler.

For 2003-2004 Dodge Dakota Parking Brake Cable Rear Left ...

For 2003-2004 Dodge Dakota Parking Brake Cable Rear Left ...

View and Download Dodge Dakota 2002 service manual online. dakota 2002 automobile pdf manual SMPI Gasoline Light Duty Check Digit 0 through 9 or X Model Year 3 = 2003 Plant Location S Refer to the Owner's Manual for emergency vehicle lifting procedures. NOTE: Use the correct...

2003 Dodge Caravan Tail Light Awesome | 2001 dodge ram 1500, Dodge ram 1500, Ram 1500

2003 Dodge Caravan Tail Light Awesome | 2001 dodge ram 1500, Dodge ram 1500, Ram 1500

Dodge Dakota Wiring Diagram Radio WordPress com. Dodge Dakota Wiper Assembly Diagram ductile solutions. 2005 Dodge Dakota Fuse Box Diagram poklat com. Front Wiper Motor Wiring Diagram Dodge carwallps com. EBOOK PLESETSK PDF http ebook plesetsk org.

yellow and black heavy equipment on snow covered ground during night time

yellow and black heavy equipment on snow covered ground during night time

2000 dodge dakota 3.9 V6 5spd 4WD The check engine light and the ABS light are both on. I just did a brake job on my rear drum brakes and my passenger side wheel moves in drive but my drive doesn't but does in reverse my emergency brake light is on but it is not on what could be the problem?

Dodge Dakota Down. Brake. Shoe. Hold. Drum. 2wd, drum ...

Dodge Dakota Down. Brake. Shoe. Hold. Drum. 2wd, drum ...

Dodge Dakota 2003 Engine Electrical Circuit Wiring Diagram. Dodge Dakota Manifold Manifold Kit Engine Intake Intake. New Genuine Mopar 5015544ac Return Tube Hose For Dodge. Solved I Have A 1994 Dodge Dakota That The Turn. 5015534ab. 2006 Dodge Dakota Engine Timing Chain Diagram.

brown rock formation under blue sky during daytime

brown rock formation under blue sky during daytime

1994 Dodge Dakota Brakes, Rear - Mopar Parts Giant

1994 Dodge Dakota Brakes, Rear - Mopar Parts Giant

1989 Dodge Dakota Shelby 2WD Reg Cab Shortbed Brake Line Kit - Stainle – Inline Tube

1989 Dodge Dakota Shelby 2WD Reg Cab Shortbed Brake Line Kit - Stainle – Inline Tube

Wiring-Body & Accessories for 2003 Dodge Dakota | BIG MOPAR PARTS

Wiring-Body & Accessories for 2003 Dodge Dakota | BIG MOPAR PARTS

Dodge Dakota Tensioner. Parking brake cable - 52013058AB ...

Dodge Dakota Tensioner. Parking brake cable - 52013058AB ...

Emergency Parking Brake Pedal Assembly Dodge 97-04 Dakota ...

Emergency Parking Brake Pedal Assembly Dodge 97-04 Dakota ...

I have a 93' dodge dakota that requires the installation ...

I have a 93' dodge dakota that requires the installation ...

2003 Dodge Dakota Caliper. Left. Disc brake. Brakes ...

2003 Dodge Dakota Caliper. Left. Disc brake. Brakes ...

How to adjust rear drum brakes on dodge dakota

How to adjust rear drum brakes on dodge dakota

Missouri Bluffs, Near Mandan, North Dakota (2003) // Peter Latner American, born 1950

Missouri Bluffs, Near Mandan, North Dakota (2003) // Peter Latner American, born 1950

2013-2019 Ram 1500 Classic Parking Brake Adapter Assembly ...

2013-2019 Ram 1500 Classic Parking Brake Adapter Assembly ...

4294383 - Genuine Mopar CABLE-PARKING BRAKE REAR-10 IN

4294383 - Genuine Mopar CABLE-PARKING BRAKE REAR-10 IN

Dodge Dakota Strut. Parking brake. Right or left ...

Dodge Dakota Strut. Parking brake. Right or left ...

Dodge Truck Parts | Mopar Parts | Jim's Auto Parts

Dodge Truck Parts | Mopar Parts | Jim's Auto Parts

Dodge Dakota Switch. Parking brake - 04221463 | Chrysler ...

Dodge Dakota Switch. Parking brake - 04221463 | Chrysler ...

2003 Dodge Dakota Lever. Parking brake. Right. Axle, rear ...

2003 Dodge Dakota Lever. Parking brake. Right. Axle, rear ...

Fuse Box Diagram Dodge Dakota (2001-2004)

Fuse Box Diagram Dodge Dakota (2001-2004)

man and woman walking on road during night time

man and woman walking on road during night time

gray rodent on gray rock during daytime

gray rodent on gray rock during daytime

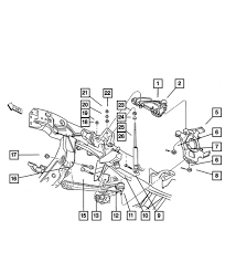
Dodge Dakota Parking Brake Diagram

Dodge Dakota Parking Brake Diagram

Parking Brake Lever and Cables for 2004 Dodge Dakota | Thomas Dodge Parts

Parking Brake Lever and Cables for 2004 Dodge Dakota | Thomas Dodge Parts

Front Suspension for 2003 Dodge Dakota | BIG MOPAR PARTS

Front Suspension for 2003 Dodge Dakota | BIG MOPAR PARTS

green grass field under blue sky

green grass field under blue sky

2000 Dodge Dakota Tensioner. Parking brake cable. [bka ...

2000 Dodge Dakota Tensioner. Parking brake cable. [bka ...

Dodge Dakota Strut. Parking brake. Right or left. Rear ...

Dodge Dakota Strut. Parking brake. Right or left. Rear ...

4882774 - Genuine Mopar LEVER-PARKING BRAKE ADJUSTING

4882774 - Genuine Mopar LEVER-PARKING BRAKE ADJUSTING

0 Response to "41 2003 dodge dakota emergency brake diagram"

Post a Comment

Iklan Atas Artikel

Iklan Tengah Artikel 1

Iklan Tengah Artikel 2

Iklan Bawah Artikel