Iklan 300x250

41 2004 jeep liberty wiring diagram

2003 Jeep Kj Liberty Wiring Diagram U2013 Circuit Wiring Diagrams. Jeep Liberty Wiring Front Door Driver Drivers Side 6. 2004 Jeep Liberty Parts Diagram. INTRODUCTION Thank you for selecting a JeepLiberty and welcome to our worldwide family. Do not modify the components or wiring, including adding any kind of badges or stickers to the steering wheel hub trim cover or the upper right side of the instrument panel.

I need the Wiring Diagrams for Jeep Liberty 3,7? Download the relevant year Service manual here..includes the wiring diagrams. 2006 Service manual is about 140MB in size but will have everything you need to...

2004 jeep liberty wiring diagram

2004 jeep liberty wiring diagram

Print the electrical wiring diagram off and use highlighters in order to trace the circuit. When you use your finger or stick to the circuit together with your eyes, it's easy to mistrace the circuit. 1 trick that I actually use is to printing exactly the same wiring plan off twice. 2004 Jeep Liberty Wiring Diagram - Wiring Diagram Schemas from i2.wp.com. It was the first jeep vehicle to use rack and pinion steering.5 it's also the first but, that independent front suspension was limited to four wheel drive versions and, even then, was a short lived option.6 in addition... Print the wiring diagram off plus use highlighters to trace the signal. When you make use of your finger or perhaps the actual circuit with your eyes, it is easy to mistrace the circuit. 1 trick that We 2 to printing a similar wiring plan off twice. Upon one, I'll trace the current movement, how it operates, and that...

2004 jeep liberty wiring diagram. Wiring Diagrams JEEP by Year. Jeep 1990 Jeep 1991 Jeep 1992 Jeep 1993 Jeep 1994 Jeep 1995 Jeep 1996 Jeep 1997 Jeep 1998 Jeep 1999 Jeep Jeep Liberty Limited Jet Jeep Liberty Renegade Jeep Liberty Rocky Mountain Edition Jeep Liberty Sport Jeep Patriot Latitude Jeep Patriot Latitude... Cpu wire diagram for 2004 jeep liberty sport. Also is there any thing i need for the alarm to activate the door locks flashing light... 2004 Jeep Liberty Tail Light Wiring Diagram wiring diagram is a simplified customary pictorial representation of an electrical circuit. 2004 jeep liberty wiring. American International Installer Preferred wire harnesses are a vital link between todays mobile electronics and a given vehicle. Compass и Liberty (Patriot). jeep patriot wiring diagram.

2004 Jeep Liberty Trailer Wiring Diagram Elegant Old Fashioned Jeep. 2016 Jeep Cherokee Fuse Box Diagram Lovely 2004 Jeep Liberty. A Newbie s Overview to Circuit Diagrams. An initial look at a circuit layout may be complex, yet if you can review a metro map, you could check out schematics. Automotive wiring diagrams with 2004 jeep liberty fuse box diagram image size 640 x 837 px and to view image details please click the image. Jeep liberty 2004 fuse box diagram year of production. Use of the information above is at your own risk. 2004 Jeep Liberty Wiring Schematic | Free Wiring Diagram MoparPartsGiant.com offers the lowest prices for genuine 2004 Jeep Liberty parts.Parts like . Wiring - Engine & Related Parts are shipped directly from authorized Mopar dealers and backed by the manufacturer's warranty.. bmw 318i wiring diagram wiring diagram wiring diagram 1999 jeep s turn wiring diagram img. A set of wiring diagrams may be required by the electrical inspection authority to implement link of the quarters to the public electrical supply system. Wiring diagrams will after that increase panel...

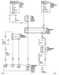
2018 Jeep Liberty Wiring Diagram 45 77 197 80. Jeep Liberty I Need A Wiring Diagram Jeep Liberty 2004, A/C Pressure Switch by Santech®. Make your beloved vehicle perform reliably, efficiently, and smoothly again with this top-grade A/C component from Santech. Some fool broke my OBDII connector long before I owned the car. Jeep put it in a very kickable spot too, which is unfortunate. When the fuel pump died the mechanic basically refused to work on it without the codes from the computer. Here's what I learned fixing the OBD. I hunted for a wiring diagram and could only find this one (http://www.colorado4wheel.com/manuals/Jeep/KJ/2003JeepKJServiceManual.pdf) for a 2003 Liberty. I hoped the wires would be similar and many were. I ordered a "pigta... Diagram 2004 Jeep Liberty Stereo Wiring Diagram Full Version Hd Quality Wiring Diagram Diagrammeldaa Apd Audax It from tse3.mm.bing.net. Jeep liberty service and repair manuals. • do not idle the engine for prolonged periods during very rough idle or malfunctioning operating conditions. 2003-Jeep-KJ-Liberty-Wiring-Diagram-min. JPG Image 24.8 KB. jeep-wrangler-tj-wiring-diagram-schemati. Portable Network Image Format 5.9 KB.

SOLVED: 2004 jeep liberty. 3.7 liter. ac compressor clutch - Fixya

SOLVED: 2004 jeep liberty. 3.7 liter. ac compressor clutch - Fixya

2004 Jeep Liberty Wiring Diagrams FULL HD Version Wiring Diagrams. 2004 Jeep Liberty Wiring Schematic. Whelen Liberty Lfl Lightbar Wiring Diagram.

2004 Jeep Liberty Ac Wiring Diagram - Wiring Diagram

2004 Jeep Liberty Ac Wiring Diagram - Wiring Diagram

Wiring and Datasheets Resources. 2004 Jeep Liberty Wiring Diagrams. Roger serpentine belt diagram for a jeep liberty limited - 6c3ecjpg alternator moves inward and releases tension on the serpentine belt.

Jeep Liberty Stereo Wiring Harness Collection | Wiring ...

Jeep Liberty Stereo Wiring Harness Collection | Wiring ...

2005 Jeep Liberty Serpentine Belt Routing And Timing Belt. 25 2004 Jeep Liberty Wiring Diagram. Jeep Liberty Molding Sill Cover Left Color No. 2012 Jeep Liberty Housing Distribution. Jeep Liberty Seal Sunroof Glass Trim All Trim Codes.

[BX_3571] Jeep Liberty O2 Sensor Wiring Diagram Schematic ...

[BX_3571] Jeep Liberty O2 Sensor Wiring Diagram Schematic ...

2007 Jeep Liberty Wiring Harness Diagram Tips Electrical. 02 03 04 05 06 07 Jeep Liberty Front Passenger Rh Door. Wiring Diagram For 2004 Jeep Wrangler Reading Industrial. Injector Wiring Harness Repair Pigtail Connector 2 8l Crd.

2004 Jeep Liberty Cooling Fan Wiring Diagram

2004 Jeep Liberty Cooling Fan Wiring Diagram

Variety of 2006 jeep liberty wiring diagram. If you run into an electrical problem with your jeep you may want to take a moment and check a few things out for yourself. A wiring diagram is a simplified conventional pictorial depiction of an electric circuit. Variety of 2004 jeep liberty wiring schematic.

Jeep no start — Ricks Free Auto Repair Advice Ricks Free Auto Repair Advice | Automotive Repair Tips and How-To

Jeep no start — Ricks Free Auto Repair Advice Ricks Free Auto Repair Advice | Automotive Repair Tips and How-To

jeep liberty radio wiring 2004 jeep liberty radio wiring diagram moreover nt5e 15944 also pin toyota fuse box diagram 1998 2000 sienna on pinterest moreover je5s 5125 furthermore hp partlist in addition 1fqrm 97 cherokee 4 0l six won t pass inspection as well as cg9a 7931 in addition jeep tj wiring...

Jeep Liberty Wiring Diagram / I have an "02 jeep liberty ...

Jeep Liberty Wiring Diagram / I have an "02 jeep liberty ...

Jeep Liberty Strap Engine Ground. 2004 Jeep Liberty Parts Diagram. 5 Wire Harness Trailer 2007 Jeep Liberty. Jeep Liberty 3 7 To 4 7l Engine Wiring Diagram.

06 Jeep Liberty Fuse Diagram - 06 jeep commander iod fuse ...

06 Jeep Liberty Fuse Diagram - 06 jeep commander iod fuse ...

Vehicle Wiring Details for your 2004- Jeep Liberty Wiring Diagram. Listed below is the vehicle specific wiring diagram for your car alarm, remote starter or keyless entry installation into your 2004- Jeep Liberty .

2004 Jeep Grand Cherokee Radio Wiring Diagram - Cadician's ...

2004 Jeep Grand Cherokee Radio Wiring Diagram - Cadician's ...

Jeep Tj Audio Wiring Wiring Diagram Expert Jeep Liberty Wiring Harness Diagram Jeep Tj Audio Wiring Wiri Jeep Wrangler Stereo Jeep I pulled the stock out all sorts of issues with it. 2002 Jeep Liberty Speaker Wiring Diagram Fuse Box for Jeep Liberty 2006 Moreover 2004 ford Mustang Radio.

2004 Jeep Liberty Tail Light Wiring - I Need A Wiring ...

2004 Jeep Liberty Tail Light Wiring - I Need A Wiring ...

2004 Jeep Grand Cherokee Laredo Radio Wiring Diagram Jeep Liberty Jeep Grand Radio from www.pinterest.com. Car Stereo Radio Wiring Diagram and Wire Colors 2004 Jeep Liberty. 2007 Jeep Liberty Ac Wiring Diagram More Diagrams Free Cultural Toffeesartgallery It.

2002 Jeep Liberty Pcm Wiring Diagram - Search Best 4K ...

2002 Jeep Liberty Pcm Wiring Diagram - Search Best 4K ...

Jeep Grand Cherokee Limited 2010 Jeep Grand Cherokee...

2004 Jeep Liberty Fuse Diagram - Wiring Diagram Schemas

2004 Jeep Liberty Fuse Diagram - Wiring Diagram Schemas

Hey all. Hope to find any help possible regarding the installation of a remote starter on a 2004 Jeep Liberty. Remote starter kit included •Module •2 pre programmed key fobs( 3 button-start,lock and unlock) •wiring •push to start button •disarm button So per the instructions of the wiring diagram provided by the kit as well as the ignition wiring diagram for a 2004 Jeep Liberty i managed to wire ignition 1 up ( car doesnt have ignition 2 from what i can gather), ACC, constant 12v wire, starter ...

2003 Jeep Liberty Wiring Diagram - Cars Wiring Diagram

2003 Jeep Liberty Wiring Diagram - Cars Wiring Diagram

Find a Repair Guide. Ask the Experts. Auto Repair Blog. About Us.

2003 Jeep Liberty Wiring Diagram / 2004 Jeep Liberty ...

2003 Jeep Liberty Wiring Diagram / 2004 Jeep Liberty ...

Diagram to her with 2004 jeep dimension: I need the wiring diagrams for jeep liberty 3,7? Repair manual, operation guide and maintenance manual for jeep liberty vehicles equipped with gasoline engines of 2.4 l., 3.7 l., as well as with 2.8l diesel engines. Automobilový káblový zväzok v roku 2004...

2007 Jeep Liberty Fuse Box Diagram - MotoGuruMag

2007 Jeep Liberty Fuse Box Diagram - MotoGuruMag

**Look here:** [**clone Micropod 2**](http://www.obdii365.com/wholesale/witech-micropod-2-diagnosis-programming-for-chrysler.html) **test reports** **Software to test with:** wiTech and DRB3 software **Cars to test:** 1997-2018 Chrysler, Dodge, Jeep, Fiat **Functions to test:** basic diagnostics, key programming, reflash programming, module flashing, ABS bleeding **Test reports from users:** (thanks for all the input) **2018 Jeep Wrangler:** FOBIK key programming done! Car: 2018 JEEP W...

Jeep Liberty Wiring. Rear door - 56009993AI | Mopar Parts ...

Jeep Liberty Wiring. Rear door - 56009993AI | Mopar Parts ...

Print the wiring diagram off plus use highlighters to trace the signal. When you make use of your finger or perhaps the actual circuit with your eyes, it is easy to mistrace the circuit. 1 trick that We 2 to printing a similar wiring plan off twice. Upon one, I'll trace the current movement, how it operates, and that...

2002 Jeep Liberty Pcm Wiring Diagram - Search Best 4K ...

2002 Jeep Liberty Pcm Wiring Diagram - Search Best 4K ...

2004 Jeep Liberty Wiring Diagram - Wiring Diagram Schemas from i2.wp.com. It was the first jeep vehicle to use rack and pinion steering.5 it's also the first but, that independent front suspension was limited to four wheel drive versions and, even then, was a short lived option.6 in addition...

2004 Jeep Liberty Oxygen Sensor Wiring Diagram | Wiring ...

2004 Jeep Liberty Oxygen Sensor Wiring Diagram | Wiring ...

Print the electrical wiring diagram off and use highlighters in order to trace the circuit. When you use your finger or stick to the circuit together with your eyes, it's easy to mistrace the circuit. 1 trick that I actually use is to printing exactly the same wiring plan off twice.

27 2004 Jeep Liberty Wiring Diagram - Wiring Database 2020

27 2004 Jeep Liberty Wiring Diagram - Wiring Database 2020

POWER DOOR LOCKS – Jeep Liberty Renegade 2004 – SYSTEM WIRING DIAGRAMS – Diagramas de cableado para automóviles

POWER DOOR LOCKS – Jeep Liberty Renegade 2004 – SYSTEM WIRING DIAGRAMS – Diagramas de cableado para automóviles

Jeep Liberty Bracket. Wiring. I/p to body inline bracket ...

Jeep Liberty Bracket. Wiring. I/p to body inline bracket ...

window switch - wiring diagram or info - Jeep Cherokee Forum

window switch - wiring diagram or info - Jeep Cherokee Forum

2004 Jeep Liberty: blown - the two tweeters in the dash ...

2004 Jeep Liberty: blown - the two tweeters in the dash ...

2004 Jeep Liberty Interior Fuse Box Diagram ...

2004 Jeep Liberty Interior Fuse Box Diagram ...

2004 Jeep Liberty Ac Wiring Diagram - Wiring Diagram

2004 Jeep Liberty Ac Wiring Diagram - Wiring Diagram

All Wiring Diagrams for Jeep Liberty Limited 2004 – Wiring diagrams for cars

All Wiring Diagrams for Jeep Liberty Limited 2004 – Wiring diagrams for cars

2005 Jeep Liberty O2 Sensor Wiring Diagram - Wiring ...

2005 Jeep Liberty O2 Sensor Wiring Diagram - Wiring ...

Wiring Schematic For 2006 Jeep Liberty - Wiring Diagram ...

Wiring Schematic For 2006 Jeep Liberty - Wiring Diagram ...

2003 Jeep Liberty Wiring Diagram - Wiring Site Resource

2003 Jeep Liberty Wiring Diagram - Wiring Site Resource

2004 Jeep Liberty Oxygen Sensor Wiring Diagram | Wiring ...

2004 Jeep Liberty Oxygen Sensor Wiring Diagram | Wiring ...

25 2004 Jeep Liberty Wiring Diagram - Wiring Diagram List

25 2004 Jeep Liberty Wiring Diagram - Wiring Diagram List

Jeep Radio Wiring Harness : Amazon Com Carxtc Radio Stereo ...

Jeep Radio Wiring Harness : Amazon Com Carxtc Radio Stereo ...

25 2004 Jeep Liberty Wiring Diagram - Wiring Diagram List

25 2004 Jeep Liberty Wiring Diagram - Wiring Diagram List

2004 Jeep Liberty Tail Light Wiring Diagram Pictures ...

2004 Jeep Liberty Tail Light Wiring Diagram Pictures ...

2004 Jeep Liberty Fuel Filter - Wiring Diagram

2004 Jeep Liberty Fuel Filter - Wiring Diagram

2004 Jeep Wrangler Tail Light Wiring Diagram - Wiring Diagram

2004 Jeep Wrangler Tail Light Wiring Diagram - Wiring Diagram

2003 Jeep Liberty Fuse Box Diagram : 2003 Liberty Fuse ...

2003 Jeep Liberty Fuse Box Diagram : 2003 Liberty Fuse ...

Awesome 2004 Jeep Liberty Wiring Diagram | Jeep liberty ...

Awesome 2004 Jeep Liberty Wiring Diagram | Jeep liberty ...

2004 Jeep Liberty Radio Wiring Diagram - Database - Wiring ...

2004 Jeep Liberty Radio Wiring Diagram - Database - Wiring ...

2004 Jeep Liberty Turn Signal Wiring Diagram - Wiring Diagram

2004 Jeep Liberty Turn Signal Wiring Diagram - Wiring Diagram

2004 Jeep Liberty Trailer Wiring Diagram | Trailer Wiring ...

2004 Jeep Liberty Trailer Wiring Diagram | Trailer Wiring ...

0 Response to "41 2004 jeep liberty wiring diagram"

Post a Comment

Iklan Atas Artikel

Iklan Tengah Artikel 1

Iklan Tengah Artikel 2

Iklan Bawah Artikel