42 2006 dodge magnum fuse box diagram
Dodge Magnum (2006) - fuse box diagram. Year of production: 2006. Front Power Distribution Center. A power distribution center is located in the engine compartment.Interior Fuses See more on our website: https://fuse-box.info/dodge/dodge-magnum-2005-2008-fusesFuse box diagram (location and assignment of electrical fuses) for Dodge Mag...
The video above shows how to check for blown fuses in the engine bay of your 2006 Dodge Magnum and where the fuse box diagram is located. If your map light, stereo, turn signals, heated seats, headlights or other electronic components suddenly stop working, chances are you have a fuse that has blown out.

2006 dodge magnum fuse box diagram
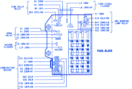
fuse box location (2002-2005). Integrated Power Module (IPM) is located on driver's side of engine compartment, in front of battery. IPM consists of Power Distribution Center (PDC) and Front Control Module (FCM). PDC mates directly with FCM to form IPM Fuse and Relay Center. PDC is a printed circuit board-based module that contains fuses and ... Wiring Diagram for A 2006 Dodge Ram 1500 Save 2012 Ram 6 7 3500 Fuse Box. 2006 dodge charger fuse panel diagram mustang diagrams 2006 dodge charger fuse panel diagram plus image locate identify which fuse or relay is blown it may be located under dash under hood in trunk find the. 2008 Dodge Avenger Fuse Box Diagram - 2008 Dodge Charger Fuse ... Circuit Breaker No.3. -. Relay- Wiper Rear (LX49) Dodge Magnum 2006 Power Distribution Fuse Panel/Board - Fuse Symbol Map. Tags: dodge, dodge magnum, fuse box diagram.
2006 dodge magnum fuse box diagram. Description : Fuse Location/amp Rating/circuit Protected * for 2006 Dodge Magnum Fuse Box Diagram, image size 646 X 352 px, and to view image details please click the image. Here is a picture gallery about 2006 dodge magnum fuse box diagram complete with the description of the image, please find the image you need. Dodge Magnum SRT (2006) - fuse box diagram. If your fuse ever got defective, you already know how confused you feel trying to make sense of all this. Read this fuse box guide for Dodge Magnum to assist you determine what fuse does what. You can find lots of multicolored fuses of unique measurements and aims. Dodge Stratus (2001 - 2006) - fuse box diagram. Year of production: 2001, 2002, 2003, 2004, 2005, 2006. Engine Compartment Fuse Box Dodge Stratus - fuse box ... Dec 29, 2019 - Fuse box diagram (location and assignment of electrical fuses) for Dodge Magnum (2005, 2006, 2007, 2008).
Whether you want to know how to change your radio in your 2006 Dodge Magnum or figure our why car radio stopped working, a 2006 Dodge Magnum radio wiring diagram can save you a lot of time. Knowing what every wire does in your 2006 Dodge Magnum radio wire harness takes the guess work out of changing your car radio or fixing your car stereo. 34e Dodge Ram 1500 Fuse Box Diagram Wiring Resources ... Wiring Diagram 2005 Dodge Magnum; Taco 4 Zone Wiring Diagram; Sweetwater Spa Wiring Diagram; Suzuki Samurai Engine Diagram; ... 2006 sienna fuse box diagram; 2006 silverado instrument cluster wiring diagram; The video above shows how to replace blown fuses in the interior fuse box of your 2006 Dodge Magnum in addition to the fuse panel diagram location. Electrical components such as your map light, radio, heated seats, high beams, power windows all have fuses and if they suddenly stop working, chances are you have a fuse that has blown out. I have a 2006 Dodge Magnum that the engine light is on the trouble code is 0406 any thoughts on what the code stands for or why my engine light is on. Gas sensor re circulation sensor "A" Circuit High. Replace the EGR and the solenoid (come with it) and this will fix the problem. Diagram for 2.7L & 3.5 L.
Chrysler 300 2006 fuse box diagram. Identifying and legend fuse box. If the headlights or parking lights are on after the ignition. 300 2006 fuse box. When the drivers door is opened. Cavity ampere rating a circuits 1 20 left high beam headlight 2 20 right high beam headlight 3. Engine fuse box seems to be more engine related electrical whereas ... For Dodge Charger, Dodge Magnum 2005, 2006, 2007, 2008, 2009, 2010 model year. Fuse box in engine compartment. Fuse box location. The Integrated Power Module is ... SOURCE: 2006 Dodge Ram 2500 diesel truck----need inside fuse box diagram. If you are looking for the fuse box diagrams or any other diagrams for your Ram, check promanuals.net for a factory service manual for around 20 bucks or so. It's an invaluable tool for my Ram 2500. Dodge Ram 1994-2001: Fuse Box Diagram. Many electrical problems can be fixed at the fuse box. This guide will show you where your fuse boxes are located and what to do with blown fuses. This article applies to the Dodge Ram (1994-2001). Fuses are an important part of your truck.
30. Diesel PCM (Diesel Only) WARNING: Terminal and harness assignments for individual connectors will vary depending on vehicle equipment level, model, and market. Electrical Distribution. Fuse panel. Previous. Seat Ibiza (2018) - fuse box diagram. Next. Dodge 1500 (2007) - fuse box diagram.
Fuse box diagram (fuse layout), location and assignment of fuses and relays Chrysler 300/300C and Dodge Charger, Magnum (2005, 2006, 2007, 2008, 2009, 2010)
Dodge Caliber (2006-2012)…>> Fuse box diagram (location and assignment of electrical fuses) for Dodge Caliber (2006, 2007, 2008, 2009, 2010, 2011, 2012).
Dodge Caliber (2006-2012)…>> Fuse box diagram (location and assignment of electrical fuses) for Dodge Caliber (2006, 2007, 2008, 2009, 2010, 2011, 2012).
Description : Fuse Location/amp Rating/circuit Protected * within 2005 Dodge Magnum Fuse Box Diagram, image size 453 X 552 px, and to view image details please click the image. Here is a picture gallery about 2005 dodge magnum fuse box diagram complete with the description of the image, please find the image you need.
2006 Dodge Charger 5 7 Fuse Box Diagram Engineer Wiring 7dd31 Wiring Diagram For 2006 Dodge Charger Epanel Digital 2006 Dodge Magnum Wiring Diagram Wiring Diagram 06 Dodge Wiring Diagram Wiring Diagrams Facebook; Twitter; You may like these posts. Social Plugin Popular Posts 2008 Ford F150 Fx4 Fuse Box Diagram ...
Fuse Box Diagram Dodge Charger and Magnum, Chrysler 300, 300C and 300C Touring; engine: 2.7 L, 3.0 L Diesel, 3.5 L, 5.7 L or 6.1 L SRT8 (LX; 2005, 2006, 2007, 2008 ...
Fuses And Relays Box Diagram Chrysler 300, size: 800 x 600 px, source: fusesdiagram.com. 2006 Dodge Charger Fuse Box Diagram - Car Autos Gallery, size: 800 x 600 px, source: circuitswiring.com. Power Distribution Center - Relays & Fuses Trunk Area For 2006, size: 800 x 600 px, source: www.moparpartsgiant.com.
2006-2009 Dodge Ram 1500/2500/3500 Fuse Box Diagram. except SRT: Clutch Interlock Switch (Manual Transmission), Engine Control Module (Diesel), Transmission Range Sensor (3.7 L Magnum V6, 6.7 L Cummins, 5.9 L Cummins), Transmission Solenoid/TRS Assembly (4.7 L Magnum V8 and 5.7 L Hemi V8), Powertrain Control Module (Gasoline) Radio, Media ...
The 5-door station wagon Dodge Magnum was produced from 2005 to 2008. In this article, you will find fuse box diagrams of Dodge Magnum 2005, 2006, 2007 and 2008, get information about the location of the fuse panels inside the car, and learn about the assignment of each fuse (fuse layout).
Dodge Durango (2006) - fuse box diagram. [ 23 August 2021 ] Infiniti G25 (2006 - 2015) - fuse box diagram G25 [ 19 August 2021 ] Infiniti G37 (2006 - 2015) - fuse box diagram G37 [ 18 August 2021 ] Infiniti G35 (2006 - 2015) - fuse box diagram G35
Circuit Breaker No.3. -. Relay- Wiper Rear (LX49) Dodge Magnum 2006 Power Distribution Fuse Panel/Board - Fuse Symbol Map. Tags: dodge, dodge magnum, fuse box diagram.
Wiring Diagram for A 2006 Dodge Ram 1500 Save 2012 Ram 6 7 3500 Fuse Box. 2006 dodge charger fuse panel diagram mustang diagrams 2006 dodge charger fuse panel diagram plus image locate identify which fuse or relay is blown it may be located under dash under hood in trunk find the. 2008 Dodge Avenger Fuse Box Diagram - 2008 Dodge Charger Fuse ...
fuse box location (2002-2005). Integrated Power Module (IPM) is located on driver's side of engine compartment, in front of battery. IPM consists of Power Distribution Center (PDC) and Front Control Module (FCM). PDC mates directly with FCM to form IPM Fuse and Relay Center. PDC is a printed circuit board-based module that contains fuses and ...
0 Response to "42 2006 dodge magnum fuse box diagram"
Post a Comment