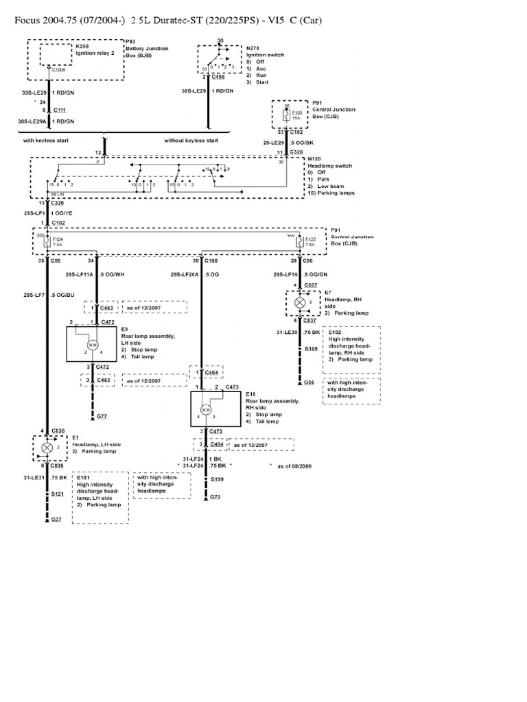
42 ford focus ignition switch diagram
Ford Ignition Switch Wiring Diagrams. This is another important wiring diagram. It is crucial for anyone who wants to repair or do something related to the ignition switch. Ignition Switch Connector, brake warning switch, dash brake light, dash warning lamp, starter relay, battery, and some other important parts are available in this diagram ... This video demonstrates the Ford Focus Complete Wiring Diagrams and details of the wiring harness. Diagrams for the following systems are included : Radio Wi...
Listed below is the vehicle specific wiring diagram for your car alarm, remote starter or keyless entry installation into your 2008-2011 Ford Focus . This information outlines the wires location, color and polarity to help you identify the proper connection spots in the vehicle. Please be sure to test all of your wires with a digital multimeter ...

Ford focus ignition switch diagram
Listed below is the vehicle specific wiring diagram for your car alarm, remote starter or keyless entry installation into your 2012- Ford Focus.This information outlines the wires location, color and polarity to help you identify the proper connection spots in the vehicle. Ford Ignition Switch Wiring Diagram – 1969 ford ignition switch wiring diagram, 78 ford ignition switch wiring diagram, ford 3000 ignition switch wiring diagram, Every electric arrangement is made up of various different parts. Each part ought to be placed and connected with different parts in particular way. If not, the structure won’t function as it should be. In this video, I show you how to bypass the start function of the ignition switch by installing a push start switch (see link below). The switch can be used ...
Ford focus ignition switch diagram. Focus Wiring Diagrams FOR1–0726c100–00–00p01–02r1–UK 11/2002 2002 Focus Group 1 – General Information ... Engine Ignition – ZETEC–SE 303-07A-00-1. . . . . Engine Ignition – ZETEC–E, ... notice, is reserved as part of Ford’s policy of continuous 65 Posts. Discussion Starter · #6 · Dec 30, 2016. I had a Good look at the diagrams and the colors of the wires don't match. the colors I have coming from the ignition switch are : purple red. brown yellow. blue pink. pink brown 2x. purple green. Re: 2008 ford focus ignition switch wiring diagram. Power in from fuse 27 on Blue/red wire. violet/green and brown/yellow are powered when key is in Accessory and RUN position. Blue/white is powered when key is in START Position. White/brown is powered full time and goes to shift interlock solenoid. Posted on Feb 15, 2020. The ignition switch in a Ford Focus uses a simple ignition lock and switch mechanism that is secured to the steering column. The switch uses a chip that is coded inside the key, which allows the ignition to be unlocked so that you can start the vehicle. Unfortunately, the Ford Focus has a known faulty design that ...
In this video, I show you how to bypass the start function of the ignition switch by installing a push start switch (see link below). The switch can be used ... Ford Ignition Switch Wiring Diagram – 1969 ford ignition switch wiring diagram, 78 ford ignition switch wiring diagram, ford 3000 ignition switch wiring diagram, Every electric arrangement is made up of various different parts. Each part ought to be placed and connected with different parts in particular way. If not, the structure won’t function as it should be. Listed below is the vehicle specific wiring diagram for your car alarm, remote starter or keyless entry installation into your 2012- Ford Focus.This information outlines the wires location, color and polarity to help you identify the proper connection spots in the vehicle.
No Crank No Start Ford Ricks Free Auto Repair Advice Ricks Free Auto Repair Advice Automotive Repair Tips And How To
Isance Ignition Key Switch Lock Cylinder 2 Keys 1022184 For Ford Focus 1998 2005 Escort 1986 2001 Transit Mk6 2000 2006 Key Switch Key Switch Lockkey Key Aliexpress
Ford Car Radio Stereo Audio Wiring Diagram Autoradio Connector Wire Installation Schematic Schema Esquema De Conexiones Stecker Konektor Connecteur Cable Shema
0 Response to "42 ford focus ignition switch diagram"
Post a Comment