43 craftsman gt3000 belt diagram
Craftsman gt3000 garden tractor no manual [ 2 Answers ] I just bought a late 90's-early 2000 gt3000 with a 25hp kohler engine with a 48 in deck.I have no model #'s on the machine at all.I want to replace the ground drive belt and I have one,part # 161597. It seems about 2 inches too big.I also see a belt diagram on the undercarraige saying ... I have a gt3000 riding mower that suddenly stopped driving. As I looked at the diagram to put the belt back on, I realized the flat idler pulley and the bracket (asm idler stationary) are missing. when I look at the parts in the manual, the bracket is a drawing and not the best to figure out what it looks like.
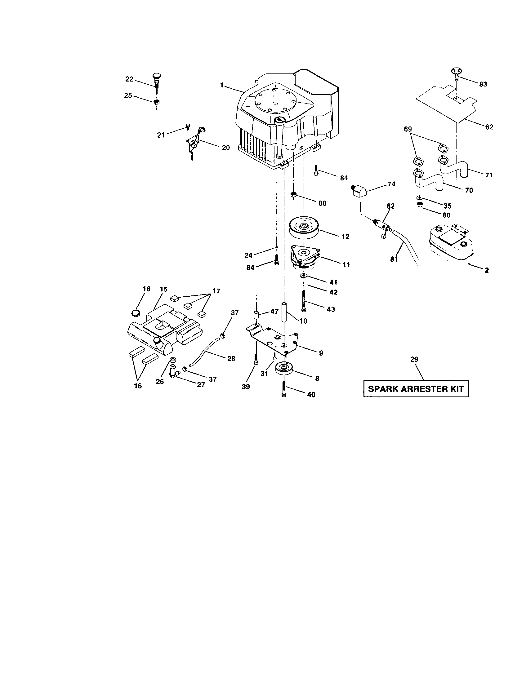
Craftsman GT3000 Owners Manual - Free download as PDF File (.pdf), Text File (.txt) or read online for free. ... Check wiring. See electrical wiring diagram in the Repair Parts section. TO REPLACE FUSE Replace with 30 amp automotive-type plug-in fuse. The fuse holder is located behind the dash. ... Belt Engine 175288 Bushing 174605 Clutch ...

Craftsman gt3000 belt diagram
The second belt goes under the first belt and is routed on a common pulley with the drive belt and both (or all three) of the mower blade pulleys. Here is a crazy looking exploded view of a craftsman mower deck. And here is a better diagram of it all put together. I think you can get an idea of belt routing out of this one: The Craftsman GT series garden tractors were manufactured for Sears Visually inspect the mower deck pulleys to ensure the belt is properly routed and .Gt wiring diagram moreover t free belt routing diagrams john deere further craftsman ys parts diagram moreover coleman powermate parts diagram further kohler cv parts diagram in addition coleman ... Riding Lawn Mower 48" Deck Belt for Craftsman Poulan Husqvarna 174368 5/8"x90" 33907. 4.1 out of 5 stars 3. $22.99 $ 22. 99. Get it as soon as Tue, Nov 2. FREE Shipping on orders over $25 shipped by Amazon.
Craftsman gt3000 belt diagram. Craftsman gt3000 garden tractor no manual [ 2 Answers ] I just bought a late 90's-early 2000 gt3000 with a 25hp kohler engine with a 48 in deck.I have no model #'s on the machine at all.I want to replace the ground drive belt and I have one,part # 161597. Craftsman Riding Lawn Mower Deck V-Belt Replacement #532429636 This video provides step-by-step instructions for replacing the deck v-belt (or deck drive belt) on Craftsman lawn mowers. The most common reason for replaci... Replacement belt for CRAFTSMAN® lawn tractors using part #954-04077 / 754-04077 Craftsman Gt3000 Belt Diagram. can somebody tell me about a craftsman drivebelt not a deck belt the man There is a belt diagram on all craftsman L&G troctors located under. Did your Craftsman model lawn, tractor break down? Parts Diagrams (11) file. How to Replace a Riding Lawn Mower Blade Drive Belt. file.
This video provides step-by-step instructions for replacing the deck v-belt (or deck drive belt) on Craftsman lawn mowers. around the bullies, I wonder where could I find a belt diagram. What size does the YT take. craftsman belts are not the same as automotive belts. check with sears for the sounds like belt is to tight or the electric clutch ... Craftsman 917274961 front-engine lawn tractor parts - manufacturer-approved parts for a proper fit every time! We also have installation guides, diagrams and manuals to help you along the way! Craftsman Gt3000 Drive Belt Diagram. The Craftsman GT lawn mower uses a drive belt to move the wheels. The drive belt transfers power from the engine pulley to the rear differential to engage . Mtd Lawn Tractor Wheel Assembly for CRAFTSMAN,MTD Genuine HQRP 4-pack Air Filter Cartridge w/ Pre-cleaner for Craftsman GT GT . Craftsman repair parts and parts diagrams for Craftsman 247.273300 (13BP78XS099) - Craftsman T3000 Lawn Tractor (2018) Order Status Customer Support 512-288-4355 My Account Login to your PartsTree.com to view your saved list of equipment.
NOTE: There are many different belts for Craftsman 48"! Please make sure this is the right one for your rider! Please check your OEM# and belt size before ordering. Set included: Primary blade drive belt 174368 (5/8 x 90 OD, B87) connects the mower deck driven pulley to the electric clutch to turn the blades. Use our part lists, interactive diagrams, accessories and expert repair advice to make your repairs easy. 877-346-4814. Departments ... Repair Parts Home Lawn Equipment Parts Craftsman Parts Craftsman Lawn Tractor Parts Craftsman 917275023 Tractor Parts. ... Drive Belt. $44.07 Part Number: 532161597. Backorder: No ETA Craftsman Gt3000 Belt Diagram - schematron.org Looking for a manual for a Craftsman model #917-255820 44" deck. Please contact me if you could get me a copy of this. Thank you. rich wieand: dose any one have a pic of the diagram to re-rout my primary belt on my gt3000 craftsman tractor? looks goofy to me please help!!!!! alex: I have a gt 3000. The Craftsman GT3000 lawn mower uses a drive belt to move the wheels. The drive belt transfers power from the engine pulley to the rear differential to engage the rear wheels. The drive belt can wear out over time and become stretched or cracked. If the drive belt is not operating properly, the mower may not operate as intended.
Agri-Fab 42904 Lawn Tractor Lawn Sweeper Attachment Hopper Bag Genuine Original Equipment Manufacturer (OEM) Part. 0. Sold by DIY Repair Parts. add to compare. compare now. $25.95. Spu Deck Flat Idler Pulley For Craftsman GT3000 LT1000 Tractors AYP 532173437. 0. Sold by SPU Parts.
How to Replace the Drive Belt on a Craftsman GT3000. The Craftsman GT3000 lawn mower uses a drive belt to move the wheels. The drive belt transfers power fro...
About Press Copyright Contact us Creators Advertise Developers Terms Privacy Policy & Safety How YouTube works Test new features Press Copyright Contact us Creators ...
Belt Diagram For Craftsman Riding Mower Lt1000. I did a search for lawn mower manuals and found this site: There is a belt diagram on all craftsman L&G troctors located under running board. The Craftsman LT is a basic riding mower designed to cut residential lawns. Over time, the drive belt that turns the mower blades can wear down or break.
LIMITED TWO YE_,R WARRANTY ON CRAFTSMAN RIDING EQUIPMENT For two (2) years from the date of purchase, if this Craftsman Riding Equipment is maintained, lubricated and tuned up according to the instructions in the owner's manual, Sears will repair or replace, free of charge, any parts found to be defective in material or workmanship.
Amazon Com Hd Switch 4 Pack Front Wheel Bushing To Bearing Conversion Kit Replaces Husqvarna 532009040 9040h 532124959 5920h 9040hr 9040n Husqvarna Sears Craftsman Ayp Patio Lawn Garden
Craftsman Gt3000 Belt Diagram. 16.08.2018 16.08.2018 3 Comments on Craftsman Gt3000 Belt Diagram. Did your Craftsman model lawn, tractor break down? 3 Results. Schematic Dia 3 Results How to Replace a Riding Lawn Mower Blade Drive Belt. file I have a GT garden tractor with a 50" deck.
I need a drive belt diagram for a craftsman lawn tractor model #917.258504, my drive belt broke and I don't know how to re-route the new one. Report This by Manage My Life. September 3rd, 2010. Craftsman lawn tractor model #917.258504. Share it! Get more answers from the people in your networks.
The first is a diagram of the drive system of the gt3000. The routing diagram for a craftsman gt 5000 ground drive belt shows how the best must be wrapped around each pulley. Need diagram for gt5000 drive belt craftsman gt 5000 26 hp54 garden question. ... Need a belt diagram for craftsman gt 5000 craftsman gt 5000 26 hp54 garden tractor posted ...
GT3000 Engine wiring HELP! Tractor Forum. 9 hours ago The colors arent the same because the tractor comes with one harness, the motor comes with another ( different motor options availible ). After looking at the wiring diagram, id say its darn confusing to me, and ive rewired practically all my tractors, then again those are pre 2000 - most times its easy enough to start at the ign switch ...
Riding Lawn Mower 48" Deck Belt for Craftsman Poulan Husqvarna 174368 5/8"x90" 33907. 4.1 out of 5 stars 3. $22.99 $ 22. 99. Get it as soon as Tue, Nov 2. FREE Shipping on orders over $25 shipped by Amazon.
The Craftsman GT series garden tractors were manufactured for Sears Visually inspect the mower deck pulleys to ensure the belt is properly routed and .Gt wiring diagram moreover t free belt routing diagrams john deere further craftsman ys parts diagram moreover coleman powermate parts diagram further kohler cv parts diagram in addition coleman ...
The second belt goes under the first belt and is routed on a common pulley with the drive belt and both (or all three) of the mower blade pulleys. Here is a crazy looking exploded view of a craftsman mower deck. And here is a better diagram of it all put together. I think you can get an idea of belt routing out of this one:
0 Response to "43 craftsman gt3000 belt diagram"
Post a Comment