45 poulan chainsaw gas line diagram
Poulan PP4818A gas chainsaw parts - manufacturer-approved parts for a proper fit every time! We also have installation guides, diagrams and manuals to help you along the way! Chainsaw carburator fuel line > Poulan 2375. I am not sure were the fuel line go to the carburator Poulan 2375 John C Bridgers Posts: 10 ... Fuel line diagram [ 1 Answers ] Need fuel line diagram for weedeater GTI19T Can't start my Poulan chainsaw. Start rope too hard to pull.
I have a poulan 2150 chain saw and I need to replace the fuel lines. I would like to see a diagram of the fuel lines (my current lines are all broken so I can not tell which goes where). ... I have a Poulan 2150 gas chain saw (manuf. 1998 so it is probably type 1). Ethanol laced gas has finally destroyed the fuel line and primer bulb (or air ...

Poulan chainsaw gas line diagram
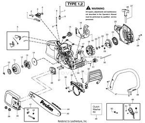
Chainsaw fuel line kit part. A 22cc craftsman is often a poulan model 2200. Fuel line diagram for a poulan 4218avx. Go to this link and find something that appears the same under poulan weed eater. It is easy and free. Try converting the cc to a model number. Complete exploded views of all the major manufacturers. Poulan Gas Chain Saw Pp4018 Ereplacementparts Com If your chainsaw doesnt start even though it has plenty of gas the engine might not be getting fuel because a fuel line is clogged or cracked. Craftsman 40cc chainsaw fuel line diagram. We are here to help over 87 genuine craftsman repair and replacement parts that are hassle free and guaranteed ... Poulan Pro Chainsaw Parts .. Fuel Line Fitting.SOURCE: Replacing a fuel line for a Poulan type 2 chainsaw Take top cover off (3 screws). Take off the 2 nuts holding the carb on. Pull carb part way out to access the hoses. Remove the 3 old hoses after making a diagram of where they connect.
Poulan chainsaw gas line diagram. Fuel routing for chainsaw. No drawings or pix but will try for description the line from the tank that has the fuel filter is the main fuel source which goes to the upper connection on the carburetor. Fuel Line Replacement Craftsman989796060trimmer Fuel Line Routing. Poulan 250e Fuel Line Diagram Free Wiring Diagram For You. Get Parts, Repair Help, Manuals and Care Guides for PPAVX Poulan Chainsaw - Gas Chainsaw. View parts like Filter and Fuel Line - I NEED A FUEL LINE DIAGRAM FOR A POULAN PRO PP AVX WITH A ZAMA C1M I need new fuel line diagram for my Craftsman Chainsaw The fuel line from the tank with the filter on the end, goes to the main fuel inlet on the carb, the conection nearest to the alloy pump cover held. Poulan Chainsaw Carburetor Fuel Line Diagram. Poulan P 2-Cycle Chainsaw: Replace Primer Bulb, Fuel Lines, and Filters: Poulan P The fuel return line may be still attached to the carburetor. Nov 1, There are multiple fuel lines found on most small engines. At a minimum, there will be a line carrying fuel from the tank to the carburetor, and a. Poulan Pp4218avx Fuel Line Diagram. We Sell Only Genuine Poulan ® Parts. Poulan PPAVX Gas Chainsaw Parts Remember this has the small OD fuel line and it has to slip over tightly. Poulan PPAVX Gas Saw, AVX - Poulan Pro Exploded View parts lookup by model. Found on Diagram: Engine Fuel Line (25" Long).
Step 13. If the primer suction line was damaged, slide the carburetor back onto the mounting bolts. Attach one end of the new fuel line to the incoming fuel port on the carburetor. Move the fuel line through the primer bulb housing and hold the primer bulb up to the fuel line. Mark desired length and cut to size. Fuel line diagram poulan p4018wt wild thing 18inch 40cc question. Download manual for model p4018wt poulan chainsawsears partsdirect has parts manuals part diagrams for all types of repair projects. You can also browse the most common parts for p4018wt. And the longest bar i can locate is the 952044418 18 inch bar wja. Poulan 2150 chainsaw fuel line diagram. And they all use the 545081885 carburetor. Poulan 2450 chainsaw manual 2150 fuel line diagram for wild poulan chainsaw fuel line diagram for model 222 pictures to pin on pp4218avx get 1000x750 i have a poulan 2450 chainsaw with wt 391 carb primer bulb had to replace fuel lines how are the routed poulan ... Poulan 2150 chainsaw fuel line diagram. Sears partsdirect uses your location to provide local availability in your area. P4018wt poulan chainsaw. Chainsaw fuel line kit part. Kit fuel line large more details. Add to cart a7. Narrow your search down by symptom and read the amazing step by step instructions and troubleshooting tips for p4018wt ...
Save poulan chainsaw fuel line diagram to get e mail alerts and updates on your ebay feed. Go to this link and find something that appears the same under poulan weed eater. Items in search results. Diagram of fuel line for craftsman 16 chainsaw your saw is a poulan. Craftsman chainsaw fuel gas line kit new 35498 358350080 358350180 358351580. Fuel line configuration on poulan 2150 chainsaw donyboy73. Routings of fuel line to poulan 14 inch chainsaw model 2025 no drawings or pix but will try for description the line from the tank that has the fuel filter is the main fuel source which goes to the upper connection on the carburetor. Poulan 2450 chainsaw manual 2150 fuel line diagram ... Download the manual for model Poulan 2050 TYPE 1-5 gas chainsaw. Sears Parts Direct has parts, manuals & part diagrams for all types of repair projects to help you fix your gas chainsaw! on Poulan Wild Thing Fuel Line Routing. November 1, Fixing things makes sense. This article will help you make sense of replacing the fuel return line on a Poulan chainsaw. replacing the fuel. I can't give you an actual diagram but a I can try to explain how it should go. There is a line with the filter in the tank that goes to the bottom of.
I have a Poulan 2150 gas chain saw (manuf. 1998 so it is probably type 1). Ethanol laced gas has finally destroyed the fuel line and primer bulb (or air purge assembly). I order new parts from a Poula … read more. the chainsaw man. bobcat specalist. High School or GED. 50 satisfied customers.
Poulan 2055 Chainsaw Fuel Line Diagram The fuel supply hoses on Poulan chain saws carry fuel from the fuel tank to the The return fuel hose returns the unused purge bulb fuel to the fuel tank. and remove the air filter housing from the top chainsaw engine and carburetor. 40cc and 42cc: LELELELE LE-.
P. fuel lines crafstman 18" chainsaw this is just a short video showing where the fuel lines are and where they go just to make it clear i replaced the factory lines one at a time. P. need diagram for fuel line routing on craftsman chainsaw need diagram for fuel line routing on craftsman chainsaw model 358 poulan pro 42cc 2 cycle chainsaw 18 ...
Poulan wild thing chainsaw 2375 gas line routing part 1. It is easy and free. Search by part description. Browse all parts by section for this model. Fuel line diagram poulan p4018wt wild thing 18inch 40cc question. And the longest bar i can locate is the 952044418 18 inch bar wja.
Home Garden Yard Garden Outdoor Living Carburetor Kit Fits Poulan Chainsaw Pp210 1975le 2055le 2075c 2150le 2375le Usa Roadislanddiner Com
Poulan pro chainsaw making you a pullin pro. After taking apart the carb to clean it i found strings of plastic from the fuel line in the area of the big needle valve. Cut the new fuel line to the proper length. 2 pack of fuel filter 530095646 for poulan and. Diagram of fuel line for craftsman 16 chainsaw your saw is a poulan.
In order to properly use this Poulan chainsaw fuel line diagram, you should first know what a Poulan weed eater is. A Poulan weed eater is a machine that separates waste gas from fuel during the process of cutting firewood. The chain is also known as a Poulan chain and is used to transfer the fuel to a special mixing chamber where it can be ...
Motoku Carburetor Air Filter Carb Fuel Line Spark Plug Carb For Poulan Chainsaw 1950 2050 2150 2375 Wild Thing 2375le Walbro Wt 89 891 Wt 324 Zama C1u W8 C1u W14 Replace 545081885 Buy Online
This article provides step-by-step instructions for replacing the fuel return line on a Poulan chainsaw. Let's get started. REMOVING THE FUEL RETURN LINE 1. Drain the fuel. Drain any excess fuel from the tank. 2. Remove the top cover. Remove the (3) screws securing the top cover to the saw. ...
Need a diagram on how the fuel line s go on a poulan chainsaw. Posted by Anonymous on Mar 07, ... Poulan pro fuel line configuration. Posted on Mar 08, 2019. Remember this has the small OD fuel line and it has to slip over tightly without over stretching the tube. Hello countrylawyer, The part number 530095646 Fuel Pick-up Assembly is the correct filter for the Poulan PP4218AVX Chainsaw.
For Chainsaw Carburetor Carb Poulan Walbro Zama Snap In Primer Bulb Fuel Line Al Outdoor Power Equipment Home Garden
Oct 5, 2017 - I just installed a new carburetor on a Poulan # 2175 and it will not run after the start up with the fuel bulb. I need - Answered by a verified Technician
Adefol Air Filter Kit for Poulan PP5020AV 575296301 Chainsaw Replacement Parts with Fuel Filter, Primer Bulb, Spark Plug, Fuel Line Accessories. 4.6 out of 5 stars. 172. $9.75. $9. . 75. Get it as soon as Mon, Nov 15. FREE Shipping on orders over $25 shipped by Amazon.
I Have A Poulan Chain Saw Model 2375 About 3 Months Ago I Ordered Replacement Gas Lines I Disassembled That Part Of
Poulan 2300 CVA Chainsaw. You do not need to take the throttle trigger mechanism off prior to threading the fuel line although the throttle trigger release (stop) mechanism did need to be removed. I also suggest starting the thread to the fuel tank first, attaching the fuel filter, and then running the line up to the inlet of the carburetor.
Poulan Pro Chainsaw Parts .. Fuel Line Fitting.SOURCE: Replacing a fuel line for a Poulan type 2 chainsaw Take top cover off (3 screws). Take off the 2 nuts holding the carb on. Pull carb part way out to access the hoses. Remove the 3 old hoses after making a diagram of where they connect.
Carburetors Parts Replacement Parts Aquiver Auto Parts New Carburetor For Poulan Chainsaw 1950 2050 2150 2375 Walbro Wt 89 891 Zama C1u W8 C1u W14 Replace 545081885 Diagenics Com
Poulan Gas Chain Saw Pp4018 Ereplacementparts Com If your chainsaw doesnt start even though it has plenty of gas the engine might not be getting fuel because a fuel line is clogged or cracked. Craftsman 40cc chainsaw fuel line diagram. We are here to help over 87 genuine craftsman repair and replacement parts that are hassle free and guaranteed ...
Chainsaw fuel line kit part. A 22cc craftsman is often a poulan model 2200. Fuel line diagram for a poulan 4218avx. Go to this link and find something that appears the same under poulan weed eater. It is easy and free. Try converting the cc to a model number. Complete exploded views of all the major manufacturers.
Poulan Chainsaw Fuel Line Diagram Installed A New Carburaetor On A Poulan 2175 And It Justanswer Line Diagram Poulan Chainsaw Diagram
Karbohidrat Karburator Untuk Kawasaki 08 13 Prairie 360 4x4 Camo Atv Cvk34 Cvk35 Cvk 34 Mm Atv Parts Aksesoris Aliexpress
Carburetor Air Filter Kits For Walbro Wt 891 W 20 Auxiliary Accessaries Buy At The Price Of 9 14 In Aliexpress Com Imall Com
Poulan 2075 Fuel Line Routing Have A Poulan Wood Shark Model1950 The Fule Lines Rotted Line Diagram Chainsaw Parts Diagram
Yard Garden Outdoor Living Gas Fuel Oil Cap For Poulan Chainsaw 1900 1950 2050 2055 2150 2175 2250 2375 Outdoor Power Equipment
0 Response to "45 poulan chainsaw gas line diagram"
Post a Comment