Iklan 300x250

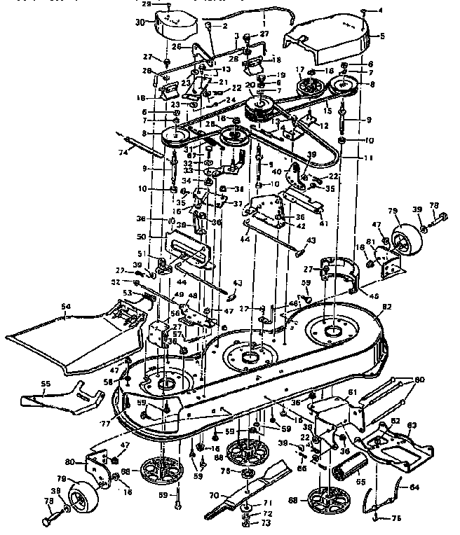
40 murray mowers parts diagram

Murray parts and Murray repair parts for Murray Lawn & Garden Tractors, ... your Murray model number on PartsTree and use the OEM Murray parts diagrams to ... Description: Murray 30577X8A Parts List And Diagram - (1999 with Murray Riding Mower Parts Diagram, image size 590 X 747 px, and to view image details please click the image.. Here is a picture gallery about murray riding mower parts diagram complete with the description of the image, please find the image you need.

Kenmore 11173025711 bottom-mount refrigerator parts - manufacturer-approved parts for a proper fit every time! We also have installation guides, diagrams and manuals to help you along the way!

Murray mowers parts diagram

Murray mowers parts diagram

Murray riding mowers tractors parts - manufacturer-approved parts for a proper fit every time! We also have installation guides, diagrams and manuals to help you along the way! MURRAY ® Push Mowers & Lawn Equipment. Affordable and efficient, Murray products have been getting the job done for over 90 years. Today, Murray wears its brand proudly as the "Get it done. Go have fun." lawn and garden equipment. Exclusively powered by the world's leading small engines from Briggs & Stratton, Murray is a perfect fit for ... Dec 10, 2019 - This Pin was discovered by Rickyvaughnnew. Discover (and save!) your own Pins on Pinterest.

Murray mowers parts diagram. Murray - Murray Outdoor Products Outdoor Power Products Walk Behind Mowers, Tractors, Rear Engine Riders, Tillers, Chippers, Shredders, Edgers, Grass Catchers, Go-karts, Scooters, Snowthrowers, Sweepers and Trimmers Murray Sit on mower parts lists. Murray ride on Mowers usually have a white model I>D> label on the rear of the machine. The model number is usually identified with 6 numbers then "x" and two further numbers as below: Murray model 30504x92A (1999) sit on mower spare parts lists. Murray model 30505x92A (2000) sit down mower parts lists. Murray EMT H 15 5HP 42" Murray Lawn Tractor 2012 Parts Diagrams. mower deck blade belt falls off when disengaging you need to print out a illustrated parts diagram and take it out to your mower and see what is missing or bent like belt keepers. Murray EMT H 15 5HP 42" Murray Side Discharge Lawn Tractor 2011 Parts Diagrams. Power Mower Sales also supplies OEM accessories and replacement parts for all brands and models of zero turn mowers. Shop our assortment of lawn mower blades, belts, filters, wheels and much more. Use the links above to guide you to the proper parts diagram in our Zero-Turn Mower Parts Lookup to find what you need.

Murray riding mower 425614xb2A seat bracket , pulleys and misc parts. $40.95. Was: $45.00. Free shipping. or Best Offer. Murray 42515x92B - Lawn Tractor (2002) Parts Diagrams. Parts Lookup - Enter a part number or partial description to search for parts within this model. There are (286) parts used by this model. BOLT SHD. BOLT, SHD .38 16 X . Need to fix your 42819X92A Riding Mower? Use our part lists, interactive diagrams, accessories and expert repair advice to make your repairs easy. If your Murray Lawn Mower is broken, PartSelect.com can help. We offer over 2 million repair parts, step by step instructions and installation videos to help you complete your Murray repair. Use your model number and get started ordering Murray Lawn Mower parts today!

Look up replacement mower parts, snow blower accessories, and small engine parts 24/7 with ProParts Direct. Our replacement mower parts catalog is published each year and all parts can be ordered directly through our secure site. Write to us or give us a call with orders, questions, or any customer support issues 800-305-9255 Riding Mowers For Sale. Riding Lawn Mowers. ... Murray Lawn Mower Deck Parts Diagram. Murray Lawn Mower Deck Parts Diagram. R. Rickyvaughnnew. sears lt2000. Murray - Murray Outdoor Products Outdoor Power Products Walk Behind Mowers, Tractors, Rear Engine Riders, Tillers, Chippers, Shredders, Edgers, Grass Catchers, Go-karts, Scooters, Snowthrowers, Sweepers and Trimmers Noma, AMF, Dynamark, Western International, Canadiana, Troybilt, Scotts Tractors ( 5012 models ) Model 46371X92A REV REV Murray Mower Parts Diagram Beautiful Western Auto Wizard Lawn Tractor Parts Model Ayp9187b89. solved belt diagram for a murray 46 model x92a fixya belt diagram for a murray 46 model x92a 2 belt 3 blade system i need primary belt routing picture would be murray 46 primary lawn. MTD YARD MACHINES 46" CUT RIDING MOWER DECK BELT INSTALLATION ...

Popular Murray Lawn Mower Parts. Hex Head Washer Screw. Part Number: 2828635SM. In Stock, 14 available. This is a genuine Murray replacement part, it is sold individually. It is commonly used in lawn tractors, and is used in various places in the compatible models listed below. It is self tapping, with a 9/16 hex head.

Find parts for your Murray Riding Lawn Mower Model 13B326JC758. Parts diagrams and manuals available. Free shipping on parts orders over $45.

Murray Lawn & Garden Tractors parts with OEM Murray parts diagrams to find Murray Lawn & Garden Tractors repair parts quickly and easily Order Status Customer Support 512-288-4355 My Account Login to your PartsTree.com to view your saved list of equipment.

We offer a complete parts look-up for the following Brands already with a huge range of spare parts diagram online. Ariens Billygoat Briggs & Stratton Briggs Power Equipment Briggs & Stratton Yard Power (formerly Murray) Can-Am (Bombardier) Dixon Echo Excel Industries - Hustler Ferris Gravely Greenworks Husqvarna Handheld Husqvarna Power Equipment

NO GENUINE MURRAY SPARE PARTS ARE AVAILABLE AT THIS TIME PLEASE USE OUR SEARCH ENGINE TO FIND THE MURRAY PARTS YOU ARE LOOKING FOR WE HAVE MANY OEM REPLACEMENT PARTS AVAILABLE INCLUDING BELTS, SPINDLE HOUSINGS, BLADES, FILTERS, WHEELS & MORE IF Y. Buy Murray Lawn Mower Spare Parts online today from All Mower Spares! ... View exploded parts diagram.

Lookup Parts by Diagram Find the replacement parts you need to keep your lawn mower, snow blower and other outdoor power equipment performing strong and running like new. You can Browse our catalogs, or Search by Part Number or 11-digit factory Model Number to find your product's exploded Diagram Assemblies.

Murray 46622X9A front-engine lawn tractor parts - manufacturer-approved parts for a proper fit every time! We also have installation guides, diagrams and manuals to help you along the way!

Description : Murray 7800258 Parts List And Diagram - (M2255Fc with Murray Lawn Mower Deck Parts Diagram, image size 590 X 635 px, and to view image details please click the image. Here is a picture gallery about murray lawn mower deck parts diagram complete with the description of the image, please find the image you need.

1-16 of over 4,000 results for "murray lawn mower parts" Briggs and Stratton 593261 Carburetor. 4.6 out of 5 stars 1,314. $24.54 $ 24. 54 $35.99 $35.99. Get it as soon as Thu, Nov 11. FREE Shipping on orders over $25 shipped by Amazon. More Buying Choices $20.12 (10 used & new offers)

Murray 425613x8A - Lawn Tractor (2002) Parts Diagrams. SWIPE SWIPE. Chassis & Hood. Decals. Drive Assembly. Electrical System. Engine Mount.

Pin On Diagrama Eléctrico De Tractores. Murray 425605x692 Riding Lawn Mower Parts Tool Direct. Murray Riding Mower Repair Ifixit. Ah 3472 Steering Diagram And Parts List For Murray Ridingmowertractorparts Schematic Wiring. Murray 40 Lawn Tractor 405002x8a Ereplacementparts Com. Pin On Auto Maintenance And Repair.

Murray Lawn Mower 7800888. Murray Lawn Mower User Manual. Pages: 12. See Prices. Murray Lawn Mower 96012007200. Murray Lawn Tractor Operator's Manual.

We are an Authorized Murray Mower service dealer carrying a large selection of Murray Illustrated Parts Lists. If you do not see the Murray Part you need, please complete the Lawn Parts Request Form and we will be happy to assist you. MURRAY. CULTIVATOR. 11052X30B.

Murray 387002x92a Lawn Tractor 2004 Parts Diagrams. Briggs Amp Stratton Yard Power Formerly Murray Del 26072018021742 7800409 Elt125380 12 5hp 38 Gear Drive Lawn Tractor 2009 Wiring Schematic Hydro. Small Engines Basic Tractor Wiring Diagram. Solved Murray Mower Will Not Start Riding Ifixit.

All Mower Spares stock a wide range of products from John Deere. Click here to see our full range. Australian owned & operated. The Australian and New Zealand Distribution Centre (ANZDC) is an integral part of the worldwide parts distribution network of John Deere and is mainly and essentially responsible for supporting the vast network of distributors of agricultural, building, turf, forestry ...

Murray Riding Lawn Mower Wiring Diagram - wiring diagram is a simplified gratifying pictorial representation of an electrical circuit. It shows the components of the circuit as simplified shapes, and the capability and signal contacts along with the devices. A wiring diagram usually gives instruction roughly the relative face and concurrence ...

Murray Walk-Behind Mowers parts with OEM Murray parts diagrams to find Murray Walk-Behind Mowers repair parts quickly and easily Order Status Customer Support 512-288-4355 My Account Login to your PartsTree.com to view your saved list of equipment.

We are an Authorized Murray Mower Service Dealer carrying a large selection of Murray Lawn Mower Parts. ... Murray Illustrated Parts Diagrams. Murray ATP Fuses. Murray Batteries. Murray Battery Accessories. Murray Battery Cable Assembly. Murray Battery Chargers. Murray Battery Hold Down. Murray Bearings and Bushings. Murray Belts.

42 Riding Mower. Murray 46 Inch Cut Lawn Tractor 46562x8a Ereplacementparts Com. Murray Lawn Tractor 38633x92a Ereplacementparts Com. Pin On Auto Maintenance And Repair. Vg 0172 Murray Riding Lawn Mower Parts Diagram Replacement Spindle For Wiring. Murray 36 Lawn Tractor 4 36508 Ereplacementparts Com. 42 Riding Mower.

Parts lookup for Murray power equipment is simpler than ever. Enter your model number in the search box above or just choose from the list below.

If you know the model number of your Murray product, enter it in the search window below to locate Operator's Manuals, Illustrated Parts Lists and Wiring Diagrams. Find Your Murray Model Number Model Numbers on Murray riding lawn mowers are found on the back of the mower or under the seat.

The parts . SmallEngineEquipmentParts.com: Murray 38", 40", 42" Deck: Diagram .. Fits Murray 42" Deck Front Engine Tractor with 5/8" Belt, 6-1/4" OD, 9/16" Splined Bore . Murray 1695809 - 46" Mower Deck Exploded View parts lookup by model. Complete exploded views of all the major manufacturers.

Dec 10, 2019 - This Pin was discovered by Rickyvaughnnew. Discover (and save!) your own Pins on Pinterest.

MURRAY ® Push Mowers & Lawn Equipment. Affordable and efficient, Murray products have been getting the job done for over 90 years. Today, Murray wears its brand proudly as the "Get it done. Go have fun." lawn and garden equipment. Exclusively powered by the world's leading small engines from Briggs & Stratton, Murray is a perfect fit for ...

Murray riding mowers tractors parts - manufacturer-approved parts for a proper fit every time! We also have installation guides, diagrams and manuals to help you along the way!

0 Response to "40 murray mowers parts diagram"

Post a Comment

Iklan Atas Artikel

Iklan Tengah Artikel 1

Iklan Tengah Artikel 2

Iklan Bawah Artikel