Iklan 300x250

41 2005 dodge dakota wiring diagram

Dodge - Magnum - Wiring Diagram - 2005 - 2010 (2) Dodge Neon Workshop Manual (L4-122 2.0L DOHC VIN Y SFI (1997)) Dodge Ram 2500 4wd Workshop Manual (Truck L6-6.7L DSL Turbo (2008)) Dodge Dakota Quad Cab 4wd Workshop Manual (V6-3.9L VIN X (2001)) Dodge Stratus Coupe Workshop Manual (L4-2.4L VIN G (2003)) Dodge Grand Caravan Workshop …

Knowing what every wire does in your 2005 Dodge Dakota radio wire harness takes the guess work out of changing your car radio or fixing your car stereo. Our ...

Commando Car Alarms offers free wiring diagrams for your 2005- Dodge Dakota. Use this information for installing car alarm, remote car starters and keyless ...

2005 dodge dakota wiring diagram

2005 dodge dakota wiring diagram

English Service Manual to vehicles Dodge Dakota (2005 - 2007) ... Information - Wiring Diagram Information - Description - How To Use Wiring Diagrams ...

2005 | 2006 | 2007 Body Builder's Guide 2005 | 2006 | 2007 Ram / Chassis Cab Wiring Diagram 2005 | 2006 | 2007 Dakota Wiring Diagram 2005 | 2006 | 2007 Durango Wiring Diagram 2005 | 2006 | 2007 Caravan/Grand Caravan Wiring Diagram

My heater/AC blower has stopped in my 2004 dodge dakota. 2011 DODGE DAKOTA Recall - AIR BAGS:FRONTAL:DRIVER SIDE INFLATOR MODULE Problem: Chrysler (FCA US LLC) is recalling certain model year 2005-2009 Dodge Ram 2500, 2004-2008 Dodge Ram 1500 and Durango, 2006-2009 Dodge Ram 3500, 2008-2010 Dodge Ram 4500 and 5500, 2007-2008 …

2005 dodge dakota wiring diagram.

29 Sept 2009 · 2 posts · 2 authors2005 Dodge Dakota Stereo Wire Diagram - im hooking up a line output converter to my '05 dakota. and i was trying to figure out the wire ...

2005 DODGE RAM 1500 TRUCK CAR. RADIO STEREO WIRING DIAGRAM. I NEED DIAGRAM FOR TRANSMISSION. WIRING HARNESS 1997 RAM. 5 9 FIRING ORDER RICKS FREE AUTO.

15/01/2020 · Wiring Diagram Turn Signals and Brake Lights– wiring diagram is a simplified standard pictorial representation of an electrical circuit.It shows the components of the circuit as simplified shapes, and the skill and signal friends between the devices.

Turn the ignition off. Disconnect the Instrument Cluster C3 harness connector and inspect the connector and associated wiring for the Panel Illumination System.

17 Jun 2021 — What is the wiring diagram for a 2005 Dodge Dakota 4.7 wiring diagram for the AC system? - Answered by a verified Dodge Mechanic.1 answer · Top answer: See the answer on the image

Step on the brake pedal and hold for another 30 seconds (this puts a current drain on 1998 Dodge Dakota Headlight Switch Wiring Diagram Gallery. When a grinding noise occurs with your transmission, it could mean a serious problem with your planetary gear system. All 42RLE questions answered by expertsDodge TSB 9004206: Technical Service Bulletin for the 2013 …

05/11/2019 · 5.3 Vortec Wiring Diagramwiring diagram is a simplified enjoyable pictorial representation of an electrical circuit.It shows the components of the circuit as simplified shapes, and the capability and signal links in the middle of the devices.

28 Apr 2018 — 2005 Dodge Dakota Wiring harness. Subscribe. Jrberry13 , 04-28-2018 06:07 PM. Registered User. When I brought this from a car lot the entire back bumper and ...

P0740 dodge dakota

Jan 6, 2021 - 1995 Dodge Ram 1500 Radio Wiring Diagram Dynante Info Showy With ... Wiring Diagram Outlet Wiring, Yard Tractors, Dodge Magnum, Dodge Dakota.

2001-2005--Dodge--Dakota 4WD--6 Cylinders X 3.9L FI OHV--32720001. Dodge - Auto - dodge-grand-caravan-2016-manual-del-propietario-101971. Dodge - Nitro - Wiring Diagram - 2007 - 2008. Dodge Dakota 2wd Workshop Manual (V6-3.9L VIN X (1997)) Dodge Viper Workshop Manual (V10-488 8.0L (1992)) Dodge Viper Rt-10 Workshop Manual (V10-8.0L VIN E (1997)) …

A free copy of a fuse box diagram and wiring diagram for a 1991 dodge dakota truck can be found at the local library. Every Ram 2500 Rear Bumper we sell is durable, well built and completely designed to fit your Dodge Ram 2500. Good luck with your 2000 Dodge Ram 1500 navigation installation. org Fuse box diagrams presented on our website will help you to …

Fuse box location and diagrams: Dodge Dakota (2005-2011)

Fuse box location and diagrams: dodge dakota (2005-2011)

1999 dodge ram 1500 vacuum line diagram. Not to worry! Search thousands of other internships, scholarships and other student programs in 120+ countries. Search Or if you are wondering, who we are:... 1999 dodge ram 1500 vacuum line diagram. …

ANTI-THEFT – Dodge Dakota 2005 – SYSTEM WIRING DIAGRAMS ...

Anti-theft – dodge dakota 2005 – system wiring diagrams ...

I need the wiring diagram for the instrument panel on a 1994 ...

I need the wiring diagram for the instrument panel on a 1994 ...

DODGE Car Radio Stereo Audio Wiring Diagram Autoradio ...

Dodge car radio stereo audio wiring diagram autoradio ...

2005 Dodge Durango all three break light won't light up when ...

2005 dodge durango all three break light won't light up when ...

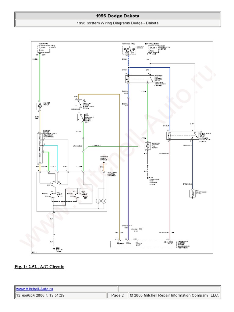
1996 Dodge Dakota Wiring | PDF

1996 dodge dakota wiring | pdf

Ignition System Wiring Diagram (2002 4.7L Dodge Dakota And ...

Ignition system wiring diagram (2002 4.7l dodge dakota and ...

2004 Dodge Dakota Wiring Diagrams

2004 dodge dakota wiring diagrams

New 2021 fix NO Communication for 2005 Dodge vehicles using ...

New 2021 fix no communication for 2005 dodge vehicles using ...

Need a stereo wiring diagram for a 2005 dodge dakota slt with ...

Need a stereo wiring diagram for a 2005 dodge dakota slt with ...

Dodge Dakota Radio Wiring Diagram | Dodge dakota, Dodge ...

Dodge dakota radio wiring diagram | dodge dakota, dodge ...

POWER DISTRIBUTION – Dodge Dakota 2005 – SYSTEM WIRING ...

Power distribution – dodge dakota 2005 – system wiring ...

2005 Dodge Ram Truck Wiring Diagram Manual Original

2005 dodge ram truck wiring diagram manual original

SOLVED: What are the wires on dodge dakota fuel pump - Fixya

Solved: what are the wires on dodge dakota fuel pump - fixya

RADIO – Dodge Dakota 2005 – SYSTEM WIRING DIAGRAMS – Wiring ...

Radio – dodge dakota 2005 – system wiring diagrams – wiring ...

Category Wiring Diagram 11 in 2021 | Dodge dakota, Dodge ...

Category wiring diagram 11 in 2021 | dodge dakota, dodge ...

Dodge Dakota 2006 Engine Electrical Circuit Wiring Diagram ...

Dodge dakota 2006 engine electrical circuit wiring diagram ...

45 Inspirational Dodge Dakota Tail Light Wiring Diagram ...

45 inspirational dodge dakota tail light wiring diagram ...

2005 Dodge Dakota Radio Wiring Diagram - MODIFIEDLIFE

2005 dodge dakota radio wiring diagram - modifiedlife

2007 Dodge Wiring | Diagram, Electrical circuit diagram ...

2007 dodge wiring | diagram, electrical circuit diagram ...

2005 Dodge Durango Wiring Diagram Manual Original

2005 dodge durango wiring diagram manual original

DODGE Car Radio Stereo Audio Wiring Diagram Autoradio ...

Dodge car radio stereo audio wiring diagram autoradio ...

Dakota, 2001-2005 Central Timer Module (2001) 8 Repair Guide ...

Dakota, 2001-2005 central timer module (2001) 8 repair guide ...

2005 Dodge Dakota Wiring harness - DodgeForum.com

2005 dodge dakota wiring harness - dodgeforum.com

Dodge Dakota (2005-2007) Service Manual

Dodge dakota (2005-2007) service manual

2005 Dodge DAKOTA Factory Wiring Diagrams Manual | eBay

2005 dodge dakota factory wiring diagrams manual | ebay

Ignition System Wiring Diagram (2002 4.7L Dodge Dakota And ...

Ignition system wiring diagram (2002 4.7l dodge dakota and ...

2010 Dakota Bighorn wiring - DodgeForum.com

2010 dakota bighorn wiring - dodgeforum.com

I cut my wiring harness for my factory stereo because the ...

I cut my wiring harness for my factory stereo because the ...

Ignition System Wiring Diagram (2002 4.7L Dodge Dakota And ...

Ignition system wiring diagram (2002 4.7l dodge dakota and ...

madcomics: 2005 Dodge 2500 Radio Wiring

Madcomics: 2005 dodge 2500 radio wiring

radio wiring diagram | Car Engine Diagrams | Dodge durango ...

Radio wiring diagram | car engine diagrams | dodge durango ...

2006 Dodge Dakota stereo wiring diagram / wire colors ...

2006 dodge dakota stereo wiring diagram / wire colors ...

2006 Dodge Dakota stereo wiring diagram / wire colors ...

2006 dodge dakota stereo wiring diagram / wire colors ...

I also have a 2005 Dodge Dakota with some strange 4WD antics ...

I also have a 2005 dodge dakota with some strange 4wd antics ...

2000 Gen 1 Infinity System Wiring Diagram | Dodge Durango Forum

2000 gen 1 infinity system wiring diagram | dodge durango forum

Do you have a wiring diagram for a 2002 dodge dakota radio

Do you have a wiring diagram for a 2002 dodge dakota radio

DODGE DAKOTA 1996 WIRING DIAGRAMS SCH Service Manual download ...

Dodge dakota 1996 wiring diagrams sch service manual download ...

2006 Dodge Dakota 4x4 slt v8 transfer case wiring diagram ...

2006 dodge dakota 4x4 slt v8 transfer case wiring diagram ...

Dodge Dakota (ND). Manual - part 624

Dodge dakota (nd). manual - part 624

0 Response to "41 2005 dodge dakota wiring diagram"

Post a Comment

Iklan Atas Artikel

Iklan Tengah Artikel 1

Iklan Tengah Artikel 2

Iklan Bawah Artikel