42 exmark lazer z wiring diagram
November 20, 2018 Author. Zachary Long. Home » Wiring Diagrams » Exmark Lazer Z Parts Diagram. eXmark LZ27KC606 Exmark 60 Lazer Z Zero Turn Mower 27HP Kohler SN & Cutter Housing Assembly 103 9539 Diagram and Parts List. eXmark LZE730GKA604A3 Exmark 60 Lazer Z E Series Zero Turn Mower Kawasaki FX730V SN & 2015 Seat Assembly Diagram and Parts List. Exmark Lazer Z HP User Manual • Schematics, Electrical diagram — kohler, Ignition switch • Exmark Gardening equipment. wiringall.com - Select eXmark LZ27KC - Exmark 60 Lazer Z Zero-Turn Mower, 27HP Kohler (SN: ) () Diagrams and order Genuine .Details about exmark lazer z hp wiring diagram has been uploaded by Ella Brouillard and tagged in ...
Description: Exmark Lazer Z - Maintenance Tips, Part 4 - Youtube in Exmark Lazer Z Parts Diagram, image size 480 X 360 px, and to view image details please click the image.. Actually, we have been remarked that exmark lazer z parts diagram is being one of the most popular field at this moment. So that we attempted to get some great exmark lazer z parts diagram image for you.

Exmark lazer z wiring diagram
Exmark zero turn riding mower operating manual frontrunner. Exmark Parts Diagram Wiring Diagram Frontier Wiring Diagram Scag. Exmark Qst20be422 Exmark 42 Quest Zero Turn Mower 20hp Briggs. Exmark Lazer Wiring Diagram Electronic Schematics Collectionsexmark. Details about exmark lazer z hp wiring diagram has been uploaded by Ella Brouillard and tagged in this category. In some cases, we may have to slightly change the style, color, or even equipment. We require a new thought for it then one of them is this exmark lazer z hp wiring diagram. schematron.org: exmark ignition switch. From The Community. Exmark Lazer Z Wiring Diagram. Find product manuals for Exmark mowers and lawn care equipment from and before. Lazer Z Liquid-Cooled. Serial Number Range, Operator Manual. Exmark Lazer Z HP User Manual • Schematics, Electrical diagram — kohler, Ignition switch • Exmark Gardening equipment. Discover best Exmark Lazer Z images and ideas on ...
Exmark lazer z wiring diagram. 2018 Exmark Laser Z Manual Download. Airfoil 5 8 7 x 8. Strategies to one of the most asked questions will also be revealed using exmark lazer z ct wiring diagram. Exmark lazer mower parts - shank' lawn, Find parts with our diagrams. to begin, select the link below. exmark lazer z Exmark Lazer Z Mower Wiring Diagram. Exmark LHP4819KA (SN 190,000-219,999) [1999] Electrical Group Exploded View parts lookup by model. Complete exploded views of all the major manufacturers. It is EASY and FREE Exmark Lazer Z Wiring Diagram Download. Exmark Lazer Z Wiring Diagram . Exmark Lazer Z Wiring Diagram from az417944.vo.msecnd.net Source: Exmark Lazer Z Click below for more service videos including installing a collegiate seat on an Exmark Lazer Z mower. If you have any questions or concerns, contact the Exmark Customer Service department at 402-223-6375 or visit your local dealer. Use the features below to find Exmark operator and parts manuals.
Jul 14, 2019 · Exmark Lazer Z Wiring Diagram – wiring diagram is a simplified tolerable pictorial representation of an electrical circuit. It shows the components of the circuit as simplified shapes, and the capability and signal links between the devices. A wiring diagram usually gives recommendation approximately the relative point and deal of devices and ... Exmark repair parts and parts diagrams for Exmark LHP4820KC - Exmark 48" Lazer Z HP Zero-Turn Mower, 20HP Kohler (SN: 440000 - 509999) (2004) Order Status Customer Support 512-288-4355 My Account Login to your PartsTree.com to view your saved list of equipment. Exmark Pto Switch Wiring Diagram. By Rocky Jamesh | February 6, 2019. 0 Comment. Exmark lz27kc604 user manual lazer z e series 312 hp ing fuse lz23kc604 s n 252 000 259 999 electrical diagram quest 4500 as 790 849 lhp4819ka sn 190 219 26 kawasaki on a mower can kohler efi group problem my. Exmark Zero-Turn Mowers Lazer Z parts with OEM Exmark parts diagrams to find Exmark Zero-Turn Mowers Lazer Z repair parts quickly and easily Order Status Customer Support 512-288-4355 My Account Login to your PartsTree.com to view your saved list of equipment.
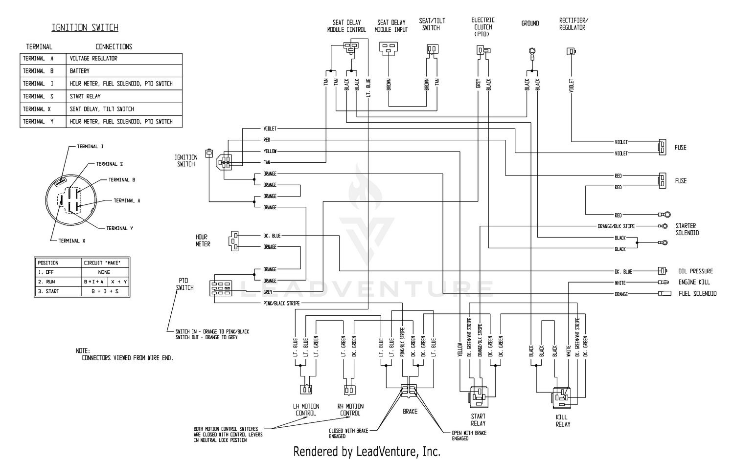
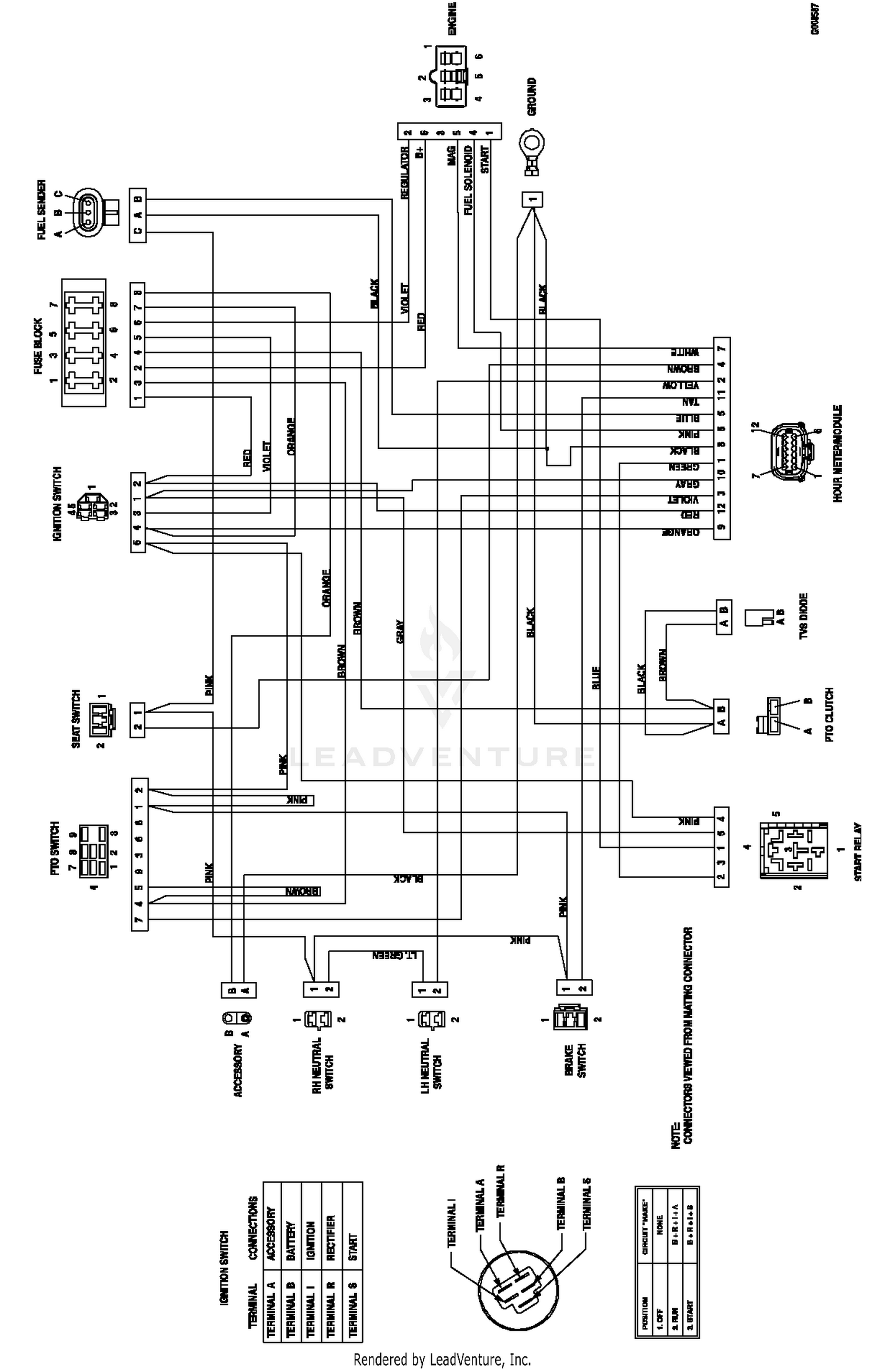
Exmark Lazer Z key switch would turn engine over. Pull up the parts manual and look at the wiring diagrams, the yellow wire goes to the start. Displaying Electrical Group parts for the eXmark Lazer Z - Exmark Lazer Z Zero- Turn Mower (SN: ). Browse all parts by section for this model. Exmark Lawn Mower Ignition, Safety, PTO & Kill Switches. Exmark Lazer Z Ignition Switch Wiring Diagram Source: usermanual.wiki. Read cabling diagrams from unfavorable to positive and redraw the circuit being a straight collection. All circuits are usually the same ~ voltage, ground, solitary component, and buttons. Exmark Lazer Z Ignition Switch Wiring Diagram Source: www.exmark.com. Exmark Lazer Z Starter Wiring Diagram. abby.kulas September 8, 2021 Templates No Comments. 21 posts related to Exmark Lazer Z Starter Wiring Diagram. Exmark Lazer Z 52 Wiring Diagram. Exmark Lazer Z Xs Wiring Diagram. 2006 Exmark Lazer Z 60 Wiring Diagram. 67 Mustang Starter Wiring Diagram. Jan 29, 2019 · Exmark Lazer Z Wiring Schematic. Assortment of exmark lazer z wiring schematic. A wiring diagram is a streamlined conventional photographic representation of an electric circuit. It shows the elements of the circuit as simplified shapes, as well as the power and signal links between the devices. A wiring diagram generally gives info concerning the family…
Exmark Ttx691cka60400 S N 400 000 And Up Parts Diagram For Electrical Assembly. Exmark lazer z hp 565 user manual e series 312 lz27kc604 lz23kc604 s n 252 000 259 999 ing fuse electrical diagram quest 4500 as 790 849 turf tracer tt20kce lhp4819ka sn 190 219 parts for kohler 26 efi kawasaki on a mower can problem my pto clutch fits cub cadet gt 1054 1997 to 1999 walker mt wiring schematic key ...
Exmark Lazer Z key switch would turn engine over. Pull up the parts manual and look at the wiring diagrams, the yellow wire goes to the start. Find product manuals for Exmark mowers and lawn care equipment from and before.It is easy for all of us to over complicate even the most straight-forward service and maintenance tasks.
Exmark Lazer Z 60 Wiring Diagram. By Admin | August 3, 2018. 0 Comment. Exmark lazer z as s n 850 000 919 999 electrical diagram schematics kawasaki ignition switch hp 565 user manual page 41 48 original mode e series 312 50 60 ing fuse lawnsite is the largest and most active online forum serving green industry professionals lz23kc604 252 259 ...
LAZER Z ® E-SERIES For Serial Nos. 315,000,000 & Higher Lazer Z (LZE) Units PartNo. 4502-375Rev. A L
Equipped with the UltraCut Rear Discharge cutting system, the Lazer Z S-Series strikes the perfect balance of value, performance and versatility. Deck widths from 60" to 72" As low as $14,499 / $267 mo USD
Big wires are right. For the small wires make sure the ground is on one side, and the signal wire on the other side. I dont know the machine so I dont know what wires are what. Just follow where they go to find out, or find the wiring diagram from the exmark site. The manual should be there.
exmark lazer z parts diagram is one of the pictures we found on the web from reliable sources. We choose to explore this exmark lazer z parts diagram image in this post just because according to data coming from Google search engine, It really is one of many best searches keyword on google.
exmark las25kc604 sn 670 000 719 999 [2007] parts diagram for kohler electrical group ch740 3347 wiring diagram kohler exmark tth 18kc exmark turf tracer walk behind mower 18hp kohler sn 1996 kohler mand wiring diagram exmark lzz34ka726 lazer z ac s n 790 000 & up parts diagram for engine group 23 27hp kohler view exmark lazer z wiring diagram kumpulan alamat grapari telkomsel dan alamat bank ...
Exmark mower part diagram 48 belt wiring hub lazer z get free image about oem spec replacement belt for exmark 706087 1 633127 lazer z 60 exmark pioneer s series mower overview shank lawn blog 48 inch parts belt diagram exmark drive belt diagram beautiful encore zero turn basic guide wiring of.
Oregon Exmark Exmark Lazer Z 52", 60", 72" Deck Mowers Parts Diagram. SWIPE SWIPE Previous BELT EXMARK 5/8 X 60" DECK BELT OEM #. This carried energy will turn the blades in an Exmark Lazer Z lawnmower. Modern drive belts are usually made from polyester, polyurethane, rubber, or a.diagramweb.net - Order Genuine eXmark Part (DECAL,BELT ROUTING).
Exmark LHP4819KA (SN 190,000-219,999) [1999] Exploded View parts lookup by model. Complete exploded views of all the major manufacturers. It is EASY and FREE
Exmark Lazer Z Wiring Diagram. Find product manuals for Exmark mowers and lawn care equipment from and before. Lazer Z Liquid-Cooled. Serial Number Range, Operator Manual. Exmark Lazer Z HP User Manual • Schematics, Electrical diagram — kohler, Ignition switch • Exmark Gardening equipment. Discover best Exmark Lazer Z images and ideas on ...
Details about exmark lazer z hp wiring diagram has been uploaded by Ella Brouillard and tagged in this category. In some cases, we may have to slightly change the style, color, or even equipment. We require a new thought for it then one of them is this exmark lazer z hp wiring diagram. schematron.org: exmark ignition switch. From The Community.
Exmark zero turn riding mower operating manual frontrunner. Exmark Parts Diagram Wiring Diagram Frontier Wiring Diagram Scag. Exmark Qst20be422 Exmark 42 Quest Zero Turn Mower 20hp Briggs. Exmark Lazer Wiring Diagram Electronic Schematics Collectionsexmark.
    
    
    
    
    
    
    
    
    
    
    
    
    
    
    
    
    
    
    
    
    
    
    
    
    
    
    
    
    
    
    
    
    
0 Response to "42 exmark lazer z wiring diagram"
Post a Comment