Iklan 300x250

43 john deere snowblower parts diagram

Search and buy parts for your John Deere equipment including ag parts, lawn mower parts, maintenance parts, and more. Search our parts catalog, view operator’s manuals, or find your equipment’s quick reference guide.

The John Deere 48 mower deck belt pattern diagram can be obtained from most John Deere dealerships. Many times when you purchase the belt the parts store will give you a belt pattern diagram. You can double the rope into a loop, put loop into hook of spring, grab both ends to extend, seat spring in deck shell, release one of the ends and ease ...

Find all the John Deere Snow Blower Parts and Accessories you need, with fast shipping and low prices!

John deere snowblower parts diagram

John deere snowblower parts diagram

26/09/2017 · john deere d140 parts diagram is among the photos we found on the online from reliable resources. We attempt to discuss this john deere d140 parts diagram photo here because based on facts from Google engine, Its one of many best searches keyword on the internet. And that we also consider you arrived here were looking

John Deere Parts Lookup -John Deere-826 1032 Walk Behind Snow Blowers -PC1250 1979 P826H095001-P826H120000 1979 (P032H095001-P032H120000) 826 1032 Walk Behind Snow Blowers -PC1250 1980 P826J120001-P826J155000 1980 (P032J120001-P032J155000) 826 1032 Walk Behind Snow Blowers -PC1250 1981 P826

John Deere PARTS LOOKUP John Deere Parts Diagrams, John Deere 2020 TRACTOR -PC0971 Due to the employee strike at John Deere, we are not receiving estimated in stock dates for all parts and equipment. John Deere PARTS LOOKUP John Deere Parts Diagrams, John Deere D105 100 Series Tractor 20% Off Your Lowe's Advantage Card Purchase: Accounts ...

John deere snowblower parts diagram.

John Deere Attachments/Parts SOLD Separately: 42-in bagger 623859, 42-in mulch kit 228462, front bumper 158603, tow-behind cart 317783, lawn sweeper 538134, 46-in front blade 232032, 44-in snow blower 318310, lawn aerator 27064 20% Off Your Lowe's Advantage Card Purchase: Accounts Opened in Store: One-time 20% off discount is not automatic; you must ask cashier to apply discount (bar code ...

John Deere 47" Snowblower Parts are constructed with quality material and craftsmanship to ensure lasting durability. The 47" quick hitch snowblower fits John Deere garden and compact tractors with unique quick hitch and drive shafts depending on model. The 47 blower themselves are the same ...

John Deere Parts Lookup -John Deere-54-IN Snowblower -PC10426 2010 Model M054SBX010001- 54-IN Snowblower -PC10426

Description: John Deere 648M Quik Trak Mower Parts intended for John Deere 345 Parts Diagram, image size 410 X 410 px, and to view image details please click the image.. Truly, we have been remarked that john deere 345 parts diagram is being one of the most popular subject at this moment. So we attempted to identify some terrific john deere 345 parts diagram

John Deere Parts Lookup -John Deere-826D Walk-Behind Snowblower -PC2570 1997 Model M0826DX160001-170000 826D Walk-Behind Snowblower -PC2570 1998 Model M0826DX170001-180000 826D Walk-Behind Snowblower -PC2570 1999 Model MO826DX180001-190000 826D Walk-Behind Snowblower -PC2570 2000 Model MO82

Download PDF John Deere 724J Loader Parts Catalog Manual Part No: PC9155 (05-DEC-03) This is an Original John Deere Service And Repair Manual Which Contains High Quality Images, Circuit Diagrams and Instructions to Help You to Service And Repair Your Machine.

This quick parts reference guide will provide you with the most common John Deere L110 Lawn Tractor Parts 42 Mower Deck. These John Deere Lawn Tractor Parts may include: Tune Up Kit, Spark Plug, Mower Blades, Traction Drive Belt, Transmission Belt, Mower Drive Belt, Battery, and Air Filters. If you need help finding John Deere Lawn Tractor ...

Find parts & diagrams for your John Deere equipment. Search our parts catalog, order parts online or contact your John Deere dealer.

Replacement parts for the John Deere 14SB may be needed at any point in its lifetime, either as replacement parts in a routine service, because a part has become defective or simply because of old age! Parts are normally needed for the engine, steering, transmission, mower deck, electrical, PTO and mechanical systems.

John Deere PARTS LOOKUP John Deere Parts Diagrams, John Deere D105 100 Series Tractor John Deere Attachments/Parts SOLD Separately: 42-in bagger 623859, 42-in mulch kit 228462, front bumper 158603, tow-behind cart 317783, lawn sweeper 538134, 46-in front blade 232032, 44-in snow blower 318310, lawn aerator 27064

John Deere parts lookup tool and diagram is an incredible online source. It is a complete catalog that shows you detailed parts diagrams of every part of your machine. This online parts catalog is robust and easy to use. Searching for your John Deere parts online has never been easier. John Deere LT160 Parts Diagrams.

Attention Canadian customers, come and check out our new website at www.c-equipment.ca where all prices are in CAD$ Avis à nos clients Canadiens, venez voir notre nouveau site web au www. c-equipment.ca ou tous les prix sont en CAD$--- shipping is flat rate $5.99 --- orders over $45 ship for FREE ---

John Deere Snowblower 44

John deere snowblower 44" (1,12m) pulleys and drive belt ...

John Deere Parts Lookup -John Deere-TRS22, TRS24, TRX24, TRS26 & TRX26 WALK-BEHIND SNOWBLOWERS -PC2303.

John Deere 1028E (1696043) - John Deere 28

John deere 1028e (1696043) - john deere 28" snow thrower ...

Buy Genuine OEM John Deere parts for your John Deere L130 Lawn Tractor 44-IN 2-Stage Snowblower -PC9291 2007 Model M044SBH010001-020000 L130 Lawn Tractor 44-IN 2-Stage Snowblower -PC9291 2008 Model M044SBH020001- L130 Lawn Tractor 44-IN 2-Stage Snowblower -PC9291 and ship today!

Old John Deere snowblower, help finding parts | Snowblower Forum

Old john deere snowblower, help finding parts | snowblower forum

John Deere PARTS LOOKUP John Deere Parts Diagrams, John Deere 2020 TRACTOR -PC0971 John Deere Attachments/Parts SOLD Separately: 42-in bagger 623859, 42-in mulch kit 228462, front bumper 158603, tow-behind cart 317783, lawn sweeper 538134, 46-in front blade 232032, 44-in snow blower 318310, lawn aerator 27064 ...

MTD 190-990-190 45

Mtd 190-990-190 45" snow thrower attachment (1993) parts ...

John Deere Attachments/Parts SOLD Separately: 42-in bagger 623859, 42-in mulch kit 228462, front bumper 158603, tow-behind cart 317783, lawn sweeper 538134, 46-in front blade 232032, 44-in snow blower 318310, lawn aerator 27064 Due to the employee strike at John Deere, we are not receiving estimated in stock dates for all parts and equipment.

59 in John Deere snow blower | Green Tractor Talk

59 in john deere snow blower | green tractor talk

This quick parts reference guide will provide you with the most common John Deere LT160 Lawn Tractor Parts 42C Mower Deck. These John Deere Lawn Tractor Parts may include: Tune Up Kit, Spark Plug, Mower Blades, Traction Drive Belt, Transmission Belt, Mower Drive Belt, Battery, and Air Filters. If you need help finding John Deere Lawn Tractor ...

John Deere 928E (1695622) - John Deere 30

John deere 928e (1695622) - john deere 30" snow thrower (2009 ...

John Deere Parts Lookup -John Deere-1332DDE Walk-Behind Snowblower -PC2836.

John Deere 524D, 724D, 826D, 828D, 1032D Walk-Behind Snowblowers TM1612  Technical Manual PDF

John deere 524d, 724d, 826d, 828d, 1032d walk-behind snowblowers tm1612 technical manual pdf

John Deere 54 Blower Housing Parts Diagram. Easy to use parts schematics for buying parts from the housing group

John Deere Parts Diagrams, John Deere 724D Walk-Behind ...

John deere parts diagrams, john deere 724d walk-behind ...

John Deere Gator Wiring Diagram. Filter - engine 2 m r filtergator th 6×4 diesel - john deere - section 1 4×2 ts and tx. It has the Kawasaski FE290D motor. 6×4 and 6×4 Trail. Assortment of john deere gator wiring diagram. Wiring Diagram Sheets Detail. It really is supposed to help each of the common person in developing a suitable method.

Model 49 snowblower auger spins, but not with PTO | Weekend ...

Model 49 snowblower auger spins, but not with pto | weekend ...

[John Deere Tractor With Snowblower] - 9 images - need a 345 wiring diagram pdf please, john deere 59 snow blower attachment for a 4100 4200 4300,

John Deere 526 726 732 826 832 1032 Walk Behind Snow Blower ...

John deere 526 726 732 826 832 1032 walk behind snow blower ...

A Complete Listing Of All Parts Used On This Tractor Is Available Using Our Free Illustrated Parts Diagram Search Free Illustrated Parts Diagram Search . Manufacturing for the John Deere 115 lawn tractor began in 2002 and lasted through 2008. The 42″ mower deck is the only deck size that was manufactured for the John Deere 115 lawn tractor.

John Deere Parts Lookup -TRS22, TRS24, TRX24, TRS26 & TRX26 ...

John deere parts lookup -trs22, trs24, trx24, trs26 & trx26 ...

John deere 1032 snowblower! Clean, solid and ready! $435 (Or cash offer! NEW JOHN DEERE 47' 2-STAGE SNOW-BLOWER REINFORCEMENT PLATES - M131951. 4 john deere garden tractors for parts. John Deere PARTS LOOKUP. SNOW-BLOWER-WALK-BEHIND- Parts Diagram. 526, 726, 732, 826, 832 and 1032 Walk-Behind Snow Blowers; 826D WALK-BEHIND SNOWBLOWER.

John Deere 526 726 732 826 832 1032 Walk Behind Snow Blower ...

John deere 526 726 732 826 832 1032 walk behind snow blower ...

Snow Blower Paddles and Scraper Bars NOW IN STOCK! Couldn't find parts, then found this site - has everything I needed in stock and was shipped very quickly. Great diagrams to use. - Adam M. Due to the employee strike at John Deere, we are not receiving estimated in stock dates for all parts ...

I have a Deere 425 tractor with a 47 inch snow blower ...

I have a deere 425 tractor with a 47 inch snow blower ...

John Deere PARTS LOOKUP John Deere Parts Diagrams, John Deere D105 100 Series Tractor Due to the employee strike at John Deere, we are not receiving estimated in stock dates for all parts and equipment. John Deere PARTS LOOKUP John Deere Parts Diagrams, John Deere 2020 TRACTOR -PC0971 20% Off Your Lowe's Advantage Card Purchase: Accounts ...

John Deere Parts Lookup -524 SNOW BLOWER -PC2022

John deere parts lookup -524 snow blower -pc2022

John Deere Parts Diagrams, John Deere X300 Tractor Select Series. Electrical. Engine (FH491V) MM14827, MM14828. Engine (FS541V, FS600V) MM16396, MM16394. Front Blade. Fuel And Air. Labels and Optional Equipment. Material Collection System. Mower Deck and Lift Linkage W/ Belt Tensioner Handle, 38X inch.

32 - SNOW THROWER SUPPORT AND IDLER (38 INCH) [A22] EPC John ...

32 - snow thrower support and idler (38 inch) [a22] epc john ...

Steering Parts Diagram for John Deere G110, L100, L105, L107, L108, L110, L111, L118, L120, L130 Riding Lawn Tractors

Pin on JD Snowblower

Pin on jd snowblower

Find parts & diagrams for your John Deere equipment. Search our parts catalog, order parts online or contact your John Deere dealer.

John Deere 1330SE (1695812) - John Deere 30

John deere 1330se (1695812) - john deere 30" snow thrower ...

John Deere PARTS LOOKUP John Deere Parts Diagrams, John Deere D105 100 Series Tractor John Deere Attachments/Parts SOLD Separately: 42-in bagger 623859, 42-in mulch kit 228462, front bumper 158603, tow-behind cart 317783, lawn sweeper 538134, 46-in front blade 232032, 44-in snow blower 318310, lawn aerator 27064

John Deere Parts Diagrams, John Deere 724D Walk-Behind ...

John deere parts diagrams, john deere 724d walk-behind ...

John Deere Attachments/Parts SOLD Separately: 42-in bagger 623859, 42-in mulch kit 228462, front bumper 158603, tow-behind cart 317783, lawn sweeper 538134, 46-in front blade 232032, 44-in snow blower 318310, lawn aerator 27064 20% Off Your Lowe's Advantage Card Purchase: Accounts Opened in Store: One-time 20% off discount is not automatic; you must ask cashier to apply discount (bar code ...

Has JD redesigned the existing 47/54-inch front snow blower ...

Has jd redesigned the existing 47/54-inch front snow blower ...

John Deere Parts Lookup -John Deere-524 SNOW BLOWER -PC2022.

John Deere 520, 522 & 524 SNOW BLOWERS -PC2022 AUGER DRIVE ...

John deere 520, 522 & 524 snow blowers -pc2022 auger drive ...

Due to the employee strike at John Deere, we are not receiving estimated in stock dates for all parts and equipment.

John Deere 928E (1695622) - John Deere 30

John deere 928e (1695622) - john deere 30" snow thrower (2009 ...

Due to the employee strike at John Deere, we are not receiving estimated in stock dates for all parts and equipment.

John Deere 44 in. Snow Blower Attachment for 100 Series ...

John deere 44 in. snow blower attachment for 100 series ...

Replacement parts for the John Deere STX38 may be needed at any point in its lifetime, either as replacement parts in a routine service, because a part has become defective or simply because of old age! Parts are normally needed for the engine, steering, transmission, mower deck, electrical, PTO and mechanical systems.

John Deere 924DE, 1128DE, 1128DDE, 1332DDE Walk-Behind Snowblowers TM1867  Technical Manual PDF

John deere 924de, 1128de, 1128dde, 1332dde walk-behind snowblowers tm1867 technical manual pdf

44-inch Snow Blower Parts for X300. ... John Deere Snow Blower Storage Dollies - LP70692 (13) $129.99. Usually available. Add to Cart. Quick View. John Deere Snowblower Discharge Chute - AM144994 (2) $249.98. Usually available. John Deere Decals and Labels. 11,521 Parts. Give your John Deere new life with brand new OEM John Deere decals and labels.

John Deere Parts Diagrams, John Deere L130 Lawn Tractor 42-IN ...

John deere parts diagrams, john deere l130 lawn tractor 42-in ...

John Deere Trademark used with permission.

John deere 44 snowblower manual by Razvan Alexa - Issuu

John deere 44 snowblower manual by razvan alexa - issuu

john deere sabre parts diagram - here you are at our site. At this time we are pleased to announce that we have found an incredibly interesting niche to be reviewed, that is john deere sabre parts diagram. Most people searching for specifics of john deere sabre parts diagram and definitely one of them is you, is not it

Murray 1696043 - LP37057 - 1028E, 14.5TP 28

Murray 1696043 - lp37057 - 1028e, 14.5tp 28" dual stage snow ...

John Deere Attachments/Parts SOLD Separately: 42-in bagger 623859, 42-in mulch kit 228462, front bumper 158603, tow-behind cart 317783, lawn sweeper 538134, 46-in front blade 232032, 44-in snow blower 318310, lawn aerator 27064 Due to the employee strike at John Deere, we are not receiving estimated in stock dates for all parts and equipment.

John Deere Parts Lookup -826 1032 Walk Behind Snow Blowers ...

John deere parts lookup -826 1032 walk behind snow blowers ...

[Lawn Mower Service Center] - 9 images - 103 2991 oem exmark 60 inch ultra vac assembly, ariens 936056 960460023 01 46 hydro tractor parts,

34 John Deere 47 Snowblower Parts Diagram - Wiring Diagram Info

34 john deere 47 snowblower parts diagram - wiring diagram info

john deere lx172 lx176 lx178 lx188 gt242 gt262 complete 38" deck! - $175 (schwenksville) please read the entire listing.this is a nice shape 38" deck that was pulled from a john deere lx172 riding mower. the tractor had a blown motor, so i have personally not heard the deck run, but both spindles feel fine, and all pulleys spin nice and free!! deck has some minor paint peel in the f ...

47 - SNOW BLOWER (TRACTOR-MOUNTED) MOUNTING BRACKET AND ...

47 - snow blower (tractor-mounted) mounting bracket and ...

We are a full-service John Deere dealer with world-class after sale support in parts and service. We have a huge inventory of John Deere Parts in stock and place/receive orders for parts every day. Our inventory of power equipment parts is probably the widest in the industry, which allows us to offer quick response times and to give 'real' pictures of thousands of parts to make your …

Chute Diagram - John Deere 47/54 Snow Blower

Chute diagram - john deere 47/54 snow blower

Due to the employee strike at John Deere, we are not receiving estimated in stock dates for all parts and equipment. John Deere PARTS LOOKUP John Deere Parts Diagrams, John Deere 2020 TRACTOR -PC0971 John Deere Attachments/Parts SOLD Separately: 42-in bagger 623859, 42-in mulch kit 228462, front bumper 158603, tow-behind cart 317783, lawn sweeper 538134, 46-in front blade 232032, 44-in snow ...

John Deere 1032D Walk-Behind Snowblower -PC2520 1996 Model ...

John deere 1032d walk-behind snowblower -pc2520 1996 model ...

John Deere 1032d Snowblower; John Deere 1032 Parts Diagram; John Deere 54 Snowblower Manual; MOTOALL Adjustable Carburetor Tune up kit for John Deere AM134818 AM38161 AM100941 AM108412 AM108405 321 526 726 732 824 826 828 1026 1028 1032 TRS22 TRS24 TRS26 TRS27 TRS32 TRX24 TRX26 TRX27 TRX32. John deere 826 snowblower service manual Click here to ...

Murray 1695808 - LP25938 - 1028E, 14.5TP 28

Murray 1695808 - lp25938 - 1028e, 14.5tp 28" dual stage snow ...

John Deere Attachments/Parts SOLD Separately: 42-in bagger 623859, 42-in mulch kit 228462, front bumper 158603, tow-behind cart 317783, lawn sweeper 538134, 46-in front blade 232032, 44-in snow blower 318310, lawn aerator 27064 Due to the employee strike at John Deere, we are not receiving estimated in stock dates for all parts and equipment.

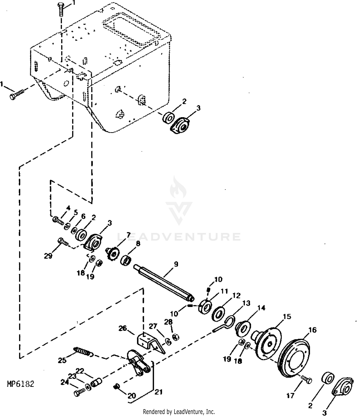
John Deere 47

John deere 47" quick hitch snowblower parts

John Deere 54" Snow Blower Parts are engineered to handle the rigorous job of snow removal in the toughest conditions. The 54" QH snowblower is found on a wide range of garden and compact tractor models, each model uses a unique quick hitch and driveshaft but the parts for the blower itself ...

John Deere NR 44-IN 2-STAGE SNOW THROWER in the Attachment ...

John deere nr 44-in 2-stage snow thrower in the attachment ...

John Deere Parts Lookup -John Deere-828D Walk-Behind Snowblower -PC2520. ... Belts & Sheaves: CONTROLS,HOUSING,AUGERS,DRIVE TRAIN,.

JD Snowblower

Jd snowblower

John Deere 1032d Snowblower Manual; John Deere Snow Blower Parts John Deere Snow Blower Parts: Jack's is your place! We have the John Deere Snow Blower Parts you need, with fast shipping and great prices. For power equipment parts and accessories, think Jack's! Find parts & diagrams for your John Deere equipment.

Model 49 Snowblower Spring | My Tractor Forum

Model 49 snowblower spring | my tractor forum

John Deere Parts Lookup -John Deere-924DE Walk-Behind Snowblower -PC2836 2001 Model M0924DX200001-210000 924DE Walk-Behind Snowblower -PC2836 2002 Model ...

JD Snowblower

Jd snowblower

Buy the Husqvarna 960 43 03-19. Backordered at Power Equipment Direct. Also, read the latest reviews for the Husqvarna TS 348XD (48") 24HP Kawasaki Garden Tractor

John deere 44 inch snowblower parts diagram by DonnaDias4145 ...

John deere 44 inch snowblower parts diagram by donnadias4145 ...

John deere 345 brake safety switch location. John deere 345 brake safety switch location. John deere 345 brake safety switch location ...

49 snow thrower parts questions | Weekend Freedom Machines

49 snow thrower parts questions | weekend freedom machines

Download john deere trs-24 manual | Diigo Groups

Download john deere trs-24 manual | diigo groups

Auger Parts Diagram - John Deere 47 Snowbower

Auger parts diagram - john deere 47 snowbower

chain replacement DIY, 47 inch JD snowblower | My Tractor Forum

Chain replacement diy, 47 inch jd snowblower | my tractor forum

0 Response to "43 john deere snowblower parts diagram"

Post a Comment

Iklan Atas Artikel

Iklan Tengah Artikel 1

Iklan Tengah Artikel 2

Iklan Bawah Artikel