Iklan 300x250

45 mtd snow thrower parts diagram

MTD Parts carries snow blower parts for Troy-Bilt, Yard Machines, Craftsman, Yard-Man, Remington, Bolens and many more. Browse our wide selection of snow blower ...

MTD 31AS611D129 Snow Blower Parts ; 1. Hex Washer Head Screw. $3.28 ; 2. Bracket-Guide Drive · $5.51 ; 3. Guide Bracket, Auger Cable · $5.77 ; 4. Cable Guide. $7.39.

MTD Snow Blower Parts. Auger Parts · Axles · Bearings & Bushings · Belts · Camshaft · Carburetors and Parts - 4-Cycle · Clips · Connecting Rods · Dipstick ...

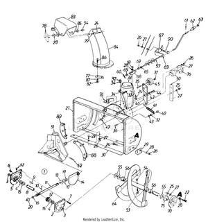
Mtd snow thrower parts diagram

Mtd snow thrower parts diagram

Find the replacement parts you need to keep your lawn mower, snow blower and other outdoor power equipment performing strong and running like new.

315E640F000 - MTD Snow Thrower (1995) Parts & Diagrams Parts Lists & Diagrams. Snow Thrower. Recommended Parts Show. 710-0890 - Shear Bolt, 5/16"-18 X 1.50".

May 23, 2012 — MTD LLC, P.O. BOX 361131 CLEVELAND, OHIO 44136-0019. Printed In USA. ILLUSTRATED PARTS MANUAL. 600-Series Snow Throwers. Form No. 769-08145.68 pages

Mtd snow thrower parts diagram.

Matches 1 - 50 of 1000 — MTD parts and MTD parts diagrams ... The parts diagram will open as a pdf file in a new window. ... 140 thru172 MTD Snow Thrower

kitchen sink accessories franke kitchen systems, franke basis bfg611 78 fragranite onyx kitchen sink sinks,

It's suggested by paperwork in the best field. We endure this kind of Cub Cadet Parts Schematic graphic could be the most trending subject following give it for Google lead or Facebook. We try to introduce it in this posting previously this may be one of marvelous suggestions for any Cub Cadet Parts Schematic options.

Find genuine MTD oem parts for your lawn and outdoor equipment! ... of our popular links to find parts for your equipment. Part Finder; Shop Parts; Diagrams ...

Yard Machines Snow Blower E6C0F User Guide | ManualsOnline.com

Yard machines snow blower e6c0f user guide | manualsonline.com

MTD 317-140-000 ILLUSTRATED PARTS LIST Pdf Download | ManualsLib

Mtd 317-140-000 illustrated parts list pdf download | manualslib

Ryobi 317E760F118 (1997) Parts Diagrams

Ryobi 317e760f118 (1997) parts diagrams

MTD 317-840-050 - MTD Snow Thrower (1987) (AAFES) Snow ...

Mtd 317-840-050 - mtd snow thrower (1987) (aafes) snow ...

YARD MACHINES 611 OPERATOR'S MANUAL Pdf Download | ManualsLib

Yard machines 611 operator's manual pdf download | manualslib

MTD Snowblower | 31AE640F000 | eReplacementParts.com

Mtd snowblower | 31ae640f000 | ereplacementparts.com

MTD 315E640F000 gas snowblower parts | Sears PartsDirect

Mtd 315e640f000 gas snowblower parts | sears partsdirect

Details about Vintage 1978 MTD 36

Details about vintage 1978 mtd 36" snow thrower attachment illustrated parts list model 62527

MTD 31AE5HTG799 gas snowblower parts | Sears PartsDirect

Mtd 31ae5htg799 gas snowblower parts | sears partsdirect

Discontinued part help | Snowblower Forum

Discontinued part help | snowblower forum

MTD 315-611D352 (1995) Snow Thrower | PartsWarehouse

Mtd 315-611d352 (1995) snow thrower | partswarehouse

Craftsman snowblower Parts Manual 944.525250

Craftsman snowblower parts manual 944.525250

MTD Snowblower | 31AE600E022 | eReplacementParts.com

Mtd snowblower | 31ae600e022 | ereplacementparts.com

MTD Snowblower | 314-640F000 | eReplacementParts.com

Mtd snowblower | 314-640f000 | ereplacementparts.com

Troy-Bilt Snow Blower - Model 31AM63P2766 | Troy-Bilt US

Troy-bilt snow blower - model 31am63p2766 | troy-bilt us

Ryobi 317E640F000 (1997) Parts Diagrams

Ryobi 317e640f000 (1997) parts diagrams

MTD Snow Blower | 315E740F000 | eReplacementParts.com

Mtd snow blower | 315e740f000 | ereplacementparts.com

Details about Orig 1976 MTD Snow Thrower Snowblower Parts List Models  55038, 55082, 60-3976-T

Details about orig 1976 mtd snow thrower snowblower parts list models 55038, 55082, 60-3976-t

MTD 316E753F701 (1996) Parts Diagram for Track & Frame Assembly

Mtd 316e753f701 (1996) parts diagram for track & frame assembly

mtd yardman wiring diagram 26 wiring diagram images | Diagram ...

Mtd yardman wiring diagram 26 wiring diagram images | diagram ...

Ryobi MTD Snowflite 316-800-205 Parts Diagrams

Ryobi mtd snowflite 316-800-205 parts diagrams

MTD OEM-190-823 - MTD 42

Mtd oem-190-823 - mtd 42" 2-stage snow thrower (2001) parts ...

MTD MTD Mdl 310-588-031/2828-556 Parts

Mtd mtd mdl 310-588-031/2828-556 parts

MTD 312-640F098 - MTD Snow Thrower (1992) (Western Auto ...

Mtd 312-640f098 - mtd snow thrower (1992) (western auto ...

MTD 31A 150 000 User Manual SINGLE STAGE SNOW THROWER Manuals ...

Mtd 31a 150 000 user manual single stage snow thrower manuals ...

MTD 315-611D352 (1995) Snow Thrower | PartsWarehouse

Mtd 315-611d352 (1995) snow thrower | partswarehouse

MTD 31AE640F352 OPERATOR'S MANUAL Pdf Download | ManualsLib

Mtd 31ae640f352 operator's manual pdf download | manualslib

MTD Snowblower | 31AE6GLF722 | eReplacementParts.com

Mtd snowblower | 31ae6glf722 | ereplacementparts.com

Details about YARD MACHINES BY MTD 800 SERIES SNOW THROWER OPERATORS MANUAL  WITH PARTS LIST

Details about yard machines by mtd 800 series snow thrower operators manual with parts list

MTD 315E640F000 - MTD Snow Thrower (1995) Parts Lookup with ...

Mtd 315e640f000 - mtd snow thrower (1995) parts lookup with ...

MTD 31AS6FEF729 User Manual SNOW THROWER Manuals And Guides ...

Mtd 31as6fef729 user manual snow thrower manuals and guides ...

Details about Yard Machnes MTD Snow Thrower Model Series 611 Owners Manual  Parts List

Details about yard machnes mtd snow thrower model series 611 owners manual parts list

SOLVED: Need do to see the belt diagram for MTD Model - Fixya

Solved: need do to see the belt diagram for mtd model - fixya

MTD 315E640F000 - MTD Snow Thrower (1995) Parts Lookup with ...

Mtd 315e640f000 - mtd snow thrower (1995) parts lookup with ...

Yard Machines 22

Yard machines 22" two-stage snow thrower - 31a-3aad752 | mtd ...

MTD 311-192-190 Snow Boss 400 (1991) Parts Diagram for Snow ...

Mtd 311-192-190 snow boss 400 (1991) parts diagram for snow ...

MTD Snowblower | 311-181-118 SWC# 05372 | eReplacementParts.com

Mtd snowblower | 311-181-118 swc# 05372 | ereplacementparts.com

Ryobi MTD Snowflite 316-800-205 Parts Diagrams

Ryobi mtd snowflite 316-800-205 parts diagrams

MTD Parts Lookup -317E644E129 (1997)

Mtd parts lookup -317e644e129 (1997)

MTD Snow Thrower | 31AE6LFH718 | eReplacementParts.com

Mtd snow thrower | 31ae6lfh718 | ereplacementparts.com

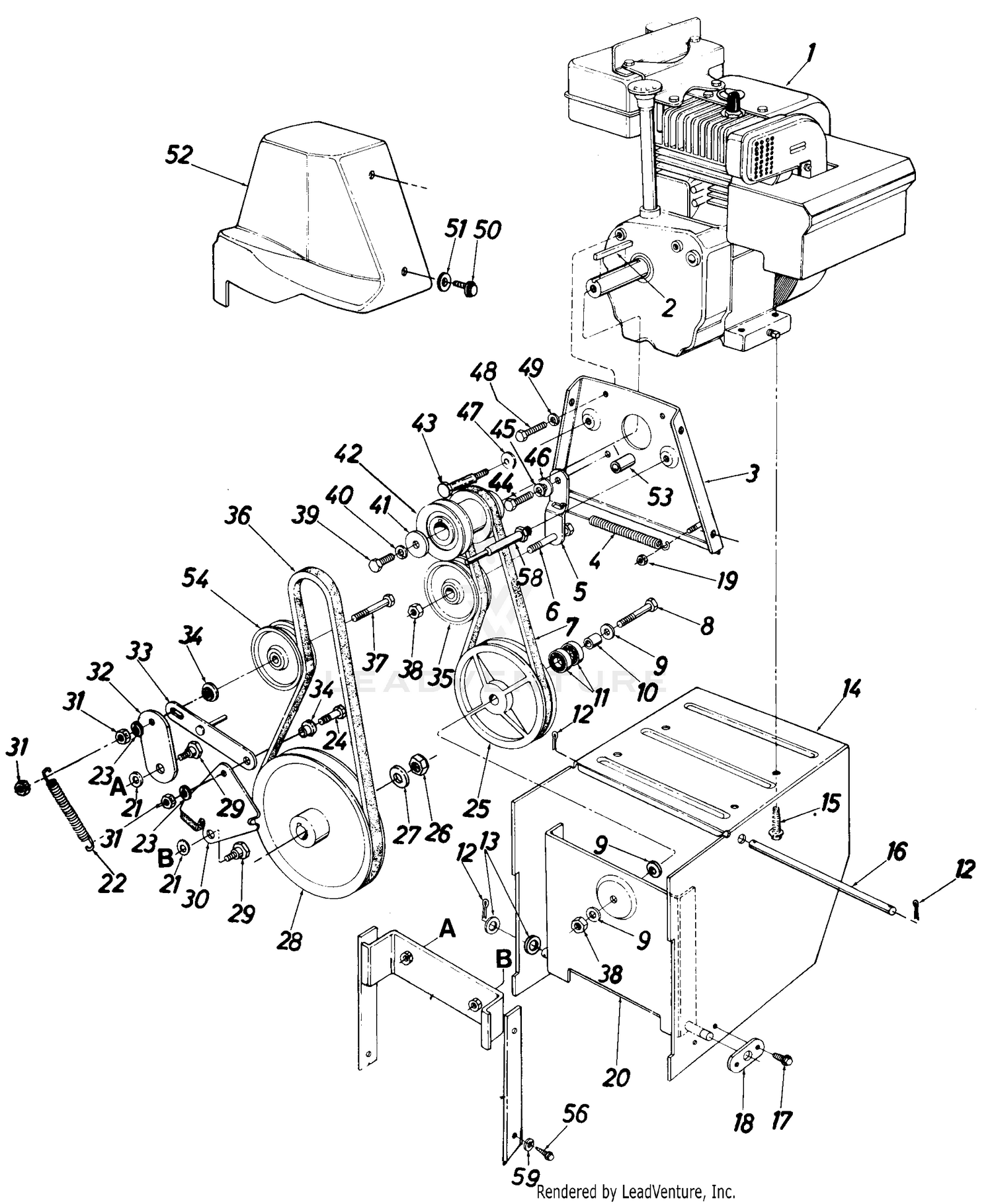
MTD 313-660G000 (1993) Parts Diagram for Engine And Pulley ...

Mtd 313-660g000 (1993) parts diagram for engine and pulley ...

MTD 31AS6FEF729 User Manual SNOW THROWER Manuals And Guides ...

Mtd 31as6fef729 user manual snow thrower manuals and guides ...

Yard Machines 26

Yard machines 26" two-stage snow thrower

MTD 314-610E000 (1994) Snow Thrower | PartsWarehouse

Mtd 314-610e000 (1994) snow thrower | partswarehouse

0 Response to "45 mtd snow thrower parts diagram"

Post a Comment

Iklan Atas Artikel

Iklan Tengah Artikel 1

Iklan Tengah Artikel 2

Iklan Bawah Artikel