Iklan 300x250

42 john deere x300 deck belt diagram

48-inch 48C Mower Deck Parts for X300 - GreenPartStore 48-inch 48C Mower Deck Parts for X300. ... John Deere Primary Deck Drive Belt - M154897 (4) $38.11. Usually available. Add to Cart. Quick View. John Deere Primary Deck Drive Belt - M172924 (0) $47.19. Not for Sale. Quick View. John Deere Primary Jacksheave Pulley - M157175 (0) $44.58. John Deere Parts Diagrams, John Deere X300 Tractor Select ... John Deere Parts Diagrams, John Deere X300 Tractor Select Series 42X inch Mower Deck -PC9519 . Adapter 48C: Material Collection System. Air Filter FH491V: Fuel & Air. ... Mower Deck & Lift Linkage W/ Belt Tensioner. Gage Wheel Extension Kit,38X / 42X / 42M inch: Mower Deck & Lift Linkage W/ Belt Tensioner ...

Mower Deck Drive Belt for X300 and X500 Series with 54 ... The belt cover material ensures smooth engagement for reduced stress on belt and equipment. Use John Deere belts for the best life and performance. Fits On: X300 Series X380 with 54 Deck X384 with 54 Deck X390 with 54 Deck X500 Series X570 with 54 Deck X580 with 54 Deck X584 with 54 Deck X590 with 54 Deck ( Serial No. 110,001 - )

John deere x300 deck belt diagram

John deere x300 deck belt diagram

ARIMain - Weingartz X300 Tractor Select Series (With 42M inch Mower Deck) -PC9519. Motor & Pump Shaft Assembly: Power Train MM14502,MM15511,MM15552. X300 Tractor Select Series (With 42M inch Mower Deck) -PC9519. Mounting Bracket & Hardware,7 Bushel,42A / 42M / 48A inch For Canada and USA: Material Collection System. John Deere V-Belt M154621 - John Deere x300 Belt - Green ... John Deere Deck Drive Belt M154621For Select and EZtrak Series with 42" and 48" DecksJohn Deere Belts are designed to fit providing for the longer belt and machine life. Since they are built from quality material, they withstand the toughest conditions. Their flexible cores allow for proper routing so they stay in the pulley groove. The belt cover material ensures smooth engagement for reduced ... How To Put A Belt On A John Deere Lawn Mower Step By Step? Clean The Deck. Once the deck section and old belts are off, blow compressed air to eliminate the excess debris. Wrap The Belt. According to the John Deere lawnmower diagram, if you're satisfied with the cleaning, feed your new belt around the pulley. Take Off The Belts (If Needed) Some of the pulleys might be a bit stubborn to deal with.

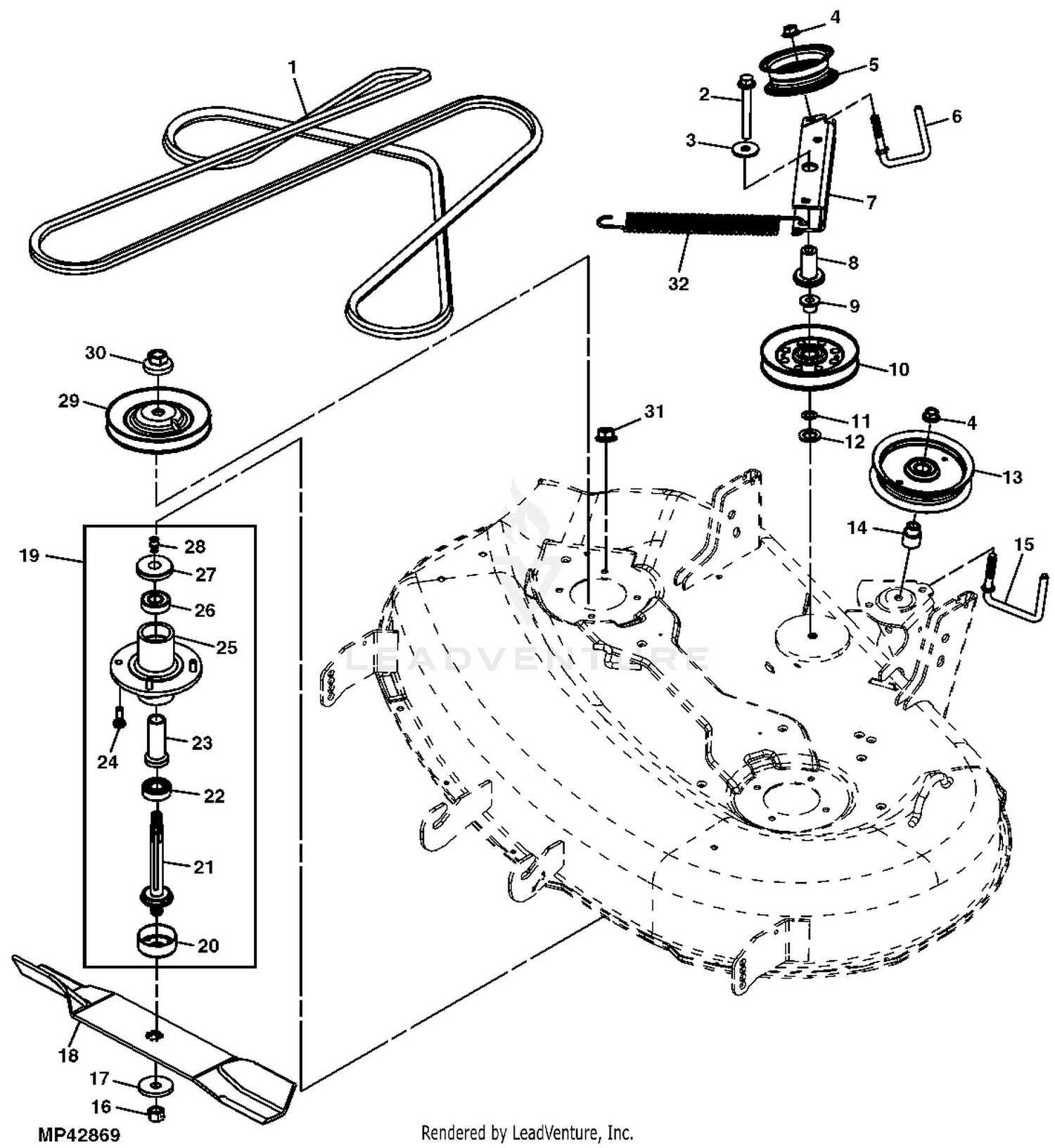
John deere x300 deck belt diagram. John Deere 48 Edge Mower Deck Parts Diagram - Diagram ... It all started when john deere moved from vermont to illinois. 48 john deere mower deck only. Select series x300 tractor with 42x edge xtra deck. John deere 42 edge mower deck parts. John deere parts catalog download. Before tractor serial number 150,000. New john deere mower deck features a. 19 results for john deere 48 mower deck parts. John Deere Parts Diagrams, John Deere X300 Tractor Select ... John Deere Parts Diagrams, John Deere X300 Tractor Select Series. Electrical. Engine (FH491V) MM14827, MM14828. Engine (FS541V, FS600V) MM16396, MM16394. Front Blade. Fuel And Air. Labels and Optional Equipment. Material Collection System. Mower Deck and Lift Linkage W/ Belt Tensioner Handle, 38X inch. John Deere X300 Wiring Diagram John Deere Select Series. X Tractors PIN ( -). Introduction · Thank You for Purchasing a John Deere Product · Using . This link will send you to the illustrated parts list on the john deere site. It shows the belt routing in the part diagram. Hope this solves your.For a year or so I've been having an intermittent starting problem with my John ... 42-inch 42 Mower Deck Parts for X300 - GreenPartStore 42-inch 42 Mower Deck Parts for X300 - Before tractor serial number 150,000 Without belt tensioner handle. ... John Deere Deck Drive Belt - M154621 (21) $56.51. Usually available. Add to Cart. Quick View. John Deere Discharge Chute Hinge - M155988 (1) $6.16. Usually available.

John Deere 48c Mower Deck Belt Diagram X350, 48-in. Deck | X300 Select Series - John Deere CA The John Deere LT166 is equipped with manual steering, open operator station and 7.5 liters (2 US gal.; 1.6 Imp. gal) fuel tank. Following attachments are available for the JD LT166 lawn tractor: Mid-mount John Deere 38: 38 in (960 mm) mower John Deere X300 42 Inch Deck Belt - deck rebuild kit blade ... Here are a number of highest rated John Deere X300 42 Inch Deck Belt pictures upon internet. We identified it from reliable source. Its submitted by handing out in the best field. We assume this nice of John Deere X300 42 Inch Deck Belt graphic could possibly be the most trending subject next we allowance it in google improvement or facebook. John Deere X300 Wiring Diagram - IOT Wiring Diagram John Deere X300 X304 X310 X320 X324 X340 X360 Select Series Tractor Technical Service Manual Tm2308 Truck. John Deere X300 Will Not Shut Off. Need A Wiring Diagram For 300 Weekend Freedom Machines. John Deere X300 Lawn Tractor Service Repair Manual By 163114103 Issuu. John Deere X300 Tractor Select Series 48x Inch Mower Deck Pc9519 Wiring ... John Deere X300 (42" Edge Deck) Riding Lawn ... - V-Belt Guys John Deere X300 (42" Edge Deck) Riding Lawn Mower Replacement Belt Original Equipment Manufacturer John Deere OEM Part Number M154621 Machine Riding Lawn Mower Model X300 (42" Edge Deck) Belt Type 4LK/AK Aramid VBG Replacement Id APPL674196 Technical Specifications: (Inches) (mm) Outside Circumference 146.00 3708.40 Top Width 0.50 12.70 Belt

Amazon.com: john deere x300 deck belt Kuumai Lawn Mower Tractor Cutting Deck Belt 5/8 Inch X111 Inch for John Deere Scotts Sabre M110313 M154958 320 325 355D X300 X304 48" Deck, Cub Cadet 754-04055 954-04055. 4.5 out of 5 stars. 26. $23.99. PDF Belt Diagram For John Deere D140 - homes.onlineathens.com 31 John Deere 214 Belt Diagram - Wiring Diagram List John deere l120 mower deck belt diagram. Enjoy the john deere 48 in. Besides the part numbers and codes for john deere. John deere mower deck front draft arm gx20497 34 1562. The prices you see there are the current prices of the current partsthe original image is part of the 48 mower deck. John Deere D130 42 Inch Deck Belt Diagram | vincegray2014 John Deere Ztrak 737 Belt Diagram. Mtd Yard Machine 42 Inch Deck Belt Diagram. Craftsman 42 Inch Mower Deck Belt Diagram. Craftsman 54 Inch Mower Deck Belt Diagram. Troy Bilt 50 Inch Deck Belt Diagram. Husqvarna 48 Inch Mower Deck Belt Diagram. John Deere La120 Automatic Belt Diagram. John Deere D105 Transmission Belt Diagram. Change Mower Deck Belt for John Deere x300 310 350 etc ... Quick how-to guide to quickly change the belt on the X300 series John Deere lawn tractors with the 2-blade 42 inch deck. I talk through the belt change, bec...

Diagram for drive belt for la145 john deere mower - Fixya

Diagram for drive belt for la145 john deere mower - Fixya

John Deere X300 Lawn Tractor Parts - Mutton Power John Deere X300 Parts. The John Deere X300 was manufactured from 2006 to 2015 with a cosmetic update in 2013. The John Deere X300 riding tractor came equipped with either a 38", 42" or 48" mower deck. The 38 and 42 inch mower decks use a two blade system whereas the 48 inch model uses a three blade system.

John Deere X300 Tractor Select Series 38X inch Mower Deck ...

John Deere X300 Tractor Select Series 38X inch Mower Deck ...

John Deere X320 Drive Belt Diagram - Diagram Niche Ideas Deck drive belt is designed to replace your john deere riding mower drive belt. Illustrated diagrams included in the john deere service manual pdf. Offer valid at participating john deere dealers in the united states and johndeerestore.com. Fits john deere x300, x304, x320, x324 and x360.

John Deere 42

John Deere 42" Mulching Deck, 38" & 42" Standard Deck | Small ...

John Deere X500 Belt Diagram - Diagram World John Deere X500 Select Series. John deere x500 belt diagram. After tractor serial number 150001 without belt tensioner handle. Replace worn and damaged belts immediately. Replacing belt on a x300 john deere lawn tractor. X340 X500 X520 X534 and X540 with 54 deck. GX255 GX325 GX335 GX345 GX355 and LX280 with 54C deck.

Mower Deck Drive Belt for X300 Series with 42

Mower Deck Drive Belt for X300 Series with 42" Mulch Deck

John Deere Parts Diagram & Parts Search • John Deere Parts ... John Deere AG, Lawn & Garden and CWP Equipment Parts Search. John Deere parts lookup tool and diagram is an incredible online source. It is a complete catalog that shows you detailed parts diagrams of every part of your machine. This online parts catalog is robust and easy to use. Searching for your John Deere parts online has never been easier.

Z335E 42-in. Deck | Z300 Series ZTrak™ Mowers | John Deere US

Z335E 42-in. Deck | Z300 Series ZTrak™ Mowers | John Deere US

John Deere X300 Wiring Diagram - Wiring Diagram Line John Deere X300 Wiring Diagram Wiring Diagram Line Wiring Diagram ... tm2308 truck will not shut off a wiring diagram for 300 weekend freedom machines lawn by 163114103 issuu 48x inch mower deck pc9519 harness 220001 jd book finney equipment and parts x300r x305r riding all inclusive tm1696 question aout hour meters belt drive idlers 040000 ...

X300 Drive Belt | My Tractor Forum

X300 Drive Belt | My Tractor Forum

STENS OEM Replacement Belt for John Deere X300 and X304 ... Specs: OEM replacement belt, belt application deck, belt type covered, length 146 1/4 in., width 1/2 in., packaging type branded sleeve; Replaces OEM number: John Deere M154621; Fits: John Deere X300 and X304 with 42 in. deck with tension handle and Z245 with 48 in. deck

John Deere L&G Belt Routing Guide | My Lawnmower Forum

John Deere L&G Belt Routing Guide | My Lawnmower Forum

How to Install a Mower Deck Belt on a John Deere X300 ... How to install a mower deck belt on a John Deere X300 with a 42" Edge mower deck.How to operate John Deere X300 link .

How to replace the pulley on my LX 186 John Deere mower on ...

How to replace the pulley on my LX 186 John Deere mower on ...

John Deere X300 Replacement Belt - john deere mower deck ... John Deere X300 Replacement Belt - 9 images - 26 john deere 185 hydro deck belt diagram wiring, 34 john deere z425 drive belt diagram wiring diagram list,

John Deere X300 Tractor Select Series 48X inch Mower Deck ...

John Deere X300 Tractor Select Series 48X inch Mower Deck ...

John Deere 42X Complete Mower Deck Fits X300 Series ... New Complete 42X deck for the X300 X500 Series lawn tractors. 42-in. Edge Xtra Mower deck provides the performance advantages of a two-spindle mower in a wide 42-in. (1067-mm) size. The strength of the deck is enhanced by the top-discharge design. A section of material below the discharge opening ties the front and rear of the deck together.

X300 - 42-in. Edge Mower Deck

X300 - 42-in. Edge Mower Deck

John Deere X300 Mower Drive Belt Replacement | vincegray2014 Aug 28, 2021 · John Deere X300 Traction Drive Belt Diagram. John Deere D170 Drive Belt Replacement. John Deere La145 Drive Belt Replacement. John Deere E100 Drive Belt Replacement. John Deere D105 Auto Drive Belt Replacement. Ferris Mower Drive Belt Replacement. John Deere L110 Drive Belt Diagram. John Deere E100 Drive Belt Diagram.

John Deere X300 Tractor Select Series (With 42M inch Mower ...

John Deere X300 Tractor Select Series (With 42M inch Mower ...

John Deere X300 belt breakage - Houzz John Deere X300 belt breakage. HU-459600917. last year. After several years of belt issues on the X300, I may have discovered my issue! I had replaced all pulleys, spindles, spring, etc plus adding the Deere belt guides that were never in place, 3 of them. This week, I put a new belt on and was sharpening the blades,

John Deere X300 Tractor Select Series (With 42M inch Mower ...

John Deere X300 Tractor Select Series (With 42M inch Mower ...

How To Put A Belt On A John Deere Lawn Mower Step By Step? Clean The Deck. Once the deck section and old belts are off, blow compressed air to eliminate the excess debris. Wrap The Belt. According to the John Deere lawnmower diagram, if you're satisfied with the cleaning, feed your new belt around the pulley. Take Off The Belts (If Needed) Some of the pulleys might be a bit stubborn to deal with.

SOLVED: Belt diagram for john deere 115 - Fixya

SOLVED: Belt diagram for john deere 115 - Fixya

John Deere V-Belt M154621 - John Deere x300 Belt - Green ... John Deere Deck Drive Belt M154621For Select and EZtrak Series with 42" and 48" DecksJohn Deere Belts are designed to fit providing for the longer belt and machine life. Since they are built from quality material, they withstand the toughest conditions. Their flexible cores allow for proper routing so they stay in the pulley groove. The belt cover material ensures smooth engagement for reduced ...

How To Replace Deck Belt John Deere X320 Riding Mower BELT FOR MOWER BLADES  KEEPS COMING OFF M154958

How To Replace Deck Belt John Deere X320 Riding Mower BELT FOR MOWER BLADES KEEPS COMING OFF M154958

ARIMain - Weingartz X300 Tractor Select Series (With 42M inch Mower Deck) -PC9519. Motor & Pump Shaft Assembly: Power Train MM14502,MM15511,MM15552. X300 Tractor Select Series (With 42M inch Mower Deck) -PC9519. Mounting Bracket & Hardware,7 Bushel,42A / 42M / 48A inch For Canada and USA: Material Collection System.

Pin on logan

Pin on logan

Clutch for X300, X500, Z200 and Z400 Series

Clutch for X300, X500, Z200 and Z400 Series

SOLVED: How to replace drive belt on john deere model 345 - Fixya

SOLVED: How to replace drive belt on john deere model 345 - Fixya

John Deere decks by crigby

John Deere decks by crigby

X350, 42-in. Deck | X300 Select Series Lawn Tractor | John ...

X350, 42-in. Deck | X300 Select Series Lawn Tractor | John ...

John Deere decks by crigby

John Deere decks by crigby

SOLVED: John deere traction drive belt diagram for x304 - Fixya

SOLVED: John deere traction drive belt diagram for x304 - Fixya

John Deere 48C/54C Double Pulley Repair (X300 & X500 series ...

John Deere 48C/54C Double Pulley Repair (X300 & X500 series ...

Need Help - Belt Rubbing on Mower Deck | Green Tractor Talk

Need Help - Belt Rubbing on Mower Deck | Green Tractor Talk

X350, 42-in. Deck | X300 Select Series Lawn Tractor | John ...

X350, 42-in. Deck | X300 Select Series Lawn Tractor | John ...

Changing the deck belt on a X300; Just the facts ma’am

Changing the deck belt on a X300; Just the facts ma’am

John Deere X300 (42

John Deere X300 (42" Edge Deck) Riding Lawn Mower Replacement Belt

John Deere X300 Tractor Select Series (With 42M inch Mower ...

John Deere X300 Tractor Select Series (With 42M inch Mower ...

F1145 front deck, thowing belt instantly | My Tractor Forum

F1145 front deck, thowing belt instantly | My Tractor Forum

Deere X300 Burned a plastic disk??? | My Tractor Forum

Deere X300 Burned a plastic disk??? | My Tractor Forum

John Deere X300 Tractor Select Series 48X inch Mower Deck ...

John Deere X300 Tractor Select Series 48X inch Mower Deck ...

How to change a belt on a John Deere x350 Mower

How to change a belt on a John Deere x350 Mower

John Deere Mower Deck Idler Pulley - Fits X300 - 38'' & 42'' - X320 48''  only

John Deere Mower Deck Idler Pulley - Fits X300 - 38'' & 42'' - X320 48'' only

John Deere decks by crigby

John Deere decks by crigby

adjust sabre deck belt Questions & Answers (with Pictures ...

adjust sabre deck belt Questions & Answers (with Pictures ...

John Deere decks by crigby

John Deere decks by crigby

John Deere MOWER DECK AND LIFT LINKAGE MOWER DECK 46

John Deere MOWER DECK AND LIFT LINKAGE MOWER DECK 46" (1,17M)

John Deere decks by crigby

John Deere decks by crigby

John deere x300 x320 x324 x340 x360 x500 x520 x530 48” mower ...

John deere x300 x320 x324 x340 x360 x500 x520 x530 48” mower ...

John Deere decks by crigby

John Deere decks by crigby

John Deere L&G Belt Routing Guide | My Lawnmower Forum

John Deere L&G Belt Routing Guide | My Lawnmower Forum

John Deere L&G Belt Routing Guide | My Lawnmower Forum

John Deere L&G Belt Routing Guide | My Lawnmower Forum

Need diagram to replace M174044 Traction Belt on LX280 John ...

Need diagram to replace M174044 Traction Belt on LX280 John ...

0 Response to "42 john deere x300 deck belt diagram"

Post a Comment

Iklan Atas Artikel

Iklan Tengah Artikel 1

Iklan Tengah Artikel 2

Iklan Bawah Artikel