43 John Deere Z425 Wiring Diagram
john deere by J DEERE · 2006 · Cited by 7 — Thank You for Purchasing a John Deere Product ... Z225, Z425 and Z445 PIN (010001-) ... Disconnect electric clutch wiring connector (B) from main wiring.48 pages John Deere 1025R Compact Utility ... - Green Farm Parts Service Schedule Parts for a John Deere 1025R Compact Utility Tractor & Parts List. While your John Deere machine is certainly built with quality parts, they have a limited life. Good news is you can easily service your machine yourself using a John Deere maintenance kit or service kits or by getting the specific John Deere part needed to keep your John Deere mower or tractor …
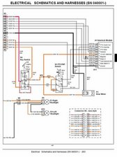
› john-deere-z425-wiring-diagramJohn Deere Z425 Wiring Diagram - easywiring Sep 11, 2021 · Download john deere z425 wiring diagram. Injunction of 2 wires is usually indicated by black dot in the junction of 2 lines. Fuel filter gy20709 289 625 100126418 6. Air filter gy21057 718 508 202274986 7. Z425 z445 z465 z645 z655 and z665 eztrak. Visit the on line store know as reliable store they have the repair manuals.

John deere z425 wiring diagram
N. Korea's parliamentary session | Yonhap News Agency Sep 30, 2021 · N. Korea's parliamentary session. This photo, released by North Korea's official Korean Central News Agency on Sept. 30, 2021, shows Kim Yo-jong, North Korean leader Kim Jong-un's sister and currently vice department director of the ruling Workers' Party's Central Committee, who was elected as a member of the State Affairs Commission, the country's … wirings-diagram.com › john-deere-z425-wiringJohn Deere Z425 Wiring Diagram | Wiring Diagram - John Deere ... According to earlier, the traces in a John Deere Z425 Wiring Diagram signifies wires. At times, the cables will cross. However, it doesn’t mean link between the cables. Injunction of two wires is usually indicated by black dot at the intersection of two lines. diagramweb.net › john-deere-z425-wiring-diagramJohn Deere Z425 Wiring Diagram Nov 19, 2018 · John Deere Z425 Wiring Diagram. ZEZtrak-Mower-Winch-Deck--PC Parts Diagram. Air Filter & Fuel Pump Attachment,Headlight Assembly -: ELECTRICAL · Attachment. Visit the on-line store, know as reliable-store, they have the repair manuals. I'm sure you will get the solution of your problem. Best Manuals. Print. OMM Issue D7.
John deere z425 wiring diagram. John Deere Hydrostatic Transmission Fix - James Maurer Aug 10, 2009 · I have a three or four year John Deere z425 mower with the hydro tranny. it jerks when turning. It is a sealed trans, the cost is over $700 for each trans. ... So I contacted Tuff Torque and ordered all the replacement parts….I following the diagram and carefully putting all the parts back in place….am I going to regret spending so much on ... wirings-diagram.com › john-deere-z425-wiring-diagramJohn Deere Z425 Wiring Diagram - Wirings Diagram Apr 13, 2019 · As stated earlier, the traces in a John Deere Z425 Wiring Diagram represents wires. Occasionally, the wires will cross. However, it does not mean connection between the wires. Injunction of 2 wires is usually indicated by black dot in the junction of 2 lines. There will be primary lines which are represented by L1, L2, L3, and so on. annawiringdiagram.com › john-deere-z425-wiring-diagramJohn Deere Z425 Wiring Diagram - Wiring Diagram Apr 13, 2019 · Wrg-1056] 12 Volt Lawn Mower Wiring Diagram Schematic – John Deere Z425 Wiring Diagram Wiring Diagram contains numerous in depth illustrations that show the link of various things. It includes instructions and diagrams for various types of wiring techniques and other products like lights, windows, and so on. Shop Online for John Deere Parts & Accessories - Green ... Shop online by category, part type or part number when looking for John Deere parts. Our online shop lists all available John Deere parts & accessories. Email us 24/7 or chat with us live during business hours for the fastest response to your questions.
Abdou A. Traya's (@abdoualittlebit) profile on ... - Instagram 1,265 Followers, 331 Following, 29 Posts - See Instagram photos and videos from Abdou A. Traya (@abdoualittlebit) wiring-diagram.net › john-deere-z425-electricalJohn Deere Z425 Electrical Schematic - Wiring Diagram October 28, 2021 · Wiring Diagram John Deere Z425 Electrical Schematic – Wiring Diagram is the graphical representation of a complex electric circuit. It is extremely simple to draw a wiring diagram; you simply need to have a great understanding on various kinds of wiring and their objectives. wirings-diagram.com › john-deere-z425-wiringZ425 Wiring Diagram | Wiring Library - John Deere Z425 Wiring ... According to earlier, the traces in a John Deere Z425 Wiring Diagram represents wires. Occasionally, the wires will cross. But, it doesn’t mean link between the cables. Injunction of 2 wires is generally indicated by black dot to the junction of 2 lines. diagramweb.net › john-deere-z425-wiring-diagramJohn Deere Z425 Wiring Diagram Nov 19, 2018 · John Deere Z425 Wiring Diagram. ZEZtrak-Mower-Winch-Deck--PC Parts Diagram. Air Filter & Fuel Pump Attachment,Headlight Assembly -: ELECTRICAL · Attachment. Visit the on-line store, know as reliable-store, they have the repair manuals. I'm sure you will get the solution of your problem. Best Manuals. Print. OMM Issue D7.
wirings-diagram.com › john-deere-z425-wiringJohn Deere Z425 Wiring Diagram | Wiring Diagram - John Deere ... According to earlier, the traces in a John Deere Z425 Wiring Diagram signifies wires. At times, the cables will cross. However, it doesn’t mean link between the cables. Injunction of two wires is usually indicated by black dot at the intersection of two lines. N. Korea's parliamentary session | Yonhap News Agency Sep 30, 2021 · N. Korea's parliamentary session. This photo, released by North Korea's official Korean Central News Agency on Sept. 30, 2021, shows Kim Yo-jong, North Korean leader Kim Jong-un's sister and currently vice department director of the ruling Workers' Party's Central Committee, who was elected as a member of the State Affairs Commission, the country's …
0 Response to "43 John Deere Z425 Wiring Diagram"
Post a Comment