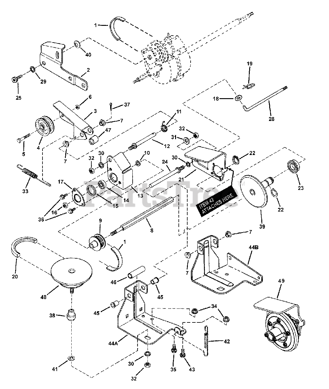
43 snapper drive disc diagram
Looking to fix your Snapper? We sell high quality Snapper Drive Discs, Assemblies & Parts and other parts online. Fast shipping and great service! (330) 468-2641 | Help & Info | Login | ... Drive Disc Lining. Stens 240-325. Replaces: SNAPPER 5-3103, 5-7423, 53103, 57423, 7053103, 7600135, 7600135YP : View More Info. Online Price. $5.80 I love my snapper. It is a 1989 I think. It has the square frame and I heard the only made it a couple of years. But I seems like I can get all the parts I n...
drive disc liner use with our rot300 drive disc to make snapper 5-3103/5-7423*pre-formed for easy installation*lining by itself not available from snapper*presses into back of disc drive*will perform equally well with either side in disc. picture: item # your price: buy now: rot345: $3.27 ...

Snapper drive disc diagram
Snapper 7800104 - 2812523BVE, 28" 12.5 HP Rear Engine Rider Series 23 Parts Diagrams. SWIPE SWIPE. ACCESSORIES & ATTACHMENTS. BELTS, BRAKES & INTERLOCK. BLADE STOP PEDALS. Click to get the latest Buzzing content. Sign up for your weekly dose of feel-good entertainment and movie content! Snapper 84698 - W280922B, 28" 9 HP Rear Engine Rider Series 22 Parts Diagrams. SWIPE SWIPE. Belts, Brakes, Interlock.
Snapper drive disc diagram. Snapper Disc Drive Exploded View parts lookup by model. Complete exploded views of all the major manufacturers. ... Snapper Disc Drive Parts Diagrams Series 00. Series 03. Series 05. Series 06. Series 07. Series 08. Series 10. Series 11. Series 12. Series 13. Series 14. Series 15. Series 16. Series 17. Series 18. Series 19. Series 20. Series 21 ... Select Your Disc Drive Riding Lawn Mower Model. --Select Model-- 87085 - 2650, 26" 5 HP Rear Engine Rider Series 0 87088 - 2650S, 26" 5 HP Rear Engine Rider Series 0 87090 - 2680, 26" 8 HP Rear Engine Rider Series 0 87091 - 2680S, 26" 8 HP Rear Engine Rider Series 0 87194 - 3080, 30" 8 HP Rear Engine Rider Series 0 87198 - 3080S, 30" 8 HP Rear ... Snapper 81930 - 30127BE, 30" 12 HP Rear Engine Rider Series 7 Exploded View parts lookup by model. Complete exploded views of all the major manufacturers. ... Found on Diagram: Drive Disc Assembly; 7074187YP . Steel Drive Disc Was 51581, 52072, or 51502 $129.24 Options Add to Cart. 7072658YP. Steel Drive Disc Was 51582 ... 7072658YP Snapper DRIVE DISC STEEL . This is a Genuine Snapper Part - DRIVE DISC STEEL 7072658YP Please verify the original Snapper part number in your owner's manual or on the appropriate parts diagram of your model for correct location and fitment of this item.
ENGINE, MUFFLER & DRIVE DISC diagram and repair parts lookup for Snapper 331723BVE (7084954) - Snapper 33" Rear-Engine Riding Mower, 17hp Find Your Snapper Manual & Parts Lists. Model numbers can be found on the Product Identification Tag located on your Snapper product. They are used to look up your product's Operator's Manual and Illustrated Parts Lists. Ariens 921049 (038007 - ) Deluxe 30 EFI Exploded View parts lookup by model. Complete exploded views of all the major manufacturers. It is EASY and FREE STENS 240-325 DRIVE DISC LINING for Snapper - Pre-formed for easy installation - Lining by itself not available from Snapper - Presses into back of drive disc - Will perform equally well with either side in disc REPLACES: SNAPPER 5-3103; SNAPPER 5-7423; SNAPPER 7053103; and others - Use with our 240-394 Drive Disc
7074187YP Snapper DISC STEEL DRIVE . This is a Genuine Snapper Part - DISC STEEL DRIVE 7074187YP Please verify the original Snapper part number in your owner's manual or on the appropriate parts diagram of your model for correct location and fitment of this item. Snapper Illustrated Parts Lists available online from LawnMowerPros and ready for your use. We are an Authorized Snapper Dealer with many Snapper Parts Lookup Diagrams. If you do not see the Snapper Parts Diagram you need, please complete the Lawn Mower Parts Request Form and we will be happy to assist you. Need to fix your LT12502 12.5 Hp Disc Drive Tractor Series 2? Use our part lists, interactive diagrams, accessories and expert repair advice to make your repairs easy. Snapper Massey-Ferguson 1855 lawn mower | SOLD! May 18 Vehicles and Equipment Auction. We deal in new and used farm equipment, combines, tractors, sprayers CALL FOR AVALIBILITY 2021 Massey Ferguson 1526 Series Back by Popular Demand – The 1526 Now with the versatility of a mid PTO. 0 gpm total). Massey Ferguson 35 65 765 Page 14/30 Download File PDF …
A single timing belt was used to drive the four camshafts – it consisted of a strong and inflexible core wire, wear-resistant canvas and heat-resistant rubber material. For quiet operation, the teeth on the timing belt had a round profile. The EJ205 cylinder head had four valves per cylinder that were actuated by solid valve lifters. The recommended replacement interval for the cam belt …
Snapper Rear Engine Rider Drive Parts available online from LawnMowerPros and ready to ship direct to your door. We are an Authorized Snapper Dealer carrying a large selection of Snapper Rear Engine Drive Parts. If you do not see the Snapper Part you need, please complete the Lawn Mower Parts Request Form and we will be happy to assist you.
ENGINE, MUFFLER & DRIVE DISC diagram and repair parts lookup for Snapper 331323HVE (84885) - Snapper 33" Rear-Engine Riding Mower, 13hp
An Error Occurred. Services for this domain name have been disabled.
Snapper Rear-Engine Riding Mowers ( 427 Models ) 250610T (80248) - Snapper 25" Rear-Engine Riding Mower, 6hp 250612T (80419) - Snapper 25" Rear-Engine Riding Mower, 6hp
Snapper Drive Disc 5-3103 and 5-7423 with Brake Liner Installed. OD 6" ID 5-1/8" ROT 10169 Disc Drive with Lining Snapper Replacement Tool Part. 76-014 Oregon Drive Disc with Brake Liner for Snapper 5-3103, 5-7423 OD 6" ID 5-1/8" Stens 485-585 Drive Disc Gasket, Replaces Snapper 7014523YP,Black.
Find genuine Snapper parts fast with our mobile friendly parts lookup tool. Search by part number or model number & locate equipment parts diagrams. Call Us 786-592-2094
Dear Twitpic Community - thank you for all the wonderful photos you have taken over the years. We have now placed Twitpic in an archived state.
I am not mechanical, but this was an easy fix. If your Snapper riding lawn mower gets weak or stops on inclines, this is likely your problem. Don't pay to ha...
PRIMARY CHAIN CASE & SMOOTH CLUTCH diagram and repair parts lookup for Snapper 281223BVE (85622) - Snapper 28" Rear-Engine Riding Mower, 12hp. ... DISC, Driven (rubber tire bonded to rim) ... Snapper Part# 7032331. PLATE, Drive Disc
30.09.2021 · N. Korea's parliamentary session. This photo, released by North Korea's official Korean Central News Agency on Sept. 30, 2021, shows Kim Yo-jong, North Korean leader Kim Jong-un's sister and currently vice department director of the ruling Workers' Party's Central Committee, who was elected as a member of the State Affairs Commission, the country's …
Narrow your search for Ford 4000 Tractor Parts by selecting categories on the left.. The Ford 4000 Tractor was manufactured in Michigan from 1962 to 1975. The Ford 4000 was comparable to the Ford 801 and 901 tractors. However, the 65-75 Ford 4000 was completely different from the ground up. The 62-65 Ford 4000 was powered by a 55 hp 2.8L 4-cyl diesel or gas engine.
Drive System diagram and repair parts lookup for Snapper 21500PC - Snapper 21" Walk-Behind Mower, 5hp
2 days ago · Speed up your Search . Find used Rear Tine Tiller for sale on eBay, Craigslist, Letgo, OfferUp, Amazon and others. Compare 30 million ads · Find Rear Tine Tiller faster !
) Drive out the governor pin from the outside of the case MUFFLER EXHAUST WELDABLE FLANGE FOR 79/99cc HARBOR FREIGHT PREDATOR ENGINES,1/4 inch thick weldable steel flange has a 1" ID to be used with 1" header tubing. Most of our engines are also offered Step 4. Top Rated Seller. Nov 02, 2008 · Briggs advertised one engine as having 6. 5" (165 …
Snapper LT12D410B 41" 12 HP Disc Drive Tractor Series 0 Parts Diagrams. SWIPE SWIPE. Belt, Blade Brake, 41" Deck. Blade Engagement. Chain Case & Smooth Clutch Assm`y. Clutch, Brake & Transmission Controls. Cutting Deck. Dash Panel, Fuel Tank, Battery (Part 1) Dash Panel, Fuel Tank, Battery (Part 2)
Husqvarna ST 224 - 96193009602 (2015-05) Exploded View parts lookup by model. Complete exploded views of all the major manufacturers. It is EASY and FREE
definition of - senses, usage, synonyms, thesaurus. Online Dictionaries: Definition of Options|Tips
Snapper 81408 - 3312X6S, 33" 12HP Extra Tough Rear Engine Rider Series 6 Parts Diagrams. Parts Lookup - Enter a part number or partial description to search for parts within this model. There are (422) parts used by this model.
23.12.2021 · The latest Tweets from City of Calgary (@cityofcalgary). Official City of Calgary local government Twitter account. Keep up with City news, services, programs, events and more. Not monitored 24/7. Calgary, Alberta
Snapper repair parts and parts diagrams for Snapper 7060747 - Snapper Steel Drive Disc Puller Kit
Snapper 7800784 - 2811524BV, 28" 11.5 HP Rear Engine Rider Series 24 Parts Diagrams. Parts Lookup - Enter a part number or partial description to search for parts within this model. There are (434) parts used by this model. (Note: 4 holes offset - align properly to prevent binding.)
I was having issues with my Snapper Rear Engine Rider pulling slowly and not pulling at all in certain gears. In some instances, It would not mount the smal...
Replacement for Comet Industries, MANCO, Yerf Dog, Carter Bros. and other go kart manufacturer brand belt and chain drive clutches. Made specifically to provide more contact surface than the leading competitor's go kart clutch and provide the best pulling power for your machine.
Snapper 84698 - W280922B, 28" 9 HP Rear Engine Rider Series 22 Parts Diagrams. SWIPE SWIPE. Belts, Brakes, Interlock.
Click to get the latest Buzzing content. Sign up for your weekly dose of feel-good entertainment and movie content!
Snapper 7800104 - 2812523BVE, 28" 12.5 HP Rear Engine Rider Series 23 Parts Diagrams. SWIPE SWIPE. ACCESSORIES & ATTACHMENTS. BELTS, BRAKES & INTERLOCK. BLADE STOP PEDALS.
0 Response to "43 snapper drive disc diagram"
Post a Comment