Iklan 300x250

44 husqvarna lgt2654 drive belt diagram

Husqvarna yta24v48 24 hp v twin automatic 48 in riding lawn mower with tap the dots to preview your part replaces husqvarna model lgt lawn tractor deck belt craftsman lt drive belt diagram marvelous husqvarna lgt of Husqvarna Lgt Lawn Tractor 05Husqvarna Lgt Parts And Diagram 11Solved. DRIVE diagram and repair parts lookup for Husqvarna LGT 2654 (960450040-00) - Husqvarna 54" Lawn Tractor (2012-05) Weather Notice: Shipments may be delayed due to inclement weather. The Right Parts, Shipped Fast!

Husqvarna Riding Lawn Mower with Electronic Attachment Clutch Switch

Husqvarna lgt2654 drive belt diagram

Husqvarna lgt2654 drive belt diagram

Watch Before You Change Husqvarna Drive Belt! - Yard Tractor Drive Belt Slipping Solved. In this video I show you what I found right before I was going to in... In this video i show step by step on how to replace the deck belt on a 54" Husqvarna/Poulan/Craftsman mower deck, it is very simple, also always rememeber if... Husqvarna LGT 2654 (960430036-00) - Husqvarna 54" Lawn Tractor (2007-05) Drive Parts Lookup with Diagrams | PartsTree LGT 2654 (960430036-00) - Husqvarna 54" Lawn Tractor (2007-05) Drive Parts Diagram 54" Lawn Tractor Drive Parts Diagram 1 Husqvarna Part# 532414006 Transaxle, TUFFTORQ K46BN (Superseded to 532426119) Note: Usually ships in 1 day

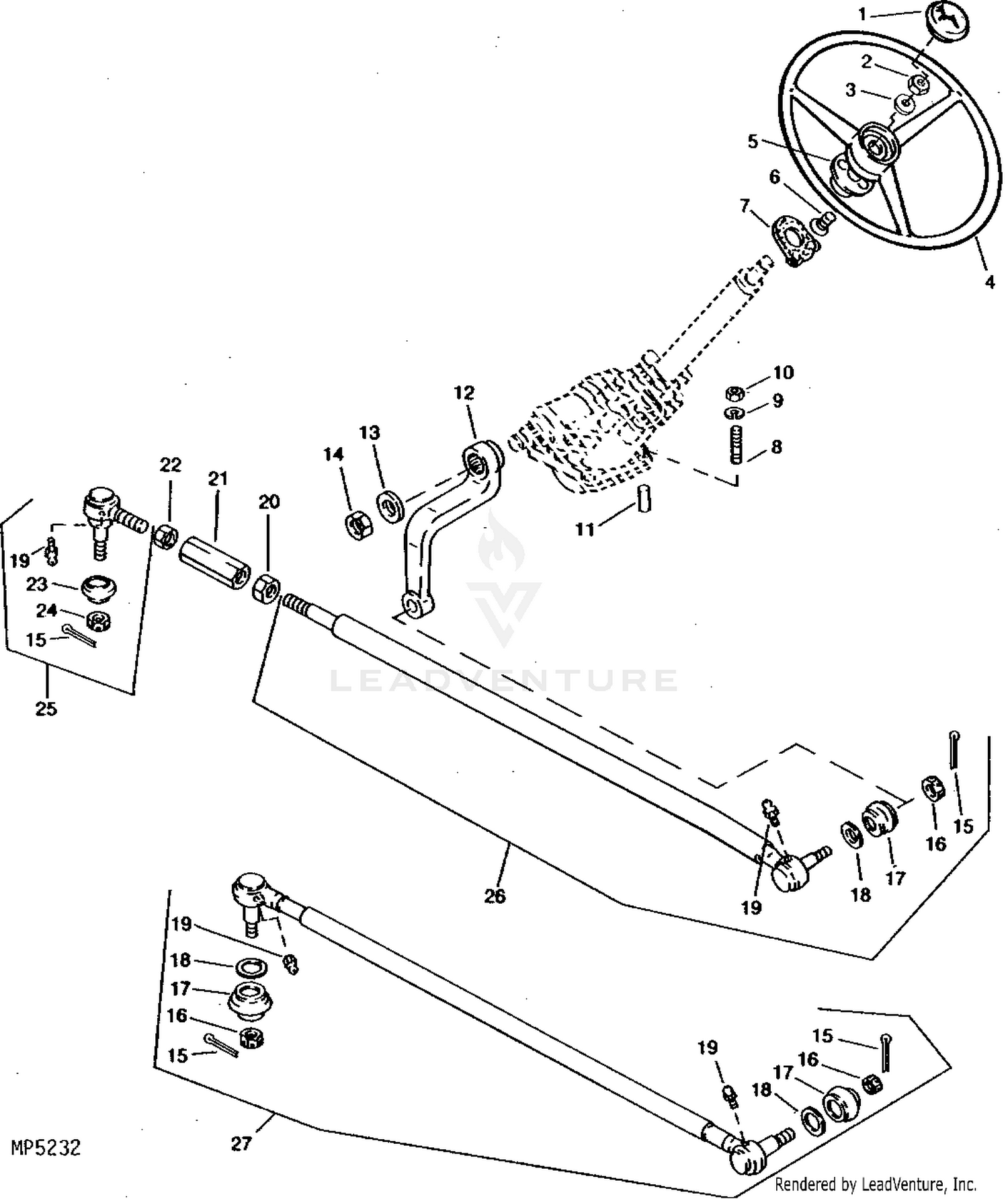
Husqvarna lgt2654 drive belt diagram. Husqvarna LGT 2654 - 96045004700 (2013-08) Exploded View parts lookup by model. Complete exploded views of all the major manufacturers. It is EASY and FREE Husqvarna LGT 2654 (96043003601) (2008-01) Drive Parts Diagram Chassis Decals Drive Electrical Engine Mower Deck Mower Lift Schematic Seat Assembly Steering Assembly Wheels and Tires LGT 2654 (96043003601) (2008-01) Drive JavaScript Disabled - Unable to show Cart 1 532426119 TRANSAXLE K46BN (Internal parts not available) 2 532186211 Square Key 7 10.08.2009 · I bought a Husqvarna LGT2654 at Lowes in Buffalo and had the same K46 failure. Suggest that lawyers go after Lowes, HD and Tuff Torq since they are all pointing fingers at one another. They should all be defendants! Before I understood the problem with the K46 I bought a used JD L120, 20 minutes of use and I realized I now had two useless machines. I upgraded … 30.09.2021 · N. Korea's parliamentary session. This photo, released by North Korea's official Korean Central News Agency on Sept. 30, 2021, shows Kim Song-nam, director of the International Department of the ruling Workers' Party's Central Committee, who was elected as a member of the State Affairs Commission, the country's highest decision-making body, during …

M4H01640 Husqvarna lgt2654 drive belt diagram. It is a twin hydrostatic transmission. Repair parts home lawn equipment parts husqvarna parts husqvarna lawn tractor parts husqvarna lgt 2654. 3 install mower and drive belt see figs. Need to fix your lgt 2654 96045000700 2006 11 ride mower. In this video i show how to replace the dec The 532130969 Husqvarna LGT2654 Drive Belt will keep the peak performance of your Husqvarna LGT2654 Lawn Mower. This is a genuine product that guarantees the correct functioning of your gardening tool. Get this and other Husqvarna parts from our store now! The 532130969 Deck/Drive Belt only fits into certain products. Husqvarna repair parts and parts diagrams for Husqvarna LGT 2654 (960450047-00) - Husqvarna 54" Lawn Tractor (2013-08)

Drive diagram and repair parts lookup for Husqvarna LGT 2654 (960450007-00) - Husqvarna 54" Lawn Tractor (2006-11) Husqvarna repair parts and parts diagrams for Husqvarna LGT2654 - Husqvarna 54" Lawn Tractor . Weather Notice: Shipments may be delayed due to inclement weather. The Right Parts, Shipped Fast! ... Husqvarna LGT2654 - Husqvarna 54" Lawn Tractor (Model: 960430036-00 (2007-05)) Need belt diagram for LGT Husquvarna mower HP engine Belt to mower blades came off, need diagram to put it back on correctly. Thanks. Re: Husqvarna model LGT , 54" riding mower, drive belt loose Reply #3 Jul 11, pm Look at the belt number on the belt then consult your owners manual for the proper belt number. Drive diagram and repair parts lookup for husqvarna lgt 2654 960430036 00 husqvarna 54 lawn tractor 2007 05 order status customer support 512 288 4355 my account. Replaces Husqvarna Riding Mower LGT2554 Deck Belt. Parts and Diagrams for Husqvarna LS 11 This link will provide diagrams of the drive belt and associated parts.

Husqvarna LGT2654 (96045000700) (Deck 54

Husqvarna LGT2654 (96045000700) (Deck 54") Riding Lawn Mower Replacement Belt

Points: 279. Re: Husqvarna model LGT 2654 , 54" riding mower , drive belt loose. Reply #3 Jul 11, 2012 5:28 pm. Look at the belt number on the belt then consult your owners manual for the proper belt number. That will tell you if they put the wrong belt on. Also check your owners manual to see if there are any tension adjustments for the belt.

Husqvarna Transmission Belt | Store www.spora.ws

Husqvarna Transmission Belt | Store www.spora.ws

Husqvarna Lgt2654 Deck Belt Diagram. Husqvarna LGT - () MOWER DECK / CUTTING DECK Exploded View parts lookup by model. Drive Belt $ 49 . Here is your manual. Please see Figure 5 on Page 7 for the deck belt routing. Other useful diagrams and pictures are in this manual as well.

Deck Belt for Husqvarna GTH2448, YTH2348, YTH2448, 48

Deck Belt for Husqvarna GTH2448, YTH2348, YTH2448, 48" Cut 532197242, 197242

27 Husqvarna Lgt2654 Drive Belt Diagram - Wiring Database 2020. Husqvarna 96043029500 Lawn Tractor | Partswarehouse. 33 Husqvarna Yth20k46 Drive Belt Diagram - Wiring Diagram Database

Husqvarna Ride Mower | YTH 2348 | eReplacementParts.com

Husqvarna Ride Mower | YTH 2348 | eReplacementParts.com

01.11.2018. 01.11.2018. 6 Comments. on Husqvarna Lgt2654 Belt Diagram. Husqvarna LGT - () MOWER DECK / CUTTING DECK Exploded View parts lookup by model. Drive Belt $ 49 . schematron.org - Order Genuine Husqvarna Parts for the Husqvarna LGT ( ) - Husqvarna Lawn Tractor () Mowers: lawn & garden. LGT/ Please read the TABLE OF CONTENTS.

John Deere L&G Belt Routing Guide | My Lawnmower Forum

John Deere L&G Belt Routing Guide | My Lawnmower Forum

Husqvarna LGT 2654 (960430036-00) - Husqvarna 54" Lawn Tractor (2007-05) Drive Parts Lookup with Diagrams | PartsTree LGT 2654 (960430036-00) - Husqvarna 54" Lawn Tractor (2007-05) Drive Parts Diagram 54" Lawn Tractor Drive Parts Diagram 1 Husqvarna Part# 532414006 Transaxle, TUFFTORQ K46BN (Superseded to 532426119) Note: Usually ships in 1 day

Briggs & Stratton Yard Power (formerly Murray)_ ...

Briggs & Stratton Yard Power (formerly Murray)_ ...

In this video i show step by step on how to replace the deck belt on a 54" Husqvarna/Poulan/Craftsman mower deck, it is very simple, also always rememeber if...

Husqvarna LGT 2654 26 HP 54 INCH Riding Lawn Mower, Scoop ...

Husqvarna LGT 2654 26 HP 54 INCH Riding Lawn Mower, Scoop ...

Watch Before You Change Husqvarna Drive Belt! - Yard Tractor Drive Belt Slipping Solved. In this video I show you what I found right before I was going to in...

Husqvarna LGT2654 - 96045004000 (2012-05) Parts Diagram for ...

Husqvarna LGT2654 - 96045004000 (2012-05) Parts Diagram for ...

Details about SureFit Replacement Deck Drive Belt Fits Husqvarna GTH2654  LGT2654 YTH2454 19610

Details about SureFit Replacement Deck Drive Belt Fits Husqvarna GTH2654 LGT2654 YTH2454 19610

Husqvarna LGT 2654 Garden Tractor - Tools In Action - Power ...

Husqvarna LGT 2654 Garden Tractor - Tools In Action - Power ...

Husqvarna LGT 2654 - 96045004700 (2013-08) Parts Diagram for ...

Husqvarna LGT 2654 - 96045004700 (2013-08) Parts Diagram for ...

BOLT(8N8) for EC340L 1987 - order at CMSNL

BOLT(8N8) for EC340L 1987 - order at CMSNL

Husqvarna LGT2654 Support and Manuals

Husqvarna LGT2654 Support and Manuals

Husqvarna Lgt2654 Drive Belt | Outlet www.institutodelaliento.com

Husqvarna Lgt2654 Drive Belt | Outlet www.institutodelaliento.com

Husqvarna GT 52 XLS Belt routing diagram revised | My Tractor ...

Husqvarna GT 52 XLS Belt routing diagram revised | My Tractor ...

Deck Belt for Husqvarna 48

Deck Belt for Husqvarna 48" Cut, IZ4217, IZ4817, IZ4821, IZ5223, IZ6125, IZC5221, 539111949

Husqvarna Z254 Drive Belt | Store www.spora.ws

Husqvarna Z254 Drive Belt | Store www.spora.ws

Husqvarna LGT24K54-240470 Lawn Tractor | Partswarehouse

Husqvarna LGT24K54-240470 Lawn Tractor | Partswarehouse

Husqvarna LGT2654 - 96045003700 (2011-09) Parts Diagrams

Husqvarna LGT2654 - 96045003700 (2011-09) Parts Diagrams

Brewster 339 Buffalo Finnish Aces 1942 (Plastic model ...

Brewster 339 Buffalo Finnish Aces 1942 (Plastic model ...

Drive Belt For Husqvarna Lgt2654 | Shop www.mariamontes.net

Drive Belt For Husqvarna Lgt2654 | Shop www.mariamontes.net

Husqvarna LGT2654 Blades 532187255 OEM OEM | Husqvarna Parts ...

Husqvarna LGT2654 Blades 532187255 OEM OEM | Husqvarna Parts ...

John Deere 950 Tractor -PC2016 1984 Model Year 020007 023000 ...

John Deere 950 Tractor -PC2016 1984 Model Year 020007 023000 ...

Husqvarna LGT 2654 - 96045003701 (2012-09) Parts Diagram for ...

Husqvarna LGT 2654 - 96045003701 (2012-09) Parts Diagram for ...

Husqvarna LGT2654 26-HP V-twin Hydrostatic 54-in Garden ...

Husqvarna LGT2654 26-HP V-twin Hydrostatic 54-in Garden ...

Husqvarna LGT2654 54 inch 26 HP (Kohler) Garden Tractor

Husqvarna LGT2654 54 inch 26 HP (Kohler) Garden Tractor

Watch Before You Change Husqvarna Drive Belt! - Tractor Transmission Belt  Slipping Problem SOLVED!

Watch Before You Change Husqvarna Drive Belt! - Tractor Transmission Belt Slipping Problem SOLVED!

Husqvarna YTH2148 Drive Belt Change

Husqvarna YTH2148 Drive Belt Change

Replace Drive Belt Husqvarna Yard Tractor

Replace Drive Belt Husqvarna Yard Tractor

SOLVED: HOW need drive belt diagram for husqvarna - Fixya

SOLVED: HOW need drive belt diagram for husqvarna - Fixya

Husqvarna 54-in Deck Belt for Riding Mower/Tractors (5/8-in W ...

Husqvarna 54-in Deck Belt for Riding Mower/Tractors (5/8-in W ...

Husqvarna 2654 Drive Belt | Outlet www.spora.ws

Husqvarna 2654 Drive Belt | Outlet www.spora.ws

Details about Deck Idler Pulley For Husqvarna LGT2554 LGT2654 LGT24K54  LGT2554 LGT2654

Details about Deck Idler Pulley For Husqvarna LGT2554 LGT2654 LGT24K54 LGT2554 LGT2654

The speed of my JD GT 262 varies greatly. It runs well, then ...

The speed of my JD GT 262 varies greatly. It runs well, then ...

Husqvarna LGT 2654 (960430036-00) - Husqvarna 54

Husqvarna LGT 2654 (960430036-00) - Husqvarna 54" Lawn ...

Husqvarna Transmission Belt | Store www.spora.ws

Husqvarna Transmission Belt | Store www.spora.ws

Husqvarna Lgt2654 Belt | Shop www.spora.ws

Husqvarna Lgt2654 Belt | Shop www.spora.ws

Craftsman 917276903 front-engine lawn tractor parts | Sears ...

Craftsman 917276903 front-engine lawn tractor parts | Sears ...

Replacing Belt on Husqvarna Riding Lawn Mower

Replacing Belt on Husqvarna Riding Lawn Mower

OEM Replacement Belt for Ariens Most Mowers with 54 in. Decks, Husqvarna  GTH2654T, LGT2654, YTH2454 587686701, 532196103

OEM Replacement Belt for Ariens Most Mowers with 54 in. Decks, Husqvarna GTH2654T, LGT2654, YTH2454 587686701, 532196103

SOLVED: Husqvarna cz 4815 diagram to put deck belt back - Fixya

SOLVED: Husqvarna cz 4815 diagram to put deck belt back - Fixya

Husqvarna Yth1848Xpt Users Manual OM, YTH 1848 XPT ...

Husqvarna Yth1848Xpt Users Manual OM, YTH 1848 XPT ...

Husqvarna LGT 2654 (960450047-00) - Husqvarna 54

Husqvarna LGT 2654 (960450047-00) - Husqvarna 54" Lawn ...

2007 Husqvarna LGT2654 lawn mower in Cleveland, MO | Item ...

2007 Husqvarna LGT2654 lawn mower in Cleveland, MO | Item ...

0 Response to "44 husqvarna lgt2654 drive belt diagram"

Post a Comment

Iklan Atas Artikel

Iklan Tengah Artikel 1

Iklan Tengah Artikel 2

Iklan Bawah Artikel