Iklan 300x250

42 ezgo steering parts diagram

sistemabatesarchivio.it › micro-scooter-loose-steeringsistemabatesarchivio.it Gm Steering Column Wiring Diagram Eyelash Me. Locking screw for steering column (keeps handlebar at right angles to the wheels) 4. com ) This will also work with most steering columns from 85-92. A maximum weight limit for stage 3 of the scooter of 35kg (5 stone, 7 pounds) The Mini Micro 3in1 Deluxe will allow your child to use the scooter in a ... EZGO Steering - Golf Cart Parts & Accessories Steering box assembly. EZGO Medalist & TXT 2001 (Feb)-2006. 70602-G01 70964-G01: #GCT105559

E-z-go Steering Parts for Golf Cart Cars E-Z-GO Golf carts cars lower and upper Steering Groups Groups Include The Whole Steering Assembly, Tie Rods, Steering Racks and Much More. The Ideal Parts For Golf Carts and sold by blockbustergolfcarts.com and performancegolfcars. com is the range and diversity of many different elements for ezgo. The sale of such items can be found at discounted prices at blockbuster golf cars, inc.

Ezgo steering parts diagram

Ezgo steering parts diagram

Ezgo Rear Axle Exploded Diagram - Wiring Diagrams Regular price: $ Ez go rear axle diagram further front suspension and steering ezgo golf cart in ezgo steering parts diagram 12 photos moreover front axle and differential exploded view diagram also 6msfw ezgo t need wiring diagram ezgo stroke together with e z go golf wiring diagram furthermore c 08 in addition discovery td5 fuse box layout ... EZGO TXT (1994-2000) Steering Box Assembly Installation ... Alex at DIY Golf Cart takes us through the installation of an EZGO TXT (Old Style) steering assembly. The Old Style EZGO Steering Assembly by Golf Cart King ... Did You Know? Archives - Hollywood.com Click to get the latest Did You Know? content.

Ezgo steering parts diagram. EZGO Steering Box Diagram 1995-2001 | Cartaholics Golf ... Apr 7, 2017. Tags. ezgo steering box diagram. EZGO Steering Box Diagram 1995-2001. Reactions: ParedesCats and Mike Hollis. E-Z-GO Golf Cart Parts E-Z-GO Mufflers & Parts. E-Z-GO Rear Axles & Parts. E-Z-GO Resistors. E-Z-GO Solenoids. E-Z-GO Speed Controller Parts. E-Z-GO Starter Generators & Parts. E-Z-GO Steering Parts. E-Z-GO Suspension Parts. 472 item (s) - Page 1 of 24. 2008 EZGO Guide - Specs | Price | Manual | Wiring Diagram ... 2008 EZGO wiring diagram. A wiring diagram of your EZGO golf cart can help you gain a clear understanding of the connections in your cart. This can vary among different cart models from the same manufacturer. The wiring diagram of a 2008 EZGO MPT golf … EZGO Steering / CartParts.com All your EZGO steering parts can be purchased at CartParts.com. We carry Steering Boxes, Repair Kits, Gears, and Columns. You need it, we've got it! Worn, loose steering components lead to poor steering response and handling. Compare.

EZ-Go Steering Parts - Lawnmower Pros E-z-GO Steering Parts available online and ready to ship direct to your door. Free tech support. 365 day returns. Worldwide shipping. Steering Box Components - Steering Parts - Shop E-Z-GO Steering Box Drill Template. 70994G01. Used on 2001-current E-Z-GO Gas & Electric TXT, 4/6-Passenger Shuttle, and select ST and ST Sport Vehicles. Learn More. Add to Cart. $1.87. Steering Compression Spring. 70178G01. Used on 1996-January 2001 E-Z-GO Gas & Electric TXT, Medalist, and select 1996-2008 ST/ST Sport, and Workhorse Vehicles. Amazon.com: ezgo steering parts 1-48 of over 2,000 results for "ezgo steering parts" Price and other details may vary based on product size and color. 10L0L Golf Cart Steering Gear Box Assembly Fits for EZGO TXT 1994-2001, Replaces OEM# 70314-G01 1993 Ezgo Golf Cart Steering Parts - 03/2022 Description: Ez Go Golf Cart Parts Diagram | Wiring Diagram And Fuse Box Diagram for Ezgo Golf Cart Parts Diagram, image size 700 X 791 px, and to view image details please click the image.. Here is a picture gallery about ezgo golf cart parts diagram complete with the description of the image, please find the image you need.

EZGO Steering Parts: Steering Columns, Rebuild Kits, & Housing Steering replacement parts like worm gears, steering racks, ball joints, and many other steering related parts. These parts will fit EZGO TXT, Marathon, RXV, and ST350 Workhorse steering platforms. Sort By: Featured Newest Items Best Selling A to Z Z to A By Review Price: Ascending Price: Descending EZ-GO Golf Cart Steering Parts | GolfCartGarage.com EZGO TXT Steering Column - 4-Cycle Gas & Electric (1995-2000), Workhorse ST350 Gas (1996-2000) SKU: STR-010. bvg-ah.de 21.3.2022 · The page you requested was not found, and we have a fine guess why. If you typed the URL directly, please make sure the spelling is correct. Cart Parts Direct - Club Car Golf Cart Model ... Having trouble determining what year and model your Club Car Golf Cart is. Use our quick and simple guide to locate and interpret your Serial and Manufacturer numbers. For assistance interpreting your Serial & Manufacturer numbers please contact our staff: (260-432-9438)

P5S56101006 Sworzeń łącznika centralnego tylnego TUZ

P5S56101006 Sworzeń łącznika centralnego tylnego TUZ

kreuzkirche-osterode.de 23.3.2022 · Carburetor Diaphragm. com carries Mufflers for just about every EZGO out there! We've got 2pg, 3pg, Medalist, TXT and RXV mufflers!! Don't forget about the Exhaust Pipe! Yes, we have those too!! PO3-600-UR18 Core i9 9900 Upgrade. Read 120 Reviews. Genuine MTD lawn tractor parts can help you maintain your outdoor power equipment long-term.

PROP U.J. | Martin Robey

PROP U.J. | Martin Robey

Amazon.com : Steering Box Assembly | EZGO Golf Cart | (Gas ... LOSTAR Steering Gear Box Assembly For 1994-2001 EZGO TXT Golf Cart, 1996-Up ST350 Workhorse 70314-G01, 70314-G02, 70723-G02 3.9 out of 5 stars 3 2 offers from $151.22

Steering Gear Assembly - GolfCartPartsDirect

Steering Gear Assembly - GolfCartPartsDirect

Diagrams & Instructions - Golf Cart Replacement Parts Chargers. Service Specification Guide FE 290 1998-1999. Charger EZGO Model Total Charge III Wiring Diagram. Charger EZGO PowerWise 1st Generation Wiring Diagram. Charger #9012 EZGO Control Board Instructions. Test Procedures. Speed Controller. Test 48 Volt 1998 to 1999.

Poulan PP442 Gas Blower, 442 Gas Blower Parts Diagram for ...

Poulan PP442 Gas Blower, 442 Gas Blower Parts Diagram for ...

Steering & Suspension - Vintage Golf Cart Parts Inc. E-Z-GO Steering & Suspension. 111 River Road, Unit A & B Sequim, Washington 98382 United States. 360-385-4868

Parts Manual 2000-02 E-Z-GO Electric Cargo & Personnel Carriers

Parts Manual 2000-02 E-Z-GO Electric Cargo & Personnel Carriers

Golf Cart Parts & Accessories | E-Z-GO Parts and Accessories. E‑Z‑GO guarantees superior quality parts and accessories that are stringently tested for reliability and durability. With the largest selection of parts and accessories, our vehicles can be customized to enhance your lifestyle.

Buy 10L0L Golf Cart Intermediate Steering Shaft Assembly ...

Buy 10L0L Golf Cart Intermediate Steering Shaft Assembly ...

Apns For Free Android [9CQVON] Search: Free Apns For Android. Also, most free antivirus apps scan. You'll need a distinctive font and logo.

EZGO TXT Steering Box Assembly Installation How-To

EZGO TXT Steering Box Assembly Installation How-To

EZGO Medalist/TXT Golf Cart Steering Box Bushing - 4-Cycle ... Give our sales team a call at 800.401.2934 (Toll Free) and we'll match any competitor's price. For more details, click here. Sorry! This doesn't fit your Golf Cart. EZ-GO Medalist/TXT Golf Carts Steering Box Bushing - 4-Cycle Gas & Electric (1994-2000). OEM: 27205G01, 70185G01; 5533.

Golf Cart Parts E-zgo Txt Golf Cart Lift Kit From Shu-ran ...

Golf Cart Parts E-zgo Txt Golf Cart Lift Kit From Shu-ran ...

Genuine E-Z-GO OEM Parts and Accessories - E-Z-GO Parts Save: $124.69. Qty: Add to Cart. See Details. Battery Rack Elec TXT New. Genuine E-Z-GO - Battery Rack Elec TXT Part # 652254G03. Item #: 652254G03 EZ-GO Parts. USD 218.01 2 185.31 218.01.

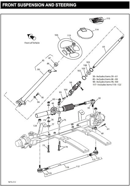
Front Suspension and Steering | EZGO Golf Cart

Front Suspension and Steering | EZGO Golf Cart

issrmaterecclesiae.it › predator-engines-partsissrmaterecclesiae.it Explore Toyota Parts Online and shop an authorized dealer for all the spare parts and accessories you need. 5 out of Engine Assembly diagram and repair parts lookup for Poulan 2150 - Poulan Predator Chainsaw, Type 3 Jan 19, 2020 · For our purpose of gaining more horsepower from a gasoline small engine we will focus on the exhaust flow.

Golf Cart Steering Extension Column Shaft Used For Ezgo Oem ...

Golf Cart Steering Extension Column Shaft Used For Ezgo Oem ...

Ezgo Electric Golf Cart Wiring Diagram Schematic Sep 20, 2018 · Ez go rear axle diagram further front suspension and steering ezgo golf cart in ezgo steering parts diagram 12 photos Page 2/6. Access Free Ezgo Electric Golf Cart Wiring Diagram Schematic moreover front axle and differential exploded view diagram also 6msfw ezgo t need wiring diagram ezgo stroke together with e z go

Jeep YJ Wrangler Replacement Steering - Best Reviews & Prices ...

Jeep YJ Wrangler Replacement Steering - Best Reviews & Prices ...

Ezgo Golf Cart Parts Diagram | Automotive Parts Diagram Images Description: Ez Go Golf Cart Parts Diagram | Wiring Diagram And Fuse Box Diagram for Ezgo Golf Cart Parts Diagram, image size 700 X 791 px, and to view image details please click the image.. Here is a picture gallery about ezgo golf cart parts diagram complete with the description of the image, please find the image you need.

Amazon.com : 10L0L Golf Cart Steering Yoke Shaft Assembly for ...

Amazon.com : 10L0L Golf Cart Steering Yoke Shaft Assembly for ...

EZ GO Parts Manuals - Cart Mart EZ GO Parts Manuals. 2Five Parts Manual. 89-91 Electic & Gas Manual # 24566-G1. 94-95 Medalist Parts Manual. 640 Stock Chaser Parts Manual. 835 Minute Miser Parts Manual. 875 Titan Parts Manual. 950-E Parts Manual '00. 2002-Ez-Go-ST-Sport-ST-350-Gas-Manual.

Amazon.com: 10L0L Steering Box Assy Fits EZ-GO TXT (01-up ...

Amazon.com: 10L0L Steering Box Assy Fits EZ-GO TXT (01-up ...

Steering Parts - Steering & Suspension - E-Z-GO Add to Cart. $481.91. Steering Box Assembly for TXT. 70964G01. Used on 2001-Current E-Z-GO Gas and Electric TXT and MPT 800/1000 Vehicles. Learn More. Add to Cart. $55.65.

2005-2008 G23A U-Max Medium Duty I Gas - Gas - YAMAHA PARTS ...

2005-2008 G23A U-Max Medium Duty I Gas - Gas - YAMAHA PARTS ...

EZGO Golf Cart Steering Components from Buggies Unlimited ... Our stock alternative hard parts may meet OEM specs but exceed those expectations in construction. Buggies Unlimited has what you need to provide proper care of your E-Z-GO, from golf cart steering box assemblies to replacement steering wheels and idler shafts. It has never been easier, and you can rest assured with your purchase that you've got what you need to get you back on the go and keep ...

Honda Side by Side 2015 OEM Parts Diagram for Steering Gear ...

Honda Side by Side 2015 OEM Parts Diagram for Steering Gear ...

Ezgo Golf Cart Steering Diagram - 03/2022 Regular price: $ Ez go rear axle diagram further front suspension and steering ezgo golf cart in ezgo steering parts diagram 12 photos moreover front axle and differential exploded view diagram also 6msfw ezgo t need wiring diagram ezgo stroke together with e z go golf wiring diagram furthermore c 08 in addition discovery td5 fuse box layout ...

Index of /tech/ezgo/

Index of /tech/ezgo/

simoneandjalisesayido.us 19.3.2022 · Harness diagram vehicle wiring, toyota radio wiring harness diagram car diagram, solved toyota sequoia 2000 wiring diagram radio fixya, 2004 toyota sequoia stereo wiring diagram tundra speaker, 2005 toyota sequoia installation parts harness wires powered by tcpdf (www. The Axxess AXBUCH-T36V allows the ability to.

Club Car DS Steering Gear Box Rack | How to Install on Golf Cart

Club Car DS Steering Gear Box Rack | How to Install on Golf Cart

Steering and Front Suspension Parts for EZGO Golf Carts ... Golf Car Catalog has an immense selection of steering and front suspension parts for EZGO Marathon, Medalist, TXT and RXV model golf carts, many of their utility vehicles, and personnel carriers. This large section includes everything below your steering wheel down through the column, and all of the steering and suspension components under your ...

Electric - YAMAHA PARTS - Parts | TNT Golf Car & Equipment

Electric - YAMAHA PARTS - Parts | TNT Golf Car & Equipment

Cushman parts 75 Cushman scooter badge logo . com Marketplace. We take pride in our large inventory of gauge parts, allowing us to repair or calibrate speedometers manufactured from the 1900s to 1980. guide. 1962 Cushman Eagle The Cushman scooter company started in 1903 and since then has made a variety of vehicles from scooters to trucksters for a wide range of uses both industrial …

2000-2005 Club Car DS Gas or Electric - GolfCartPartsDirect

2000-2005 Club Car DS Gas or Electric - GolfCartPartsDirect

How to Adjust & Tighten Loose Steering (EZGO Golf Cart ... The steering box in old style EZGO steering systems are prone to wearing out. Enlist someone's help while dealing with a 1998 TXT. I usually ask someone to rock the steering wheel while on the cart while by inspect the bottom. Also, check the pitman arm that slides into the steering rack, and the tie rod ends. 2000 EZGO TXT Loose Steering

Delta Upper Clevis for Club Car DS Gas and Electric Golf Cart 1993+  Replaces 1016384

Delta Upper Clevis for Club Car DS Gas and Electric Golf Cart 1993+ Replaces 1016384

Ezgo Rear Axle Exploded Diagram - schematron.org Aug 19, · Re: EZGO rear axle exploded diagram Here are some pics of the rebuild. I bead blasted the case, washed it 3 times in an automatic hot water washer, new seals, bearings and gaskets. Ez go rear axle diagram further front suspension and steering ezgo golf cart in ezgo steering parts diagram 12 photos moreover front axle and differential ...

Hard Steering ?

Hard Steering ?

E-Z-GO Steering Parts - Cart Parts USA Product ID: Add To Wish List. $78.00. Sale Price: $45.00. Product is out of stock. Browse more in Steering Components category. Bellow Kit (Driver's Side)

1998-1999 Club Car DS Gas or Electric - GolfCartPartsDirect

1998-1999 Club Car DS Gas or Electric - GolfCartPartsDirect

azionedonna.it › volrlCushman used parts Premium. away. by cushman columbia parcar vantage vehicles ezgo and westward go 4 we sell golf cart parts engine parts brake parts electric parts and tires, ransomes cushman 6150 mower govdealscom used ransomes cushman 6150 mower51 hp diesel 27108 hours does work has to be jumped off if youCars & Parts- 2002.

Amazon.com : 10L0L Golf Cart Steering Gear Box Assembly for ...

Amazon.com : 10L0L Golf Cart Steering Gear Box Assembly for ...

simoneandjalisesayido.us › 4-terminal-solenoid-diagramsimoneandjalisesayido.us Mar 19, 2022 · email protected]

EZGO Steering Parts at DIY Golf Cart - Steering Rack Repair

EZGO Steering Parts at DIY Golf Cart - Steering Rack Repair

Did You Know? Archives - Hollywood.com Click to get the latest Did You Know? content.

1869218M1 Zabezpieczenie mocujące

1869218M1 Zabezpieczenie mocujące

EZGO TXT (1994-2000) Steering Box Assembly Installation ... Alex at DIY Golf Cart takes us through the installation of an EZGO TXT (Old Style) steering assembly. The Old Style EZGO Steering Assembly by Golf Cart King ...

E-Z-GO TXT FLEET TECHNICIAN'S REPAIR AND SERVICE MANUAL Pdf ...

E-Z-GO TXT FLEET TECHNICIAN'S REPAIR AND SERVICE MANUAL Pdf ...

Ezgo Rear Axle Exploded Diagram - Wiring Diagrams Regular price: $ Ez go rear axle diagram further front suspension and steering ezgo golf cart in ezgo steering parts diagram 12 photos moreover front axle and differential exploded view diagram also 6msfw ezgo t need wiring diagram ezgo stroke together with e z go golf wiring diagram furthermore c 08 in addition discovery td5 fuse box layout ...

2017 Polaris 800 SWITCHBACK ASSAULT 144 ALL OPTIONS (S17EEC8 ...

2017 Polaris 800 SWITCHBACK ASSAULT 144 ALL OPTIONS (S17EEC8 ...

2009 CAMOPLAST TATOU ATV 4S STABILIZING ROD ASSEMBLY - CAMSO ...

2009 CAMOPLAST TATOU ATV 4S STABILIZING ROD ASSEMBLY - CAMSO ...

Parts Manual 2006+ E-Z-GO Fleet Golf Cars

Parts Manual 2006+ E-Z-GO Fleet Golf Cars

Madjax Stretch Kit 6 Passenger Kit for the Club Car Precedent

Madjax Stretch Kit 6 Passenger Kit for the Club Car Precedent

Untitled

Untitled

EZGO Steering Parts at DIY Golf Cart - Steering Rack Repair

EZGO Steering Parts at DIY Golf Cart - Steering Rack Repair

Ezgo Workhorse 1200 Utility Vehicle Service Repair Manual ...

Ezgo Workhorse 1200 Utility Vehicle Service Repair Manual ...

246870030200 Sworzen ramienia Fendt - agromer-hurt

246870030200 Sworzen ramienia Fendt - agromer-hurt

Bunton, Bobcat, Ryan 544283D MATAWAY Parts Diagram for REEL 1 ...

Bunton, Bobcat, Ryan 544283D MATAWAY Parts Diagram for REEL 1 ...

EZGO Golf Cart Parts | BlockbusterGolfCarts.com

EZGO Golf Cart Parts | BlockbusterGolfCarts.com

SERVICE PARTS MANUAL | Manualzz

SERVICE PARTS MANUAL | Manualzz

E-Z-GO Manuals - Golf Cart Parts, Manuals & Accessories ...

E-Z-GO Manuals - Golf Cart Parts, Manuals & Accessories ...

Parking Brake Torsion Return Spring For EZGO Golf Cart # 70681-G01, 70681G01

Parking Brake Torsion Return Spring For EZGO Golf Cart # 70681-G01, 70681G01

1984-1991 Club Car DS Gas - GolfCartPartsDirect

1984-1991 Club Car DS Gas - GolfCartPartsDirect

1984-1991 Club Car DS Electric - GolfCartPartsDirect

1984-1991 Club Car DS Electric - GolfCartPartsDirect

Parts Department | Golf Carts Unlimited | Melbourne Florida

Parts Department | Golf Carts Unlimited | Melbourne Florida

0 Response to "42 ezgo steering parts diagram"

Post a Comment

Iklan Atas Artikel

Iklan Tengah Artikel 1

Iklan Tengah Artikel 2

Iklan Bawah Artikel