Iklan 300x250

43 craftsman snowblower carburetor diagram

Craftsman 917881052 gas snowblower parts | Sears PartsDirect Craftsman 917881052 gas snowblower parts - manufacturer-approved parts for a proper fit every time! We also have installation guides, diagrams and manuals to help you along the way! Craftsman Snowblower Disassembly - Snowblower Repair Help ... Repairing a Craftsman snowblower? This video demonstrates the proper and safe way to disassemble a snowblower and how to access parts that may need to be tes...

Craftsman Snowblower Carburetor Replacement Parts | Fast ... Craftsman Snowblower Carburetor Repair KitGenuine OEM Part # 498260 | RC Item # 1567909. 4.7 star rating. 269 Reviews. Watch Video. $20.03. ADD TO CART. Briggs & Stratton Original Equipment 498260 Carburetor Overhaul Kit. If the carburetor is clogged, the engine won't get enough fuel. As a result, the engine may not start or may run poorly.

Craftsman snowblower carburetor diagram

Craftsman snowblower carburetor diagram

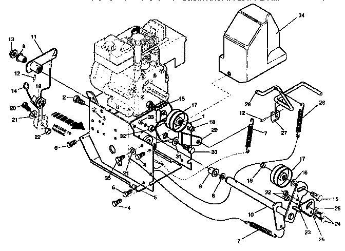
craftsman snow blower carburator and linkage diagram ... craftsman snow blower carburator and linkage diagram. Report This by Manage My Life. December 28th, 2012 ... I can understand how a diagram will help with the repair on the Craftsman snow blower. The link provided below may be helpful while an expert responds with additional information. ... The carburetor in this diagram is key number 89, and ... Craftsman Snowblower Carburetor Diagram - schematron.org Craftsman Snowblower Carburetor Diagram 12.09.2018 1 Comments A snowblower carburetor is responsible for maintaining and combining the air Make the necessary adjustment to set the desired engine idle-speed of your. This article will teach you the process of repairing or rebuilding the carburetor in a snowblower. How To Remove Carburetor Craftsman Snow Thrower. 247 ... This is a how to remove a carburetor on a quiet technology Sears craftsman 26 inch snow thrower Model 247.886940. 247.886941.The engine model number is 270 Q...

Craftsman snowblower carburetor diagram. 247.881730 (31AS63EE799) - Craftsman Snow Thrower (2012 ... 270-SUA Carburetor Assembly diagram and repair parts lookup for Craftsman 247.881730 (31AS63EE799) - Craftsman Snow Thrower (2012) Craftsman 247887890 gas snowblower parts | Sears PartsDirect Craftsman 247887890 gas snowblower parts - manufacturer-approved parts for a proper fit every time! We also have installation guides, diagrams and manuals to help you along the way! Rebuilding a Carburetor on a Snowblower - YouTube The carburetor controls the air and fuel mixture to the engine. If the engine won't start or shut offs just after starting, then the carburetor could be the ... Find the right carburetor kit for a Craftsman snowblower ... Find the right carburetor kit for a Craftsman snowblower, tiller or log splitter. To find the correct carburetor rebuild kit for the Craftsman engine on your snowblower, tiller or log splitter, first find the supplier name—either Deni or Huayi—and calibration code on the original carburetor.

Craftsman Snowblower Carburetor Diagram - wiringall.com Craftsman Snowblower Carburetor Diagram. They also provide manuals and parts diagrams for almost every model equipment I located the craftsman snowblower carburetor housing. This article will teach you the process of repairing or rebuilding the carburetor in a snowblower. How do I access the carburetor on my Craftsman 24" Snow Thrower. How to rebuild a snowblower carburetor | Repair guide If the engine won't start or shut offs just after starting, then the carburetor could be the problem. Rebuild the carburetor with manufacturer-approved snowblower replacement parts using the steps in this guide. Use these basic steps to rebuild the carburetor on Craftsman, MTD, Troybilt, Husqvarna, Toro, Murray, Noma and Snapper snowblowers. Craftsman 536886530 gas snowblower parts | Sears PartsDirect Craftsman 536886530 gas snowblower parts - manufacturer-approved parts for a proper fit every time! We also have installation guides, diagrams and manuals to help you along the way! Craftsman Snowblower | 536884581 | eReplacementParts.com Need to fix your 536884581 Snowblower? Use our part lists, interactive diagrams, accessories and expert repair advice to make your repairs easy. ... Repair Parts Home Lawn Equipment Parts Craftsman Parts Craftsman Snowblower Parts Craftsman 536884581 Snowblower Parts. ... Carburetor Primer Obsolete - Not Available. $9.06 Part Number: 695750.

Craftsman snowblower parts | Sears PartsDirect We have snowblower parts for Craftsman 24" snowblower models such as Craftman 88173 parts. We also have Craftsman 29 inch 90 hp snowblower parts. Enter your Craftsman snow blower model numbers in the search bar and use the exploded parts drawings on our Sears PartsDirect website to easily find the Sears snow thrower parts you need to get your ... How to Fix a Snow Blower Carburetor - YouTube Get the parts you need here: tutorial will show you how to remove, rebuild, clean, f... Craftsman Snow Blowers & Snow Throwers Parts with Diagrams ... Craftsman Snow Blowers & Snow Throwers Parts Lookup & Diagrams Craftsman Snow Blowers & Snow Throwers ( 380 Models ) 247.116830 (31A-2M5E799) - Craftsman Snow Thrower (2011) Craftsman Snowblower Carb Access - YouTube How to remove the choke knob to get at the carberetor

MTD 21AB45M8799 (247.299321) (2013) Parts Diagram for 170-AU ...

MTD 21AB45M8799 (247.299321) (2013) Parts Diagram for 170-AU ...

auto1x1.de About Adjustment Carburetor Tiller CraftsmanSpark Plug Fuel Hose Shut Off Valve Carb For Briggs & Stratton Craftsman Tiller Intek 190 6. 299020 14' tiller and hasqvarna makes that one i bought a couple weeks ago. 5 hp throttle linkage diagram I believe the engine is the following: TECUMSEH POWER COMPANY H60-75487N 143-756012 CRAFTSMAN 75487N ...

Craftsman 536886610 snowblower parts | Sears PartsDirect

Craftsman 536886610 snowblower parts | Sears PartsDirect

247.881732 (31AS6BEE799) - Craftsman Snow Thrower (2015 ... 270-WU Carburetor diagram and repair parts lookup for Craftsman 247.881732 (31AS6BEE799) - Craftsman Snow Thrower (2015)

Podoy 640084B Carburetor Carb with Gasket Kit for Tecumseh ...

Podoy 640084B Carburetor Carb with Gasket Kit for Tecumseh ...

Craftsman Snowblower Carburetor Repair - YouTube Shoot clogging up try this (It works!) Add a snowblower fuel shut offhttp://amzn.to/2eEGJ2T Add an electric star...

9hp Craftsman Snowblower Post Carb Install Adjustment Needed ...

9hp Craftsman Snowblower Post Carb Install Adjustment Needed ...

How To Remove Carburetor Craftsman Snow Thrower. 247 ... This is a how to remove a carburetor on a quiet technology Sears craftsman 26 inch snow thrower Model 247.886940. 247.886941.The engine model number is 270 Q...

Craftsman Snow Blower - Model 31AM6CSG793 | MTD Parts

Craftsman Snow Blower - Model 31AM6CSG793 | MTD Parts

Craftsman Snowblower Carburetor Diagram - schematron.org Craftsman Snowblower Carburetor Diagram 12.09.2018 1 Comments A snowblower carburetor is responsible for maintaining and combining the air Make the necessary adjustment to set the desired engine idle-speed of your. This article will teach you the process of repairing or rebuilding the carburetor in a snowblower.

Carburetor diagram tecumseh - Schematic diagram | Tecumseh ...

Carburetor diagram tecumseh - Schematic diagram | Tecumseh ...

craftsman snow blower carburator and linkage diagram ... craftsman snow blower carburator and linkage diagram. Report This by Manage My Life. December 28th, 2012 ... I can understand how a diagram will help with the repair on the Craftsman snow blower. The link provided below may be helpful while an expert responds with additional information. ... The carburetor in this diagram is key number 89, and ...

Neue Stamm Boot Boden Matte Teppich Griff Für VW Golf 6 7 MK6 ...

Neue Stamm Boot Boden Matte Teppich Griff Für VW Golf 6 7 MK6 ...

CARBURETOR REBUILD KIT 31840 Tecumseh common on many brands ...

CARBURETOR REBUILD KIT 31840 Tecumseh common on many brands ...

Craftsman 24

Craftsman 24" Snowblower | 247889571 | eReplacementParts.com

Tecumseh Series 3 Carb Snowblower Linkage

Tecumseh Series 3 Carb Snowblower Linkage

Craftsman Snow Blower User Manual - Manuals+

Craftsman Snow Blower User Manual - Manuals+

Yard Man Two-Stage Snowblower | 31AS63EE701 ...

Yard Man Two-Stage Snowblower | 31AS63EE701 ...

Carburetor For Tecumseh 8-10 HP MTD/Craftsman/Toro/Snapper/Ariens 824  Snowblower

Carburetor For Tecumseh 8-10 HP MTD/Craftsman/Toro/Snapper/Ariens 824 Snowblower

Craftsman 247.888530 (31AE558G099) - Craftsman Snow Thrower ...

Craftsman 247.888530 (31AE558G099) - Craftsman Snow Thrower ...

Find the Manual for Your Craftsman Snowblower Here

Find the Manual for Your Craftsman Snowblower Here

Briggs and Stratton Power Products 8964-0 - 580.328321, 1,400 ...

Briggs and Stratton Power Products 8964-0 - 580.328321, 1,400 ...

Craftsman 536886280 gas snowblower parts | Sears PartsDirect

Craftsman 536886280 gas snowblower parts | Sears PartsDirect

247.887791 (31AS32BD799) - Craftsman Snow Thrower (2011 ...

247.887791 (31AS32BD799) - Craftsman Snow Thrower (2011 ...

Craftsman Snowblower | 536887990 | eReplacementParts.com

Craftsman Snowblower | 536887990 | eReplacementParts.com

Craftsman 5Hp Snowblower | 536886440 | eReplacementParts.com

Craftsman 5Hp Snowblower | 536886440 | eReplacementParts.com

C950-52809-0 Craftsman 24

C950-52809-0 Craftsman 24" Snowblower Parts List – DR Mower Parts

Lawn Mower Carburetor Repair | Briggs & Stratton

Lawn Mower Carburetor Repair | Briggs & Stratton

Murray 88140000NC - 536.881400 Craftsman 4.0HP Single Stage ...

Murray 88140000NC - 536.881400 Craftsman 4.0HP Single Stage ...

Snow Blower Carburetor Clean

Snow Blower Carburetor Clean

Vergaser Kit Für Tecumseh 8-10 HP MTD/Snapper/Ariens 824 Schneefräse Motoren

Vergaser Kit Für Tecumseh 8-10 HP MTD/Snapper/Ariens 824 Schneefräse Motoren

Replaces Craftsman Model 247.881723 Snow Blower Carburetor ...

Replaces Craftsman Model 247.881723 Snow Blower Carburetor ...

Craftsman 247.887802 (31AS2S5D799) - Craftsman Snow Thrower ...

Craftsman 247.887802 (31AS2S5D799) - Craftsman Snow Thrower ...

MTD Snowblower Engine Carburetor Replacement #951-12704A

MTD Snowblower Engine Carburetor Replacement #951-12704A

Craftsman Snowblower | My Tractor Forum

Craftsman Snowblower | My Tractor Forum

Craftsman by MTD 31AS62EE799 (247.889571) (2010) Snow Blower ...

Craftsman by MTD 31AS62EE799 (247.889571) (2010) Snow Blower ...

DICHTUNG

DICHTUNG

Yomoly Carburetor Compatible with Craftsman Model 247.88190.0 / 31AS6HEG799  Snow Blower Replacement Carb

Yomoly Carburetor Compatible with Craftsman Model 247.88190.0 / 31AS6HEG799 Snow Blower Replacement Carb

Craftsman snowblower Parts Manual 944.525800

Craftsman snowblower Parts Manual 944.525800

Craftsman Snowblower Carburetor Repair

Craftsman Snowblower Carburetor Repair

Craftsman 5Hp 22

Craftsman 5Hp 22" Snowblower | 536886120 | eReplacementParts.com

CARBURETOR FOR CRAFTSMAN 536.885920 536885920 8/26 Sears ...

CARBURETOR FOR CRAFTSMAN 536.885920 536885920 8/26 Sears ...

I have a snow blower with a Tecumseh 8.5 hp, Model LH318SA ...

I have a snow blower with a Tecumseh 8.5 hp, Model LH318SA ...

Craftsman 17.5 hp 42 in. Deck Lawn Tractor - CA Model ...

Craftsman 17.5 hp 42 in. Deck Lawn Tractor - CA Model ...

Craftsman Snowblower Leaks Gas? Carbeturetor Gasket #951-11589

Craftsman Snowblower Leaks Gas? Carbeturetor Gasket #951-11589

Craftsman snow thrower with 9 HP Tecumseh engine carburetor carb | eBay

Craftsman snow thrower with 9 HP Tecumseh engine carburetor carb | eBay

9hp Craftsman Snowblower Post Carb Install Adjustment Needed ...

9hp Craftsman Snowblower Post Carb Install Adjustment Needed ...

Craftsman by MTD 31AS6BEE799 (247.881732) (2015) Snow Blower ...

Craftsman by MTD 31AS6BEE799 (247.881732) (2015) Snow Blower ...

Buy mdairc 751-12098 Carburetor for MTD Cub Cadet Troy Bilt ...

Buy mdairc 751-12098 Carburetor for MTD Cub Cadet Troy Bilt ...

0 Response to "43 craftsman snowblower carburetor diagram"

Post a Comment

Iklan Atas Artikel

Iklan Tengah Artikel 1

Iklan Tengah Artikel 2

Iklan Bawah Artikel