Iklan 300x250

43 john deere sabre wiring diagram

Wiring Diagram For John Deere Sabre - Wiring Diagram Line Apr 07, 2018 · John deere 1842gv 1842hv sabre yard tractors tm1740 pdf lawn garden tractor tm1769 manual tm1948 1642hs 14 542gs 17 542hs 1442gs technical service manuals 1948gv ... Sabre 1438 electrical problem. Looking for wiring ... Sabre 1438 electrical problem. Looking for wiring schematic. ... Sorry , no link to wiring diagram...Forget the fuse, your solenoid is getting the 12v..[click]....I would take a set of auto jumper cables...Neg battery to eng block, besure in neutral, and deck not engaged.., and beware you have no safety switches working..Then connect and touch ...

Where can I get a wiring diagram for a John Deere Sabre - Fixya Where can I get a wiring diagram for a John Deere Sabre 1438GS tractor? electrical wiring schematic needed - John Deere Garden question.

John deere sabre wiring diagram

John deere sabre wiring diagram

John Deere Sabre 2554 Wiring Diagram Nov 23, 2018 · John Deere Sabre 2554 Wiring Diagram. This manual should be considered a permanent part of your machine and . Scotts Operator's Manual Picture Note: Model S used for photo purposes. 1. HV John Deere Battery Hold Down Strap - M Quick View. John Deere Battery Hold Down John Deere Headlamp Wiring Harness - AM I am asking for a wiring diagram for a ... JOHN DEERE - Service Manual Download John Deere Sabre 1438, 1542, 1642, 1646, 15.538, 15.542 Lawn Tractor Technical Manual (TMGX10238) John Deere Timberjack 660D Skidder Workshop Manual (SMF435521) John Deere 50 Forage Blower Service Manual (SM2006) John Deere 60 Series Tractors Service Repair Manual (SM2008) Riding Lawn Mower Starter Solenoid Wiring Diagram - Wiring ... Sabre riding mower wiring diagram lawn john deere 1842gv 1842hv yard 1642hs 14 542gs 17 tractor technical 1948gv 2354hv 1948hv garden pc2657 murray 425014x92a 2004 graden tractors 42 belt 1338 gear manual pdf starter trouble on jd saber 2254hv solenoid from 2048hv the. Craftsman Lt2000 Lawn Mower Starter Solenoid Diagram.

John deere sabre wiring diagram. Sabre 14.5/38 Hydro Wiring Diagram Sabre 14.5/38 Hydro Wiring Diagram. Installation, Repair and Replacement of John Deere Sabre /38 Hydro Tractor Drive Belt GX Left-hand and Overall view of the belt layout (#1). Did your Sabre model HYDRO GXSABRB lawn, tractor break down? John Deere Parts Diagrams, John Deere Sabre 1742 Lawn ... Buy Genuine OEM John Deere parts for your John Deere Sabre 1742 Lawn Tractor -PC2804 and ship today! Huge in-stock inventory of OEM John Deere parts. ... John Deere Parts Diagrams, John Deere Sabre 1742 Lawn Tractor -PC2804 . BATTERY: ELECTRICAL. ... ENGINE WIRING 3 AMP: ELECTRICAL. FRONT WHEELS & TIRES: WHEELS,FRAME AND OPERATOR'S STATION ... Sabre 15.538HS wiring diagram or service manual - My ... 4 Apr 2017 — I have a Hydrostatic Sabre 15.5 HP 38" deck none of the safety switches seem to work and there's a black wire when i touch it to the engine ... John Deere Parts Diagram & Parts Search • John Deere Parts ... John Deere AG, Lawn & Garden and CWP Equipment Parts Search. John Deere parts lookup tool and diagram is an incredible online source. It is a complete catalog that shows you detailed parts diagrams of every part of your machine. This online parts catalog is robust and easy to use. Searching for your John Deere parts online has never been easier.

John Deere Sabre Lawn Tractor Wiring Diagram Nov 05, 2017 · John Deere Sabre 1742 Lawn Tractor Pc2804 Belt Drive Idlers Power Train Gear Gu10327. I Need A Wiring Diagram For 420 Deere Lawn Tractor. John Deere Sabre Lawn Tractor Service Technical Manual Tm Gx10238 Repair Manuals Pdf. Murray 425014x92a Lawn Tractor 2004 Parts Diagram For Electrical System. John Deere Sabre Lawn Tractor 14 542gs 1642hs 17 ... Sabre Model 1646 Wiring Diagram Sabre Model 1646 Wiring Diagram. Sections in your operator's manual are placed in a specific order to help you information on servicing, always provide the product model and identification. wiring diagram saber - John Deere Garden question. is the manual for the Saber IV version it is fairly identical to the Saber III model. wiring diagram for ... John Deere Sabre 15.5 Hp Wiring Diagram - schematron.org A wiring diagram is something you would have to request directly from John Deere. Installation, Repair and Replacement of John Deere Sabre /38 Hydro Tractor Drive Belt GX Left-hand and right-hand are referenced from the point of view of the tractor operator. Wiring Diagram For Sabre Lawn Tractor - Wiring Diagram Nov 20, 2017 · John Deere Sabre 42 Belt Diagram Wiring Site Resource. Murray 425014x92a Lawn Tractor 2004 Parts Diagram For Electrical System. I Need A Electrical Schematic For Jphn Deere Sabre Id Gxsabra021450. John Deere Sabre 14 542gs 1642hs 17 542hs Lawn Tractor Tm1948 Service Repair Manual Pdf Heys S. John Deere Sabre 2048hv 2254hv 2554hv Yard And Garden ...

John Deere Sabre Parts Diagram | Automotive Parts Diagram ... Description: Installation, Repair And Replacement Of John Deere Sabre 14.5/38 with John Deere Sabre Parts Diagram, image size 985 X 620 px, and to view image details please click the image.. Here is a picture gallery about john deere sabre parts diagram complete with the description of the image, please find the image you need. Wiring diagram john deere sabre - Fixya I need a diagram for a John Deere Sabre 1742 riding lawnmower drive belt . Not for the mowern belt, the drive belt . Visit the on-line store, ... what is the wiring diagram for a 1999 john deere sabre ... need a wiring diagram for a sabre lawn tractor 1948 gv/hv. i think it is a 2001. I've replaced the ignition switch, pto swith. Can not get it to turn over. the battery is new. Bypasing Saftey Switches on the John Deere Sabre - YouTube My mower had some electrical/safety switch gremlins. Rather than replace these switches which have annoyed me for 20+ years on various mowers, I decided to b...

Workhorse Manuals

Workhorse Manuals

John Deere Scotts / Sabre 2554HV Wiring Diagram Needed and ... John Deere Scotts / Sabre 2554HV Wiring Diagram Needed and or Technical Service Manual. Thread starter All Texas Process Servers; Start date Nov 4, 2020; ... Aug 7, 2020 Threads 2 Messages 2. Nov 4, 2020 #1 I need a Wiring Diagram and or Technical Service Manual for a John Deere Scotts / Sabre 2554HV. ...

JD Sabre 1454.2GS 1642HS 17.542HS Technical Manual Lawn ...

JD Sabre 1454.2GS 1642HS 17.542HS Technical Manual Lawn ...

John Deere Sabre 1438 Wiring Diagram - Wiring Diagram And ... john deere sabre parts diagram is among the most images we located on the internet from reliable resources. We choose to talk about this john deere sabre parts diagram picture here simply because based on data from Google search engine, Its one of many top rated searches key word on google.

Basic Wiring Diagram for all Garden Tractors using a Stator ...

Basic Wiring Diagram for all Garden Tractors using a Stator ...

John Deere 318 Electrical Diagram - U Wiring John deere model 318 wiring diagram wiring diagram is a simplified gratifying pictorial representation of an electrical circuit. Trade marks and trade names contained and used herein are those of others. A single trick that I 2 to print the same wiring diagram off twice. Collection of wiring diagram for john deere riding lawn mower.

Sabre Lawn Mower Parts Online Shop, UP TO 64% OFF | www ...

Sabre Lawn Mower Parts Online Shop, UP TO 64% OFF | www ...

John Deere Ignition Switch Wiring Diagram - Wiring Diagram 1945 John Deere Wiring Diagram - Trusted Wiring Diagrams • - John Deere Ignition Switch Wiring Diagram. Wiring Diagram will come with several easy to stick to Wiring Diagram Instructions. It's supposed to help all of the common consumer in developing a proper program. These guidelines will be easy to comprehend and implement.

TractorData.com Sabre 2254HV tractor information

TractorData.com Sabre 2254HV tractor information

Need wiring diagram for sabre (john deere) 1438gs lawn - Fixya SOURCE: belt route diagram for john deere sabre 1742. Go to this site and list your model and download an operators manual. You will need the decal model ...

318 Neutral Safety Switch? | My Tractor Forum

318 Neutral Safety Switch? | My Tractor Forum

John Deere Wiring Diagram Download - Wirings Diagram John Deere Wiring Diagram Download - john deere 111 wiring diagram download, john deere 116 wiring diagram download, john deere 2010 wiring diagram download, Every electrical arrangement is composed of various diverse components. Each component should be set and connected with other parts in particular manner. If not, the arrangement won't function as it should be.

Riding Mower, Starting System Wiring Diagram - Part 1

Riding Mower, Starting System Wiring Diagram - Part 1

John Deere Wiring Diagram Download - Wiring Diagram X540 John Deere Fuse Box - Wiring Diagram Data Oreo - John Deere Wiring Diagram Download. Wiring Diagram arrives with numerous easy to stick to Wiring Diagram Instructions. It really is supposed to help each of the common person in developing a suitable method. These guidelines will be easy to comprehend and use.

Scotts S1742 Lawn Tractor wont start...

Scotts S1742 Lawn Tractor wont start...

Sabre 14.5/38 Hydro Wiring Diagram - schematron.org Sep 15, 2018 · SOURCE: John Deere Sabre /38 HYDR lawn tractorWont't See if there is a plastic connector on the wires leading to the seat switch. If there is try disconnecting it and use a piece of wire (with insulation on it) to use a jumper.Need wiring diagram of sabre c on ride lawn mower - FixyaWiring diagram for a schematron.org sabre ignition switch - Fixya

Return to Orbit

Return to Orbit

Where can you download the wiring diagram for a 1438 Sabre ... Deere can supply the drawings of the two harnesses available. This machine was made across the time when reverse safety features were introduced. So it will list a harness and an RIO haress. Take ...

John Deere Headlight Wiring Harness - GY21294

John Deere Headlight Wiring Harness - GY21294

Need wiring diagram of sabre 1438 c on ride lawn mower - Fixya This link will send you to the illustrated parts list on the john deere site. It shows the belt routing in the part diagram. Hope this solves your headache.

Sabre Lawn Mower Parts Online Shop, UP TO 64% OFF | www ...

Sabre Lawn Mower Parts Online Shop, UP TO 64% OFF | www ...

John Deere Sabre 15.5 Hp Wiring Diagram Dec 04, 2019 · Wiring diagram for John Deere Sabre 15.5 hp mower. Plug charger to an electrical. Find parts for your john deere engine wiring 15 hp, hp & 16 hp: electrical with our free parts lookup tool! Search easy-to-use diagrams and enjoy same-day. Sabre Lawn Tractors. If playback doesn't begin shortly, try restarting your device.

Starter Trouble on JD Saber lawn tractor

Starter Trouble on JD Saber lawn tractor

I need a wiring diagram for a john deere sabre - Fixya SOURCE: need a diagram on how to put a drive belt back on. It is a hard one to put on co look at the picture carefully there are two pulleys one that one ...

TRANSMISSION - DRIVE [B01] - TRACTOR, LAWN John Deere 1538GR ...

TRANSMISSION - DRIVE [B01] - TRACTOR, LAWN John Deere 1538GR ...

ARIMain - GREENPARTS - John Deere Parts and John Deere ... SABRE-1338G-1538H-1546G-1638H-1648H-EUROPRO-1338GS-1538HX-1546GS-1646HS Parts Diagram

I need the wiring diagram deere sst 16

I need the wiring diagram deere sst 16

Need wiring diagram for sabre 2354hv - Fixya SOURCE: i need a wiring diagram for a john deere sabre. go to . God bless you. Posted on Sep 21, 2012.

John deere 2254hv sabre lawn garden tractor service repair ...

John deere 2254hv sabre lawn garden tractor service repair ...

John Deere 318 Wiring Diagram - Wiring Tech John Deere 318 Wiring Diagram. 318 wiring from starter relay to solenoid. Ad Quality Maintenance Parts From John Deere. Craftsman starter wiring diagram diagram data schema. 27 Elegant John Deere Sabre Wiring Diagram. It reveals the components of the circuit as streamlined shapes and also the power and signal connections in between the tools.

Polydict 419 /C /CS/ D /E /E2 /F /G R-Player Polydict, M.

Polydict 419 /C /CS/ D /E /E2 /F /G R-Player Polydict, M.

I have a 1999 deere sabre 1538 and was needing a diagram ... I have a John deere Sabre 1538 auto tractor. I can start and move the tractor fine,but when I try to engage the cutter as soon as I push the … read more. Curtis B. Technician. Associate Degree. 20,427 satisfied customers. I am looking for a motion drive diagram for a John Deere Sabre.

John Deere Agricultural 25.1GB PDF Technical Manual Service ...

John Deere Agricultural 25.1GB PDF Technical Manual Service ...

wiring diagram for a John Deere Sabre 1646 Hydro got one from the neighbor with wiring messed up. any help will be appreciated: arnold baldwin: PLS,help. need wiring diagram for sabre, mod 280777 Type 066a1 code 9604304a. thank you. scott: I have a JD sabre that quit running, but when I push in on the brake pedal it will start and then die when it is released.

John Deere 6820, 6920 And 6920S Tractors Service Repair ...

John Deere 6820, 6920 And 6920S Tractors Service Repair ...

John Deere Gator Wiring Diagram - U Wiring John Deere Gator Wiring Diagram. Filter - engine 2 m r filtergator th 6×4 diesel - john deere - section 1 4×2 ts and tx. It has the Kawasaski FE290D motor. 6×4 and 6×4 Trail. Assortment of john deere gator wiring diagram. Wiring Diagram Sheets Detail. It really is supposed to help each of the common person in developing a suitable method.

John Deere D100 D110 D120 D130 D140 D150 D160 D170 Repair ...

John Deere D100 D110 D120 D130 D140 D150 D160 D170 Repair ...

Riding Lawn Mower Starter Solenoid Wiring Diagram - Wiring ... Sabre riding mower wiring diagram lawn john deere 1842gv 1842hv yard 1642hs 14 542gs 17 tractor technical 1948gv 2354hv 1948hv garden pc2657 murray 425014x92a 2004 graden tractors 42 belt 1338 gear manual pdf starter trouble on jd saber 2254hv solenoid from 2048hv the. Craftsman Lt2000 Lawn Mower Starter Solenoid Diagram.

John Deere Sabre 1338 1538 15538 1546 1638 1646 Repair Manual ...

John Deere Sabre 1338 1538 15538 1546 1638 1646 Repair Manual ...

JOHN DEERE - Service Manual Download John Deere Sabre 1438, 1542, 1642, 1646, 15.538, 15.542 Lawn Tractor Technical Manual (TMGX10238) John Deere Timberjack 660D Skidder Workshop Manual (SMF435521) John Deere 50 Forage Blower Service Manual (SM2006) John Deere 60 Series Tractors Service Repair Manual (SM2008)

PIPE ASSY., CLUTCH for VF1100S SABRE 1984 (E) USA CALIFORNIA ...

PIPE ASSY., CLUTCH for VF1100S SABRE 1984 (E) USA CALIFORNIA ...

John Deere Sabre 2554 Wiring Diagram Nov 23, 2018 · John Deere Sabre 2554 Wiring Diagram. This manual should be considered a permanent part of your machine and . Scotts Operator's Manual Picture Note: Model S used for photo purposes. 1. HV John Deere Battery Hold Down Strap - M Quick View. John Deere Battery Hold Down John Deere Headlamp Wiring Harness - AM I am asking for a wiring diagram for a ...

Peg Perego John Deere Tractor With Loader IGCD0517 - KidsWhips

Peg Perego John Deere Tractor With Loader IGCD0517 - KidsWhips

garden tractor wiring diagram parts list manual parts book

garden tractor wiring diagram parts list manual parts book

John Deere Parts Diagrams, John Deere Sabre 2046HV Lawn ...

John Deere Parts Diagrams, John Deere Sabre 2046HV Lawn ...

Sabre 1948HV Garden Tractor Price, Specs, Attachments 2022

Sabre 1948HV Garden Tractor Price, Specs, Attachments 2022

MK8-91 MBW Concrete Ride-On Trowel Parts | MBWrepairparts.com

MK8-91 MBW Concrete Ride-On Trowel Parts | MBWrepairparts.com

John Deere Sabre 2048HV, 2254HV & 2554HV Yard and Garden ...

John Deere Sabre 2048HV, 2254HV & 2554HV Yard and Garden ...

SOLVED: My 15 hP Briggs had enough last week on my John - Fixya

SOLVED: My 15 hP Briggs had enough last week on my John - Fixya

starter solenoid wiring diagram from battery to solenoid ...

starter solenoid wiring diagram from battery to solenoid ...

Amazon.com : John Deere Original Equipment Switch #AM117324 ...

Amazon.com : John Deere Original Equipment Switch #AM117324 ...

2048HV - SABRE Wiring Harness (020001 - ) EPC John Deere ...

2048HV - SABRE Wiring Harness (020001 - ) EPC John Deere ...

Motorcycle Wiring Diagrams – Evan Fell Motorcycle Works

Motorcycle Wiring Diagrams – Evan Fell Motorcycle Works

EVINRUDE JOHNSON Outboard Wiring Diagrams -- MASTERTECH MARINE --

EVINRUDE JOHNSON Outboard Wiring Diagrams -- MASTERTECH MARINE --

JD Sabre 1948GV 1948HV 2148HV 2354HV 2554HV Technical Manual ...

JD Sabre 1948GV 1948HV 2148HV 2354HV 2554HV Technical Manual ...

TM138119 - John Deere X330, X350, X354, X370, X380, X384 ...

TM138119 - John Deere X330, X350, X354, X370, X380, X384 ...

GY20074 Ignition Key Starter Switch for John Deere Scotts ...

GY20074 Ignition Key Starter Switch for John Deere Scotts ...

Tech

Tech

Confirm bad coil? | For B Bodies Only Classic Mopar Forum

Confirm bad coil? | For B Bodies Only Classic Mopar Forum

John Deere Sabre 14.542GS 1642HS 17.542HS Lawn Tractor TM1948 ...

John Deere Sabre 14.542GS 1642HS 17.542HS Lawn Tractor TM1948 ...

TM138119 - John Deere X330, X350, X354, X370, X380, X384 ...

TM138119 - John Deere X330, X350, X354, X370, X380, X384 ...

Review: Microstructured reactors for distributed and ...

Review: Microstructured reactors for distributed and ...

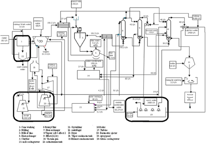
Pinch Analysis of Sugarcane Refinery Water Integration ...

Pinch Analysis of Sugarcane Refinery Water Integration ...

john deere sabre drive belt diagram,smartsecurityservices.in

john deere sabre drive belt diagram,smartsecurityservices.in

0 Response to "43 john deere sabre wiring diagram"

Post a Comment

Iklan Atas Artikel

Iklan Tengah Artikel 1

Iklan Tengah Artikel 2

Iklan Bawah Artikel