Iklan 300x250

44 john deere 6400 fuse box diagram

72 John Deere Service Manuals Free Download - Truck manual, wiring... John Deere Service manuals. Title. File Size. Download. John Deere Wiring Schematic Diagrams.pdf. 414.4kb. Can you please send me the service manual for john Deere 6610 that show fuse box drawing and the hydraulic system please. PDF cyltab | Deere Power Systems Group OMRG25204 (20MAY96) | Forum JOHN DEERE ENGINE OWNER: Don't wait until you need warranty or other service to meet your local John Deere Engine Distributor or Service Dealer. Learn who he is and where he is. At your rst convenience, go meet him. He'll want to get to know you and to learn what your needs might be.

meetcasentino.it › tnqbjmeetcasentino.it Feb 27, 2022 · Mods I've done for mine is a 48L hard top box (able to have 2 boxes of 36 version (80+ HP), coul. pl We stock parts for cruisers such as the Yamaha Dragstar, and for dual-sports and sports-touring bikes, such as the XTZ and XJR models, the Yamaha Fazer and 900 Diversion. F90 (65 300HP Yamaha outboards for sale V6 4.

John deere 6400 fuse box diagram

John deere 6400 fuse box diagram

john deere 6400 fuse box diagram John Deere Fuse Box Diagram. They want you to go to a cub dealer even if you have to travel 50 miles. John Deere Fuse Box. The simplest approach to read a home wiring diagram is to begin at the source … JOHN DEERE 6400 Farm Equipment For Sale... | TractorHouse.com Browse a wide selection of new and used JOHN DEERE 6400 Farm Equipment for sale near you at TractorHouse.com. E001 1993 John Deere Mechanical Front Wheel Drive Tractor Model: 6400 Product ID#: XL06400H112064X Hours: 8554 Motor Type: 4045 TL - 002 Gross Power: 100.6hp Pto... John Deere Fuse Box Diagram - Wiring Schema Collection Wiring diagram for 4410 john deere tractor perfomance john deere 4300 fuel trouble in general board wrg 2077 620 john deere fuse box 5 wire horn diagram toolbox wiring 4310 ehydro will not move page 2. Working on john deere tractor blows John Deere 6400 Fuse Diagram Reading Industrial Wiring.

John deere 6400 fuse box diagram. › category › celebritiesCelebrities Archives - Hollywood.com Click to get the latest Celebrities content. Sign up for your weekly dose of feel-good entertainment and movie content! '05-'10 Chrysler 300, Dodge Charger & Magnum Fuse Box Diagram 2005-2010 Chrysler 300/300C and Dodge Charger/Magnum Fuse Box Diagram. Engine Compartment Fuse Box (Fusible Link 14). SOLVED: Where on the engine of a john deere 6400 is the - Fixya John deere blows fuse when starting. hi all jd info i get from their forum..well worth a look. Check main FUSE if the FUSE box IT is the first one at the top if you look in the I think is M1 FUSE 30 amp. Popular Questions. I need a diagram for. John Deere 22HP VTwin 48" Riding... 28 John Deere 6400 Fuse Box Diagram - Wiring Database 2020 John deere 6400 wiring diagram disclaimer. Not sure how the power god through the. Working on john deere tractor blows fuel shutoff fuse and fixing Fuse box diagram for john deere. Its products including the john deere 6400 are highly regarded as being both long lasting and decently priced.

OPERATION AND SERVICE MANUAL 6081 OEM Diesel | Manualzz John Deere OEM Engines. These accessories may be provided by the equipment manufacturer instead of. The touch switches on the diagnostic gauge allow quick and easy navigation through the menu to find the information needed. The diagram on the previous page is a typical Main Menu of... Fuse box diagram - Dodge Diesel - Diesel Truck Resource Forums Need to replace bad fuse (maybe). Note in fuse box says refer to owners manual. Anybody have the diagram/description for the fuse box in my truck? It's the one along the side of the dash on the driver's side(inside, not under the hood). JOHN DEERE Tractor & Combine Harvester Service Manuals PDF JOHN DEERE Tractor & Combine Manuals PDF. John Deere 6620, Sidehill 6620, 7720, 8820 Hydraulic. - Free Trucks, Tractors & Forklift Truck Wiring Diagrams We need a Wiring Schematic/Fuse Box Diagram for a 2008 Navistar 8600 SBA 6x4 Cummons ISX Diesel. John Deere Fuse Box Omal162074 6215 6415 6615 And 6715 Tractors 398791 Block The wiring diagram opens in a pop-up modal box. If the pop-up blocker is turned on in your device, you are not able to download or read online the wiring diagram. John Deere 6400 Fuse Diagram Wiring Diagram.

31 John Deere 6400 Fuse Box Diagram - Wiring Diagram Database John deere 6400 wiring diagram disclaimer. We never admit that the image is our image the copyright is in the image owner we only help our users to 955 John Deere Fuse Box Wiring Diagrams. John Deere 6900 Fuse Panel Manual The Farming Forum. Stabilizer Chain Tractor John Deere 6400... FUSES, DIODES, RELAYS (FUSE BOX) - TRACTOR John Deere... Home » John Deere » TRACTOR » 6400 - TRACTOR » 6200, 6300, 6400, and 6500 Tractors (North American Edition) » ELECTRICAL COMPONENTS » FUSES, DIODES, RELAYS (FUSE BOX). * To view John Deere spare parts dealers contact information you must be registered and logged in. John Deere 6400 Fuse Box Diagram General Wiring Diagram John deere 6200 wiring diagram Kindle file format wiring diagram for john deere 6200 recognizing the showing off ways to get this book wiring diagram for john deere 6200 is *Click "Save Image" to View FULL IMAGE. Free Download. 30 John Deere 6400 Fuse Box Diagram Wiring Diagram List. John Deere Fuse Box Diagram - Wiring Schema Collection Wiring diagram for 4410 john deere tractor perfomance john deere 4300 fuel trouble in general board wrg 2077 620 john deere fuse box 5 wire horn diagram toolbox wiring 4310 ehydro will not move page 2. Working on john deere tractor blows John Deere 6400 Fuse Diagram Reading Industrial Wiring.

Massey Ferguson MF 6445 - MF 6455 - MF 6460 - MF 6465 - MF ...

Massey Ferguson MF 6445 - MF 6455 - MF 6460 - MF 6465 - MF ...

JOHN DEERE 6400 Farm Equipment For Sale... | TractorHouse.com Browse a wide selection of new and used JOHN DEERE 6400 Farm Equipment for sale near you at TractorHouse.com. E001 1993 John Deere Mechanical Front Wheel Drive Tractor Model: 6400 Product ID#: XL06400H112064X Hours: 8554 Motor Type: 4045 TL - 002 Gross Power: 100.6hp Pto...

John Deere Fuse Panel Problem

John Deere Fuse Panel Problem

john deere 6400 fuse box diagram John Deere Fuse Box Diagram. They want you to go to a cub dealer even if you have to travel 50 miles. John Deere Fuse Box. The simplest approach to read a home wiring diagram is to begin at the source …

Viewing a thread - 7 pin connector

Viewing a thread - 7 pin connector

Where's the fuse box on John deere 6300 - Fixya

Where's the fuse box on John deere 6300 - Fixya

Ignition Switch - Letters

Ignition Switch - Letters

John Deere tractors: Common problems and how to fix them ...

John Deere tractors: Common problems and how to fix them ...

John Deere 6410 tractor won't start - TractorByNet

John Deere 6410 tractor won't start - TractorByNet

John Deere Electrical System Relays and Fuses (5103, 5203 ...

John Deere Electrical System Relays and Fuses (5103, 5203 ...

John Deere 5045D,5045E,5055D,5055E,5065E,5075E TRACTORS ...

John Deere 5045D,5045E,5055D,5055E,5065E,5075E TRACTORS ...

Wiring diagrams for Deere Tractor product identification ...

Wiring diagrams for Deere Tractor product identification ...

John Deere 6100, 6200, 6300, 6400 Early Tractors Electrics ...

John Deere 6100, 6200, 6300, 6400 Early Tractors Electrics ...

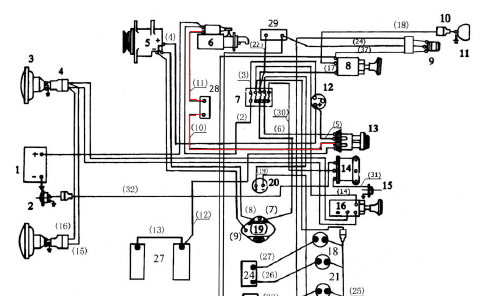
6300 - TRACTOR FUSES, DIODES, RELAYS (FUSE BOX 1) EPC John ...

6300 - TRACTOR FUSES, DIODES, RELAYS (FUSE BOX 1) EPC John ...

JD 6400 no electric power at all. | Green Tractor Talk

JD 6400 no electric power at all. | Green Tractor Talk

FUSE BOX / SYMBOLS - TRACTOR John Deere 6415 - TRACTOR - 6415 ...

FUSE BOX / SYMBOLS - TRACTOR John Deere 6415 - TRACTOR - 6415 ...

Massey Ferguson MF-6400 Service Manual PDF

Massey Ferguson MF-6400 Service Manual PDF

6110 - TRACTOR FUSES, DIODES, RELAYS (FUSE BOX, 2POST) EPC ...

6110 - TRACTOR FUSES, DIODES, RELAYS (FUSE BOX, 2POST) EPC ...

WIRING HARNESS INSTRUMENTS (2-POST ROLL GARD) - TRACTOR John ...

WIRING HARNESS INSTRUMENTS (2-POST ROLL GARD) - TRACTOR John ...

6300 - TRACTOR FUSE BOX / SYMBOLS (4-POST ROPS) EPC John ...

6300 - TRACTOR FUSE BOX / SYMBOLS (4-POST ROPS) EPC John ...

Wiring diagrams for Deere Tractor product identification ...

Wiring diagrams for Deere Tractor product identification ...

John deere 6900 fuse panel/manual | The Farming Forum

John deere 6900 fuse panel/manual | The Farming Forum

John Deere 6100, 6200, 6300, 6400 Early Tractors Electrics ...

John Deere 6100, 6200, 6300, 6400 Early Tractors Electrics ...

John Deere 6300, 6500 & 6600 TRACTORS (SOUTH AMERICAN EDITION ...

John Deere 6300, 6500 & 6600 TRACTORS (SOUTH AMERICAN EDITION ...

FUSE BOX (CAB) - TRACTOR John Deere 6320 - TRACTOR - 6320 ...

FUSE BOX (CAB) - TRACTOR John Deere 6320 - TRACTOR - 6320 ...

6400 blows 30 amp fuse when key is on | Green Tractor Talk

6400 blows 30 amp fuse when key is on | Green Tractor Talk

Details about FPE 5136R, 100 Amp, 600 Volt, 3P3W, Vintage Disconnect - NEW-B

Details about FPE 5136R, 100 Amp, 600 Volt, 3P3W, Vintage Disconnect - NEW-B

Operator station, climate control and air filters

Operator station, climate control and air filters

Valtra Valmet 6600 TRACTOR Service Repair Manual

Valtra Valmet 6600 TRACTOR Service Repair Manual

SOLVED: Where is the Hydraulic pump located in my JD 6400 ...

SOLVED: Where is the Hydraulic pump located in my JD 6400 ...

FUSES, DIODES, RELAYS (FUSE BOX 1, CAB) - TRACTOR John Deere ...

FUSES, DIODES, RELAYS (FUSE BOX 1, CAB) - TRACTOR John Deere ...

ATTACHMENTS

ATTACHMENTS

Turn signals and safety flashers on my JD 4510 | Green ...

Turn signals and safety flashers on my JD 4510 | Green ...

Preparations for EVA-1

Preparations for EVA-1

CAP AS 4559568 - Caterpillar | AVSpare.com

CAP AS 4559568 - Caterpillar | AVSpare.com

John deere 6900 fuse panel/manual | The Farming Forum

John deere 6900 fuse panel/manual | The Farming Forum

Fuse Lookup 10 Images - Obd2 Connector Location In Fiat Uno ...

Fuse Lookup 10 Images - Obd2 Connector Location In Fiat Uno ...

FUSES, DIODES, RELAYS (FUSE BOX, 2POST) - TRACTOR John Deere ...

FUSES, DIODES, RELAYS (FUSE BOX, 2POST) - TRACTOR John Deere ...

FUSE BOX / SYMBOLS (CAB) - TRACTOR John Deere 6100 - TRACTOR ...

FUSE BOX / SYMBOLS (CAB) - TRACTOR John Deere 6100 - TRACTOR ...

Turn key and nothing. No start, no gauges, no lights. | Page ...

Turn key and nothing. No start, no gauges, no lights. | Page ...

Massey Ferguson tractors 7400 series

Massey Ferguson tractors 7400 series

Air Conditioning - Part 3 - Diagnostic Procedures

Air Conditioning - Part 3 - Diagnostic Procedures

Answered John Deere 6300,6300l,6400,6400l Tractor Radiator ...

Answered John Deere 6300,6300l,6400,6400l Tractor Radiator ...

FUSES, DIODES, RELAYS (FUSE BOX 1) - TRACTOR John Deere 6400 ...

FUSES, DIODES, RELAYS (FUSE BOX 1) - TRACTOR John Deere 6400 ...

John Deere 7320 diagnostic walk through

John Deere 7320 diagnostic walk through

FUSES, DIODES, RELAYS (FUSE BOX 2) - TRACTOR John Deere 6800 ...

FUSES, DIODES, RELAYS (FUSE BOX 2) - TRACTOR John Deere 6800 ...

0 Response to "44 john deere 6400 fuse box diagram"

Post a Comment

Iklan Atas Artikel

Iklan Tengah Artikel 1

Iklan Tengah Artikel 2

Iklan Bawah Artikel