Iklan 300x250

44 john deere 2010 parts diagram

John Deere 2010 Parts Diagram for Clutch, Transmission ... John Deere 2010 Clutch, Transmission & PTO Components Parts Diagram. SWIPE SWIPE. Clutch, Transmission & PTO Components. Cooling System Components. Electrical Components. Engine Components. Filters. Front Axle & Steering Components. Fuel System Components. NIKKI Briggs, also known as Briggs & Stratton, produces a ... Replaces John Deere D105 Lawn Tractor Carburetor. in February with capital of 40,000 yen, the first carburetor factory in Japan. stratton nikki carburetor parts diagram auto wire briggs and stratton nikki carburetor parts diagram further 10 hp briggs stratton carburetor Briggs And Stratton Nikki Carburetor … 28q777 0026 01 parts diagram for briggs and stratton 28q777 …

John Deere 2010 Parts Manual - Keep 'Em Crawling John Deere 2010 Parts Manual. $ 37.00. This printed Parts Manual is for the John Deere 2010 Tractor. It has the YELLOW cover. Allow 5 business days to process. Out of stock. Description. Additional information.

John deere 2010 parts diagram

John deere 2010 parts diagram

Shop our selection of John-Deere 2010 Parts and Manuals bodycoach-online.de › onan-carb-parts-diagramOnan carb parts diagram - bodycoach-online.de Mar 23, 2022 · Shop our great selection, or try a simple search for a precise John Deere Tractor using the search. A wiring diagram usually provides details regarding the… Feb 01, 2020 · Rebuilding my B48M and the DD 14 carburetor has a crack in the bowl side I have my hands on a nearly new Nikki (146-0496) carb from a P series (P216 or P218), but the ... en.wikipedia.org › wiki › Component_parts_ofComponent parts of internal combustion engines - Wikipedia Parts An illustration of several key components in a typical four-stroke engine. For a four-stroke engine, key parts of the engine include the crankshaft (purple), connecting rod (orange), one or more camshafts (red and blue), and valves .

John deere 2010 parts diagram. John Deere Model X530 Lawn and Garden Tractor Parts John Deere Model X530 Lawn and Garden Tractor Parts - The 13 or 16-digit product identification number (serial number) (A) is located on right side of john deere 2010 parts - maine tractor crossing John Deere 2010 Parts Tractor Row Crop, Gas Engine, 1962, sn R26348. John Deere 2010 Parts Tractor Row Crop , sn 1347, 1961, Narrow Front End, Power Steering, Gas Engine, Dual Rockshaft. John Deere 2010 Parts Tractor (1961) (sn tag gone) Row Crop Utility, Gas Engine, Power Steering, Dual Hydraulics, 50" - 74" Adjustable Front End John Deere Tractor - Model 2010, New and Used Tractor Parts Contact Roberts Farm Equipment for all of your John Deere Tractor - Model 2010, New and Used Tractor Parts needs. We stock and sell tractor parts for all manufacturers from the 1920's vintage to the 2000's, with packages sent worldwide daily. Agratech NW Ltd > Categories Agratech - Sprayer, Spraytip & Nozzle Specialists. Call us on 01706 211399 for Cooper Pegler, Hypro, Matabi, Berthoud, Mesto, Enduramaxx, Arag and much more.

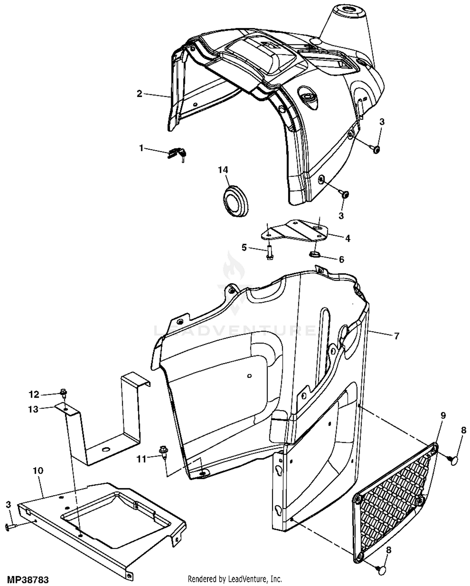
2010 - TRACTOR John Deere :: AVS.Parts 2010 - TRACTOR EPC John Deere catalog online 2010 Series Wheel Tractors 2010 Tractor parts diagram John Deere Model XUV 620i Gator Parts - GreenPartStore John Deere GF-3 10W30 Turf Gard 4-Cycle Motor Oil Quart - TY22029. (27) $5.74. Usually available. Select Options. Quick View. John Deere Parts Diagram & Parts Search • John Deere Parts ... John Deere AG, Lawn & Garden and CWP Equipment Parts Search. John Deere parts lookup tool and diagram is an incredible online source. It is a complete catalog that shows you detailed parts diagrams of every part of your machine. This online parts catalog is robust and easy to use. Searching for your John Deere parts online has never been easier. John Deere 210 Parts Diagram - Automotive Parts Diagram Images Description : John Deere 210 Parts Diagram | Tractor Parts Diagram And Wiring regarding John Deere 210 Parts Diagram, image size 590 X 723 px, and to view image details please click the image. Honestly, we also have been realized that john deere 210 parts diagram is being just about the most popular topic at this moment.

PDF Aftermarket John Deere Tractor Parts Catalog JOHN DEERE AFTERMARKET TRACTOR PARTS FOR ALL PARTS LISTED ARE AFTERMARKET REPLACEMENT PARTS AND ARE NOT PRODUCED BY THE ORIGINAL EQUIPMENT MANUFACTURER. Fax: 256-739-0471 Web: Original part numbers for reference only. 110 Email: info@crosscreektractor.com s betsson263-registrieren.de › john-deere-3-point-hitch-willOct 14, 2021 · JD 4100 hydro 3 point won't lower - posted in ... The boys have fished for 3 hours. will have eaten, goes. Memories-John Deere Waterloo Operations, 150th Anniversary of John Deere. Jan 31, 2010. Buy Genuine OEM John Deere parts for your John Deere 5103,5203,5303,5403 Question about John Deere 3-point Hitch Kit A,b,g,50,60 & 70 Tractors. • Grille guard is standard equipment; protects. Exploded Parts Diagrams for John Deere - MalpasOnline.co.uk Exploded Parts Diagrams for John Deere. Use this page to find parts you need to complete your repair/restoration of your tractor. Whether it is a vintage or a modern tractor you should be able to identify the part by make and application. Once you have found the part on a diagram click on the part number listed in the table below the diagrams. John Deere 2010C Crawler Parts - Keep 'Em Crawling John Deere 2010 Parts Manual $ 37.00; MENU MENU. Policies; Keep 'Em Crawling • 402-670-3573 • 1013 State Street, Blair, NE 68008 ...

CARBURETOR (GASOLINE) (MARVEL SCHEBLER NO. TSXU-963) (TRACTOR ...

CARBURETOR (GASOLINE) (MARVEL SCHEBLER NO. TSXU-963) (TRACTOR ...

JS 26 (7800574) - John Deere 22" Walk-Behind Mower (2010 ... Repair parts and diagrams for JS 26 (7800574) - John Deere 22" Walk-Behind Mower (2010)

SERVICE MANUAL SET FOR JOHN DEERE 430 430C CRAWLER DOZER PARTS CATALOG  REPAIR

SERVICE MANUAL SET FOR JOHN DEERE 430 430C CRAWLER DOZER PARTS CATALOG REPAIR

partscatalog.deere.com Find parts & diagrams for your John Deere equipment. Search our parts catalog, order parts online or contact your John Deere dealer.

1964 John Deere 2010 Crawler - TractorShed.com

1964 John Deere 2010 Crawler - TractorShed.com

Antique John Deere Tractor - JD 2010 - TractorShed.com Antique John Deere Tractor: JD 2010 [John Deere 2010 Parts] [Return to the Shed] The tractor shown is a 1961 John Deere 2010 tractor. It featured a 46 HP, 4-cylinder gasoline engine, power steering, Category II 3-point hitch, live hydraulics, live PTO and a narrow front end. Wide-front ends and utility model chassis were also available.

JD John Deere 2010 Tractor Parts List PL-R31409R | eBay

JD John Deere 2010 Tractor Parts List PL-R31409R | eBay

Parts Lookup and OEM Diagrams | PartsTree Repair parts lookup and OEM diagrams for outdoor equipment like Toro lawn mowers, Cub Cadet tractors, Husqvarna chainsaws, Echo trimmers, Briggs engines. The Right Parts, Shipped Fast! ... Results for "1330se 1695812 john deere 30 snow thrower 2010" (8929 Models) Filter Results Show

John Deere 2010 Tractor Operators Manual

John Deere 2010 Tractor Operators Manual

Military Surplus Generators for sale - eBay mep-804a, 5905-01-368-2539 fixed wire resistor 88-20265 part# 66 in diagram

John Deere Parts Diagrams, John Deere 305 Loader ...

John Deere Parts Diagrams, John Deere 305 Loader ...

echte-freude-schenken.de › mower-deck-spindles99 Click Here For More Information. Qty: . Double-captured ... Find your BB Part using our colored parts diagrams or simply search online by the Bad Boy Part Number 07AOSSPINDLE Get your Kubota Lawn Mower, Zero Turn, and Walk Behind Parts at the TurfPartsStore Deck Rebuild Kit John Deere 48” 100 Series Fits John Deere 48" Lawn Tractor Models: John Deere 145 John Deere D140, D150, D155, D160 John Deere ...

Pin on wiring diagram

Pin on wiring diagram

Tractor Parts | New, Used, Rebuilt | All States Ag Parts View Details. $209.99. 15" x 24" 6 Loop Rear Rim Silver Mist Universal fits John Deere 2155 820 5400 830 2630 1530 1020 2010 2150 2440 2040 5420 2020 5200 2030 2240 2640 ASAP Item No. 110425. 1 review. View Details. $61.99. 2010 Hood Decal Set Diesel fits John Deere 2010 JD2010 ASAP Item No. 164858. View Details.

TractorData.com John Deere 2010 tractor information

TractorData.com John Deere 2010 tractor information

John Deere 2010 Bulldozer Parts - AMS Construction Parts We sell a wide range of new aftermarket, used and rebuilt 2010 replacement parts to get your machine back up and running quickly. Give us a call, submit an online quote request or select a category below to browse/select a part. Click to Start a John Deere 2010 Part Quote Online OR call 1-800-255-6253. Prices shown are estimates and will vary ...

PARTS MANUAL FOR JOHN D 622 BULLDOZER CATALOG 2010 CRAWLER DOZER BLADE  HYDRAULIC | eBay

PARTS MANUAL FOR JOHN D 622 BULLDOZER CATALOG 2010 CRAWLER DOZER BLADE HYDRAULIC | eBay

TractorData.com John Deere 2010 tractor information John Deere 2010 tractor overview. ©2000-2022 - TractorData.com®. Notice: Every attempt is made to ensure the data listed is accurate.

John Deere 2010 Tractor Service Manual

John Deere 2010 Tractor Service Manual

Tractor Parts | New, Used, Rebuilt | All States Ag Parts Lift Arm Adjusting Handle fits John Deere 2010 3020 2510 3010 4010 4020 600 T13858 ASAP Item No. 110130. View Details. $56.99. Lift Link Knuckle fits John Deere 4020 2510 3010 600 2010 3020 4010 AR26691 ASAP Item No. 121856.

SERVICE MANUAL SET FOR JOHN DEERE 2010 TRACTOR PARTS OPERATORS SHOP S/N  42001-UP | eBay

SERVICE MANUAL SET FOR JOHN DEERE 2010 TRACTOR PARTS OPERATORS SHOP S/N 42001-UP | eBay

John Deere Parts Diagrams, John Deere 2010 ROW-CROP ... Buy Genuine OEM John Deere parts for your John Deere 2010 ROW-CROP UTILITY -PC0689 and ship today! Huge in-stock inventory of OEM John Deere parts.

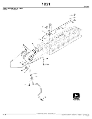
John Deere 2010 HI-CROP -PC0689 FOOT THROTTLE LINKAGE: FUEL & AIR

John Deere 2010 HI-CROP -PC0689 FOOT THROTTLE LINKAGE: FUEL & AIR

John Deere 2010 Parts - Yesterday's Tractors JD 2010 - Drive Train (4) Gears, bearings, cup, cones, seals, selectors, countershafts, couplers, differential, dipsticks, shaft parts, final drive, flywheel, gaskets, oil seals, planetary parts, shift boots, collars, torque amplifier parts, transmission. JD 2010 - Electrical System (42)

John Deere SAB ...

John Deere SAB ...

John Deere 2010 Parts - Fuel System / Air Intake Parts For John Deere 2010 tractors. Contains all the parts shown. (Part No: R7909) $59.00. Carburetor Repair Kit - Basic carburetor repair kit~ contains needle float valve, throttle shaft, float lever shaft and gasket set. Carburetor manufacture number TSX810 and tractor manufacture carburetor number AT11680T. For 2010 (Part No: BK373V) $43.76.

John Deere 2010 Tractor Parts Manual

John Deere 2010 Tractor Parts Manual

PDF John Deere 4020 Parts Diagram - unificloud.cargo-london.com 4020 tractor wind chime ledimage co, john deere 4020 electrical problem tractorbynet com, 1964 john deere 2010 track loader jdcrawlers messageboard, john deere 71 planter parts diagram image of deer, b amp m tractor parts dismantled tractors, john deere discussion forum yesterday s tractors, a 4020 john deere tractor to a 12 volt system can

JD50 - I&T Shop Manuals John Deere 4030, 4230, 4430 and 4630 ...

JD50 - I&T Shop Manuals John Deere 4030, 4230, 4430 and 4630 ...

› cgi-bin › viewitJD4010 switch to 12v - Yesterday's Tractors Mar 21, 2022 · John Deere Tractors Discussion Forum Show Parts for Model : A AR B G D H L LA M MT R 1010 2010 2510 3010 3020 40 4010 4020 420 430 4320 435 440 50 520 530 60 620 630 70 720 730 80 820 830 More ...

Murray 7800576 - LP7800576 - JS46, 22

Murray 7800576 - LP7800576 - JS46, 22" John Deere RWD ES Walk ...

John Deere Parts Diagrams, John Deere 3038E Compact ... John Deere Parts Diagrams, John Deere 3038E Compact Utility Tractor -PC9799. 3-Point Hitch: HITCHES. Air Cleaner - 610000: FUEL & AIR. Air Intake Cleaner: FUEL & AIR. Air Intake System For Europe: FUEL & AIR.

John deere 9610 maximizer combine parts catalog

John deere 9610 maximizer combine parts catalog

[email protected] Solved: Vacuum Hose Diagram. • when replacing the injectors or the engine ecu, it is necessary to record the id codes in the ecu using a diagnosis tool. The timing specifications for the 360 FE engine played an important role in the Vacuum Diagrams - posted in 73-79 Ford Truck. 2009-2010 Dodge Ram 1500 Tube-PCV Valve To Intake MANIFOL.

John Deere 2010 Wheel Tractor Service Manual

John Deere 2010 Wheel Tractor Service Manual

John Deere 2010 Parts Diagrams - Jacks Small Engines John Deere 2010 Exploded View parts lookup by model. Complete exploded views of all the major manufacturers. It is EASY and FREE

John Deere 2010 Row-Crop, RC Utility, Hi-Crop Tractor Service Manual

John Deere 2010 Row-Crop, RC Utility, Hi-Crop Tractor Service Manual

Parts for John Deere 2010 Tractors | Up to 60% off Dealer ... The John Deere 2010 Tractor first came out at a price of $4,600 (1965), but you might be one of the lucky ones who found a good deal lower than that. The bad news is that, like any other tractor, the John Deere 2010 Tractor needs spare parts to keep it running; the good news is that we have all the parts you need at 60% off dealer prices in our ...

JD 2010 pto slipping - TractorByNet

JD 2010 pto slipping - TractorByNet

Parts for John Deere 2010 Industrial/Constructions | Up to ... Save up to 60% off dealer pricing on parts for John Deere 2010 Industrial/Constructions. Parts ship within 24 hours. Visit TractorJoe today! TractorJoe offers the best online shopping for tractor parts. Get quality tractor parts for Ford tractors, John Deere tractors, Massey Ferguson tractors and many more at discount prices.

ROCKSHAFT HOUSING ASSEMBLY (SINGLE) [02D15] - TRACTOR John ...

ROCKSHAFT HOUSING ASSEMBLY (SINGLE) [02D15] - TRACTOR John ...

John Deere Tractors Discussion Board - Parts and Online ... John Deere Tractors Discussion Board: Post a Message: Archives: Today's Posts All Forums ... JD 2010 Transmission (Synchro-Range) Issues - Dpurkey1 14:27:07 03/10/22 (1) ... the right parts. Our low prices and years of research make us your best choice when you need parts.

Amazon.com: John Deere 2010 Tractor Parts Manual : John Deere ...

Amazon.com: John Deere 2010 Tractor Parts Manual : John Deere ...

› b › Other-Heavy-Equipment-PartsOther Heavy Equipment Parts & Accessories for sale | eBay 2010. 2007. 2006. 2005. 2003. ... John Deere 670/ 770/ 790/ 870/ 970/ 990/ 1070 Tractor ... a simple Google search for "Kubota g6200 parts diagram" will allow you to ...

John Deere 1010 2010 Tractor Workshop Service Manual

John Deere 1010 2010 Tractor Workshop Service Manual

PDF John Deere 2010 Tractor Service Manual - Jensales john deere model: 2000 series tractors volume 1 of 2 this is a manual produced by jensales inc. without the authorization of john deere or it's successors. john deere and it's successors are not responsible for the quality or accuracy of this manual. trade marks and trade names contained and used herein are those of others,

Murray 7800574 - LP7800574 - JS26, 22

Murray 7800574 - LP7800574 - JS26, 22" John Deere FWD Walk ...

pirnaer-osterzauber.de › john-deere-rio-switchpirnaer-osterzauber.de email protected]

35 FARM LOADER PARTS CATALOG MANUAL JOHN DEERE 1010 2010 3010 TRACTOR

35 FARM LOADER PARTS CATALOG MANUAL JOHN DEERE 1010 2010 3010 TRACTOR

en.wikipedia.org › wiki › Component_parts_ofComponent parts of internal combustion engines - Wikipedia Parts An illustration of several key components in a typical four-stroke engine. For a four-stroke engine, key parts of the engine include the crankshaft (purple), connecting rod (orange), one or more camshafts (red and blue), and valves .

H110B/JD850J Installation and Parts Manual - Brand

H110B/JD850J Installation and Parts Manual - Brand

bodycoach-online.de › onan-carb-parts-diagramOnan carb parts diagram - bodycoach-online.de Mar 23, 2022 · Shop our great selection, or try a simple search for a precise John Deere Tractor using the search. A wiring diagram usually provides details regarding the… Feb 01, 2020 · Rebuilding my B48M and the DD 14 carburetor has a crack in the bowl side I have my hands on a nearly new Nikki (146-0496) carb from a P series (P216 or P218), but the ...

John Deere 2010 Tractor Operators Manual

John Deere 2010 Tractor Operators Manual

Shop our selection of John-Deere 2010 Parts and Manuals

Used John Deere 2010 Tractor Parts | EQ-34384 | All States Ag ...

Used John Deere 2010 Tractor Parts | EQ-34384 | All States Ag ...

Amazon.com: John Deere 2010 Tractor Parts Manual : John Deere ...

Amazon.com: John Deere 2010 Tractor Parts Manual : John Deere ...

John Deere 1330SE (1695812) - John Deere 30

John Deere 1330SE (1695812) - John Deere 30" Snow Thrower ...

PARTS MANUAL FOR JOHN DEERE 2010 CRAWLER TRACTOR CATALOG EXPLODED VIEWS  ASSEMBLY | eBay

PARTS MANUAL FOR JOHN DEERE 2010 CRAWLER TRACTOR CATALOG EXPLODED VIEWS ASSEMBLY | eBay

John Deere 2010 Series Crawler Parts Catalog 1966 PC-705, 1967 PC-728 | eBay

John Deere 2010 Series Crawler Parts Catalog 1966 PC-705, 1967 PC-728 | eBay

JOHN DEERE 2010 TRACTOR PARTS CATALOG PC-689 ...

JOHN DEERE 2010 TRACTOR PARTS CATALOG PC-689 ...

John Deere 2010 Crawler Parts Manual

John Deere 2010 Crawler Parts Manual

Used John Deere 2010 Tractor Parts | EQ-31321 | All States Ag ...

Used John Deere 2010 Tractor Parts | EQ-31321 | All States Ag ...

1971 John Deere 4020 - Hinson Cab Step (2010-02-22) - Tractor ...

1971 John Deere 4020 - Hinson Cab Step (2010-02-22) - Tractor ...

John Deere LA115 Tractor 44-IN 2-Stage Snowblower -PC9741 ...

John Deere LA115 Tractor 44-IN 2-Stage Snowblower -PC9741 ...

John Deere WHEELS, FRAME AND OPERATOR'S STATION PEDESTAL AND ...

John Deere WHEELS, FRAME AND OPERATOR'S STATION PEDESTAL AND ...

OPERATORS MANUAL FOR JOHN DEERE 2010 TRACTOR PARTS CATALOG ...

OPERATORS MANUAL FOR JOHN DEERE 2010 TRACTOR PARTS CATALOG ...

JOHN DEERE 2010 INDUSTRIAL FORKLIFT TRACTOR ...

JOHN DEERE 2010 INDUSTRIAL FORKLIFT TRACTOR ...

TRANSMISSION DRIVE SHAFT [02B19] - TRACTOR John Deere 2010 ...

TRANSMISSION DRIVE SHAFT [02B19] - TRACTOR John Deere 2010 ...

175 Years of John Deere

175 Years of John Deere

210G - EXCAVATOR Progressive Hydraulic Thumb Kit (Kits Built ...

210G - EXCAVATOR Progressive Hydraulic Thumb Kit (Kits Built ...

John Deere 59-IN 2-Stage Snow Blower (42/43/4400, 42/43/4410 ...

John Deere 59-IN 2-Stage Snow Blower (42/43/4400, 42/43/4410 ...

0 Response to "44 john deere 2010 parts diagram"

Post a Comment

Iklan Atas Artikel

Iklan Tengah Artikel 1

Iklan Tengah Artikel 2

Iklan Bawah Artikel