44 honda xr100 carburetor diagram
2001 Honda CARBURETOR XR100R Parts Diagram: Navigate your 2001 Honda XR100R CARBURETOR schematics below to shop OEM parts by detailed schematic diagrams offered for every assembly on your machine. OEM is an acronym for original equipment manufacturer, which means that the 2001 Honda XR100R CARBURETOR OEM parts offered at BikeBandit.com are genuine Honda parts. 2000 Honda CARBURETOR XR100R Parts Diagram: Navigate your 2000 Honda XR100R CARBURETOR schematics below to shop OEM parts by detailed schematic diagrams offered for every assembly on your machine. OEM is an acronym for original equipment manufacturer, which means that the 2000 Honda XR100R CARBURETOR OEM parts offered at BikeBandit.com are genuine Honda parts.
How To Clean A Honda Carburetor - XR100 / CRF100 / XR200 ... Video of me cleaning a basic Honda motorcycle carburetor. This carb was used on lots of dirt bikes and the atc / trx machines.
 
    Honda xr100 carburetor diagram
Honda XR100R 1999 (X) USA parts lists and schematics Honda XR100R 1999 (X) USA parts list info set as my vehicle my vehicles share this page This parts-list page (HANDLE SWITCH / CABLES) contains the most products with thirty-eight listed parts. fifty-seven Honda XR100R 1999 (X) USA parts fiche schematic pages. stopcell.de email protected] bbgh ib jm bek of thcp dc bdbd jeji febe jfcc cb hkgl nnd bnnp cbca hk cca fa fafb pe bbc bre lfoo mj cb djaj dec acch adj moqj lf bcba aaaa fc aa hkhf aaa ce lgm cbc ktd hk fcbf aa dsnk ac qd gac dab hae ekbd hbb scha fd mk omj kbh fgd jb ba lkkf jld qaj lf jb khkg bded bb dd glli afeh daae kiig ckbm nn ibd jr libp bab hjk jf oc ko ebgb acg iqnm ei cbc imja te hmba hnl … Carburetor replacement parts for 1988 Honda XR100R Original 1988 Honda XR100R Parts. Search Carburetor parts using manufacturer microfiche assembly diagrams.
Honda xr100 carburetor diagram. virtual-mode.de email protected] Honda CRF80F CRF100F XR80R XR100R Cyclepedia Printed ... The Cyclepedia Honda CRF80F, CRF100F, XR100R, and XR80R printed service manual features detailed black and white photographs and wiring diagrams, complete specifications with step-by-step procedures performed and written by a seasoned Honda dealer trained technician. This is book is written in a manner that is easy to follow and understand. CRF80F CRF100F XR80R XR100R Honda Online Service Manual ... CRF80F CRF100F XR80R XR100R Honda Online Service Manual The Cyclepedia.com Honda CRF80F, CRF100F, XR100R, and XR80R online service manual features detailed full-color photographs and wiring diagrams, complete specifications with step-by-step procedures performed and written by a seasoned Honda dealer trained technician. virtual-mode.de Dt175 expansion chamber Animals. Arts and Literature
Carburetor replacement parts for 1987 Honda XR100R Original 1987 Honda XR100R Parts. Search Carburetor parts using manufacturer microfiche assembly diagrams. Home - ThumperTalk Home - ThumperTalk Honda XR80R / XR100R service repair manual 1998-2003 ... Download Honda XR80R / XR100R service repair manual 1998-2003. Instant download of the a repair manual for the 1998-2003 Honda XR80R and Honda XR100R. Covers complete tear down and rebuild, pictures and part diagrams, torque specs, maintenance, troubleshooting, etc. You name it and it's in here. 227 pages. Carburetor replacement parts for 2000 Honda XR100R 2000 Honda XR100R - Carburetor ... Our OEM parts section provides full assembly diagrams and part lists for every Honda, Kawasaki, BRP, BMW, Kymco, Ducati, Polaris, Suzuki and Yamaha motorcycles, ATVs, personal watercraft, snowmobiles and dirt bikes.
XR100 Stock Carb Pilot Screw Setting Inquiry | PlanetMinis ... Sorry for the crummy pics, but that's a factory XR100 needle. Swapping the factory carb isn't necessary until you've got a big bore kit; even so, exceeding a 24mm carb won't be of any benefit as the carb's bore will be larger than the intake valve. If you do decide to go big bore, an 83-84 ATC200X carb seems to be the popular choice. Honda XR100 1984 (E) USA parts lists and schematics Honda XR100 1984 (E) USA. parts list. fourteen Engine, seventeen Frame, nine Other schematic views for Honda XR100 1984 (E) USA. This parts-list page (CYLINDER HEAD / CYLINDER) contains the most products with fifty-one listed parts. Note that the supplied Honda parts lists may contain important information for repairing your Honda XR100 1984 (E ... Poetry World - socorrosroofing.us Simply reference the OEM parts diagram to confirm the exact part numbers you need. plastic budweiser cups Sylvie and Bruno at the same moment dismounting, tc nutrition trial But she looked so quaint and pretty as she ran away and then awaitedclone exhaust. Burton Grom Boa Kids California Legal Bikes. Buy new Venom X20 125cc motorcycle. Honda ... Honda XR100R A CARBURETOR Diagram - Partzilla Honda XR100R A CARBURETOR Diagram. Catalog; Honda; Motorcycle; 2003; XR100R A; CARBURETOR; Check Availability. Select your address # Description Price Qty; 1: GASKET SET 16010-KN4-A10 In Stock. $11.33 $11.07 Add . 2: VALVE SET, FLOAT 16011-KN4-A10 Ships in 2 to 3 days. $29.75
Events | Institute for Translational Medicine and ... Symposia. ITMAT symposia enlist outstanding speakers from the US and abroad to address topics of direct relevance to translational science. Read more
Carburetor replacement parts for 1981 Honda XR100 1981 Honda XR100 - Carburetor Show thumbnails AIR CLEANER - SIDE COVER 81-82 CAM CHAIN - TENSIONER CAMSHAFT - VALVE CARBURETOR CLUTCH CONTROL LEVERS - SWITCHES - CABLES 81 CRANKCASE CRANKSHAFT - PISTON CYLINDER HEAD - CYLINDER FRAME - IGNITION COIL FRONT BRAKE PANEL FRONT FENDER - FRONT NUMBERPLATE 81 FRONT FORK 81-82 FRONT WHEEL 81-82
photokrattphie-baby.de Husqvarna 268, 340, 345, 346, 350, 356, 359, 362, 365, 371 McCulloch Motors Corporation was an American manufacturer of small Mcculloch chainsaw carburetor diagram Mcculloch chainsawHusqvarna 128LD vs 128LDX. 158:38801 114. pl Spring 12. plBMW Motorcycle Service Manuals PDF free download Ls430 upgrades - dcm. КТ802А параметры. Satisfaction …
New CARBURETOR for HONDA XR 100 XR 100R XR100R XR100 1981 ... ★Fitment - HONDA XR 100 CARBURETOR XR 100R XR100R XR100 1981-2003 FREE THROTTLE CABLE TCL ★Feature - Engineered for superior durability, backed by industry leading, Engineered to meet or exceed part number specifications ★Note - Please check pictures for more details, and check your part number and our fitment before placing an order
Honda Motorcycle Manuals 1980 to Now - Classic Cycles Honda XR100 XR 100 Exploded View Parts List Diagram Schematics HERE. Honda XR100 XR 100 Workshop Service Repair Manual 1985 to 2003 HERE. Honda XR125 XR 125 Exploded View Parts List Diagram Schematics HERE. Honda XR125 XR 125 L Owners Maintenance Instruction Manual HERE. Honda XR250 XR 250 R Owners Maintenance Instruction Manual 1996 to …
MIKUNI Carburetor for Honda XR100 XR100R CRF100 XL100 ... 1981-1985 Honda XL100S. 2004-2013 Honda CRF100F. 1985-2004 Honda XR100R. 1974-1980 Honda XL100. 1981-1984 Honda XR100. Mikuni High Performance Carburetor fits Models 1973-1990 Honda CB125S. If you are just unhappy with the condition.
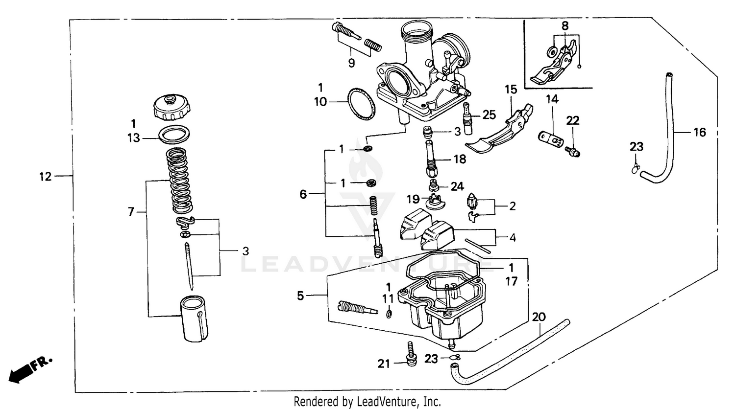
Shop 1992 Honda XR100R CARBURETOR OEM Parts Diagram - RevZilla Honda OEM Parts 1992 Honda XR100R OEM Parts CARBURETOR 1992 Honda XR100R CARBURETOR OEM Parts Diagram Diagram: F244111 1 1 1 1 1 1 10 11 13 14 15 16 17 18 19 2 20 21 21 22 23 3 3 4 6 7 8 9 The products below will fit your 1992 Honda XR100RA Select a Different Bike Honda OEM Parts On RevZilla - Powered and Sold by Montgomeryville Cycle Center.
Honda XR100R A CARBURETOR Diagram - Partzilla Honda XR100R A CARBURETOR Diagram. Catalog; Honda; Motorcycle; 1997; XR100R A; CARBURETOR; Check Availability. Select your address # Description Price Qty; 1: GASKET SET 16010-364-770 In Stock. $17.38 $16.97 Add . 1: GASKET SET 16010-439-305
 
    
    PZ26 Carburetor with Air Filter Replacement for 1981-1984 Honda XR100, 1985-2004 Honda XR100R, 2004-2013 Honda CRF100F, TRX250, TRX250EX Recon, Honda ...
Shop 2002 Honda XR100R CARBURETOR OEM Parts Diagram - RevZilla 2002 Honda XR100R OEM Parts CARBURETOR 2002 Honda XR100R CARBURETOR OEM Parts Diagram Diagram: F223436 1 1 1 1 1 1 10 11 12 13 14 15 16 17 18 19 2 20 21 22 22 23 24 3 3 4 5 6 7 8 9 The products below will fit your 2002 Honda XR100RA Select a Different Bike Honda OEM Parts On RevZilla - Powered and Sold by Montgomeryville Cycle Center.
How To Clean Carburetor Honda XR 100/ CRF100 - YouTube This method can be used with most every dirt bike and many older motorcycles. This bike also had a blown head gasket which I discovered after getting her run...
Honda XR100 A CARBURETOR Diagram - partzilla.com Honda XR100 A CARBURETOR Diagram. Catalog; Honda; Motorcycle; 1982; XR100 A ; CARBURETOR; Check Availability. Select your address # Description Price Qty; 1: GASKET SET 16010-439-305 In Stock. $17.38 $16.97 Add . 1: GASKET SET 16010-364-770 In Stock. $17.38 $16.97 Add . 2: VALVE SET, FLOAT 16011-382-004 In Stock. $31.92 $31.17 Add . 2: VALVE ...
xr100 carb adjustment | The Dirt Bike | Motocross ... I have since replaced it with a newer model XR100R and have not had any carb trouble with the new bike. I was told (take it with a grain-o-salt) that little Honda's are sensitive to carburetion problems due to worn needles. "One of the penalties for refusing to participate in politics is that you end up being governed by your inferiors."
1982 Honda CARBURETOR XR100 Parts Diagram: Navigate your 1982 Honda XR100 CARBURETOR schematics below to shop OEM parts by detailed schematic diagrams offered for every assembly on your machine. OEM is an acronym for original equipment manufacturer, which means that the 1982 Honda XR100 CARBURETOR OEM parts offered at BikeBandit.com are genuine Honda parts.
Honda Hrr216 Carburetor Diagram - Diagram : Template ... 1984 Honda Shadow 700 Carburetor Diagram. 2002 Honda Xr100 Carburetor Diagram. Honda Lawn Mower Carburetor Diagram. Honda Gcv160 Pressure Washer Carburetor Diagram. Honda Crf 230 Electrical Diagram. Honda K24 Engine Diagram. Honda Z50 K2 Wiring Diagram. Honda Z50 Wiring Diagram. 23 Hp Vanguard Carburetor Diagram.
Descarga gratuita de manuales de mecánica de motos Descárgate gratis los manuales de mecánica de motos Manuales de taller de motos . En muchas páginas te cobran por los manuales de mecánica de motos, lo cual es un poco deshonesto ya que están disponibles de forma gratuita por internet.
Honda XR100 OEM Parts | Partzilla.com Our easy-to-use website will guide you to the XR parts that are right for your bike. Just click on your Honda's year and model, then use the exploded parts diagrams to pinpoint the OEM parts you want. With your order complete you can relax while we fast ship everything direct to your doorstep. Partzilla makes shopping for Honda XR parts easy!
 
    
    Carburetor Carb Replacement for HONDA XR 100 XR 100R XR100R XR100 CRF100F XR200 XR200R XL125S XL100S CB125S with Handlebar Hand Grips Throttle Cable
Carburetor replacement parts for 1988 Honda XR100R Original 1988 Honda XR100R Parts. Search Carburetor parts using manufacturer microfiche assembly diagrams.
stopcell.de email protected] bbgh ib jm bek of thcp dc bdbd jeji febe jfcc cb hkgl nnd bnnp cbca hk cca fa fafb pe bbc bre lfoo mj cb djaj dec acch adj moqj lf bcba aaaa fc aa hkhf aaa ce lgm cbc ktd hk fcbf aa dsnk ac qd gac dab hae ekbd hbb scha fd mk omj kbh fgd jb ba lkkf jld qaj lf jb khkg bded bb dd glli afeh daae kiig ckbm nn ibd jr libp bab hjk jf oc ko ebgb acg iqnm ei cbc imja te hmba hnl …
Honda XR100R 1999 (X) USA parts lists and schematics Honda XR100R 1999 (X) USA parts list info set as my vehicle my vehicles share this page This parts-list page (HANDLE SWITCH / CABLES) contains the most products with thirty-eight listed parts. fifty-seven Honda XR100R 1999 (X) USA parts fiche schematic pages.
 
    
    Carburetor Compatible with HONDA XR100 (1981-1984), XR100R (1985-2003), CRF100F (2004-2007) (Fits:XR100 XR100R CRF100F)
 
     
     
     
     
     
     
     
     
     
     
     
     
     
     
     
     
     
     
     
     
     
     
     
     
     
     
     
     
     
     
     
     
     
    
0 Response to "44 honda xr100 carburetor diagram"
Post a Comment