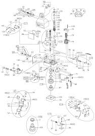
41 white 2 105 parts diagram
Anyone know of a place with a parts diagram for our trucks? Dealer screwed up one of the bolts on my skid plate...probably the nut in the frame piece... Attached is the Toyota install instructions for the TRD Pro skid plate... might help you locate the proper portions of the parts diagram. It's Saturday, the Colts are playing the Chiefs and I'm itching to see how we can make this team better in the 2019 season so let's get it started! ​ # Round 1 Pick 8 | Byron Murphy - CB - Washington This is and will continue to be one of my favorite mocks to the Lions, and after reading a Q&A segment from @NateAtkins\_ on twitter he made a really good point when looking at the Patriots diagram for success, \*paraphrasing\* "It's harder for a QB to deal with elite coverage tha...
Period: 364.05 days ||Submissions|Comments| :-:|--:|--: __Total__|1000|3465 __Rate (per day)__|2.75|9.48 __Unique Redditors__|235|1337 __Combined Score__|44480|12132 --- ###Top Submitters' Top Submissions 1. 4310 points, 85 submissions: /u/Superbuddhapunk 1. [Margaret Hamilton, NASA's lead software engineer for the Apollo Program, stands next to the code she wrote by hand that took Humanity to the moon in 1969.](https://i.redd.it/jucpijqylzc21.jpg) (252 points, [15 comments](/comments/jdg71i...

White 2 105 parts diagram
Factory parts list and diagrams. Nikon AF-Micro Nikkor 105mm f2.8G VR Lens Service Manual. Montreal front suspension parts diagram. Here is a diagram showing the location of some of the parts in this category. Uprated bush kit for the rear suspension on all 105 Series cars from 1967 onwards. Kit includes uprated trailing arm bushes, Superflex t-bar conical bushes and... All States Ag Parts has salvaged a White 2-105 Tractor for used parts. This unit was dismantled at Wisconsin Tractor Parts In Black Creek, WI. Call 877-530-2010 to speak to a parts expert about availability and p...
White 2 105 parts diagram. Nokia 105 White Display Problem Jumper Solution Zebra 105sl Parts Prg-105 Class Diagrams In Lucidchart Hello, I have acquired a second hand Rotel RB-990BX stereo amplifier. The amplifier had been serviced by the seller (private audio repair man), after which he stated the amplifier was in top condition. After testing it, the amplifier was indeed in normal working condition. When checking the electronics, I noticed the amplifier has at one time probably endured intense heat. There is discoloration on the affected PCB (left channel), and several traces have come loose off the board, mainly near t... Apr 12, 2019 · John deere stx38 black mower deck belt diagrambolens garden tractor page belt diagram. John deere model 48c mower deck 48 inch deck parts fits john deere tractor models x710 x730 x734 x738 x739 x750 x754 x758. Service Mower I need to replace my mower deck belt on a deere x320 48 deck. John deere 48 inch mower deck belt diagram. John deere model ... sale parts diagram catalog online construction equipment excavator tractor.
As advised in the AskElectronics forum this question has (also) been posted in this forum. Hello, I have acquired a second hand Rotel RB-990BX stereo amplifier. The amplifier had been serviced by the seller (private audio repair man), after which he stated the amplifier was in top condition. After testing it, the amplifier was indeed in normal working condition. When checking the electronics, I noticed the amplifier has at one time probably endured intense heat. There is discoloration on the ... Heritage parts bring Original-Equipment quality for older equipment, with the peace-of-mind protection afforded by a full 12-month warranty. includes O.E.-approved parts for a wide range of older tractors and combines, including Oliver, White and MinneapolisMoline. Weve got every area covered Period: 847.31 days ||Submissions|Comments| :-:|--:|--: __Total__|989|92393 __Rate (per day)__|1.17|108.27 __Unique Redditors__|574|11053 __Combined Score__|942607|854566 --- ###Top Submitters' Top Submissions 1. 23677 points, 17 submissions: /u/Coach_Cory 1. [April Update Balance Changes!](https://i.redd.it/eljxnbw2ldr61.png) (1978 points, [648 comments](/comments/mko12i)) 1. [May Balance Changes](https://i.redd.it/e2w4h9y7s5y41.jpg) (1960 points, [318 comments](/comments/ghqapg)) 1. [U... Serving the firearms community since 1950, no one has a larger AR 15 parts list for replacements than we do! Find your parts with the AR 15 schematic guide or sort the AR 15 parts list by name – either way, you’ll find what you’re looking for quickly and easily.
White 2 105 Tractor Data Info information and specs on. Guide to Choosing A Tractor Shop Manual Blogger. Order White Parts Manual A WH P 2 105 for tractors for. Huge selection of White AGCO White 2 105 Parts and Manuals. White Tractor Repair Manual W201 Agkits. White 2-105 Field Boss Tractor Parts Manual - Original This manual has wear marks and rough edges on the covers and light fingerprint smudges inside. Back cover is loose from the manual, but nothing is missing. Still perfectly usable and readable. Some of the parts available for your White | AGCO White 2-105 include Air Conditioning, Clutch, Transmission, PTO, Electrical & Gauges, Engine and Overhaul Kits, Filters, Front Axle and Part Number: WOL003Product Details: Manifold Turbo ElbowApplications and Uses: White 2-105 w/ engin.. White 2-105 Parts ManualBuy the Parts Manual for your White and be the expert when searching for you.. Note: this tractor repair manual includes wiring diagrams for all models. Tractor owners who have White 2-70 problems and are squeamish about the idea of paying thousands at a mechanic's...
White 2-105 Parts ManualBuy the Parts Manual for your White and be the expert when searching for you.. $87.99 Add to Cart. Huge selection of White-AGCO-White 2-105 Parts and Manuals Below are listed all of the White tractor parts, manuals and informative features available on our site.
Subject: GIS Frequently Asked Question List Date: Thu, 7 Jan 1993 18:29:05 GMT ​ ​ Frequently Asked Questions and General Info List (Long!) Periodic Posting to GIS-l and comp.infosystems.gis Note: We have not yet added What is GIS? Also, I'm still working on typos. ​ GIS FAQ List (93-01-08) ​ ​ This is the list of frequently asked questions (FAQ) about Geographic Information Systems (GIS) along with answers to these questions. ...
Bush Hog 3226QT Front End Loader Parts 3226QT Front End Loader Bracket Kit P/N 24H30528 (For White 2-70); Bracket Kit P/N 24H30530 (For White 2-85, 2- 105) Parts List and Diagram
**Age of Aquarius**: each astrological age of about 2146 years is named according to one of the signs of the zodiac, but the “great days” go in reverse order, so the current Age of Pisces is about to end, and the Age of Aquarius will be ushered in. Each Age has its own cosmic energies; the energy in Pisces has made it an era of wars and conflicts. But Aquarius is set to be an era of harmony, justice, peace, unity etc. In this aspect, *New Age* accepts historical inevitability. Some reckon the ag...
› white 2 135 parts diagram. Details: Tractor Parts for White 2-105 at All States Ag Parts. We carry new, rebuilt and used White 2-105 Tractor Parts . Our inventory of White 2-105 Tractor Parts is always changing.
["The players and staff of this football club are not communists. They may be frustrating, inconsistent, inaccurate in front of goal, communists…but they are not porn stars".](https://i.imgur.com/JMGRPb0.png) #PORT ADELAIDE FOOTBALL CLUB **Est 1870** (entered AFL 1997, merged with PAMFC in 2010) r/weareportadelaide, www.portadelaidefc.com.au, www.since1870.com.au *** ##Premierships * **AFL:** 2004 (1) * **SANFL:** 1884, 1890, 1897, 1903, 1906, 1910, 1913, 1914, 1921, 1928, 1936, 1937, 1939, 19...
Schematics and Diagrams for Samsung smartphones and mobile phones; System Board Samsung Galaxy S7; Motherboard Samsung Galaxy S7 In principle, it is possible (unofficial) simultaneous installation of two SIM-cards and MicroSD in Duos model, but this is entirely at your own risk.
164210AS - Complete Tie Rod Assembly for White/AGCO-White 2-105 Tractors | Up to 60% off Dealer Prices | TractorJoe.com
Pre-op summary: Myopia 6.25, 6.50, Astigmatism around 1. Lasik in Greece. From laying on bed till up again, it's 10 minutes. You see the whole procedure. POST Lasik... Here you'll read my detailed logged experiences. # Day 1-18 - Dryness - Double vision - Blurry - Rough nights 1 day, Sat, right after: you don't really want to keep eyes open. Doctors requests that you stay 15 minutes with eyes closed. After 0-2 hours, not much of pain. Annoyance, something in the eye. You don't want to open ...
Huge selection of new, used, and rebuilt tractor parts for John Deere, Massey Ferguson, Case IH, Ford, Kubota, Allis Chalmers and many more makes.
To search for surveys. Start by selecting the state. You do not have to fill in all fields, but provide at least one additional field.; Click the Search Surveys button.; You will be switched to the "Search Results" page.You can get a brief description of what each field means by hovering your mouse over it.
Diagram 1 compares the permissible circum-ferential speeds for various seal designs assum-ing normal seal operation, grease or oil retention and no pressure differential across Refer to diagram 3 to view the permissible operating temperature ranges of sealing lip materials normally used by SKF.
**Note:** Indian Summer, The Hated, Julia, Navio Forge, Combatwoundedveteran, Mohinder, Bucket Full of Teeth, In/Humanity, Saetia, I Wrote Haikus About Cannibalism in Your Yearbook, Circle Takes the Square, Sleepytime Trio, Maximillian Colby, Flakes, Midwest Pen Pals, Plunger, Spirit Assembly, and Policy of 3 were not found on **Spotify (United States)**. **Disclaimer:** Many of the above bands not currently able to be included on the playlist are screamo. As a result, the playlist is unfor...
Parts Diagram - Decoration Panel UTG-UFYD-W. 78. Parts Diagram - Indoor Unit, Compact Cassette. 105. CN201 CN11-5 WHITE... Page 48 INDOOR UNIT FLOOR CONTROLLER PCB ASSEMBLY ( MAIN PCB ) R60 - R62 AGYG09LVCA : K09DD-0900HSE-C1 10k <1/10W...
This Manual has parts diagrams, parts lists, disassembly procedures, and re-assembly procedures. Very helpful. Each slot has two JIS headed roller shafts with a completely round (not flat sided) white plastic roller around the screw. [Note: on my Kiron 28-105 in.
105. Эмоции.
Unless my count is off, the 13 episodes of Iron Fist will put the grand total of Marvel Cinematic Universe video content at 199 individual installments. I included all movies, TV episodes, one-shots, and digital videos. I did not include comic books set in the MCU. For anyone interested in the full count: * 1 - Iron Man * 2 - The Incredible Hulk * 3 - Iron Man 2 * 4 - Thor * 5 - Captain America: The First Avenger * 6 - The Consultant * 7 - A Funny Thing Happened on the Way to Thor's Hammer * 8...
Download. Freightliner DDEC II and III Wiring Diagrams.pdf. 993.1kb. In December 1940 a part of the cars received the brand "Freight Liner", and from the middle of 1941 it was replaced Signed with the company White in 1951 agreement on mutual sales and maintenance of trucks developed into a...
**Note:** Cap’n Jazz, Indian Summer, The Hated, Julia, Navio Forge, Combatwoundedveteran, Mohinder, Bucket Full of Teeth, In/Humanity, Saetia, I Wrote Haikus About Cannibalism in Your Yearbook, Circle Takes the Square, Sleepytime Trio, Maximillian Colby, Flakes, Midwest Pen Pals, Plunger, Karate, Spirit Assembly, and Policy of 3 were not found on **Spotify (United States)**. **Disclaimer:** Many of the above bands not currently able to be included on the playlist are screamo. As a result, t...
Today I have the Lumintop ODL20-C. This is a Thrower style light using a 26650 battery and it has USB-C on it for recharging. This light is using a Cree XHP35 HI LED Emitter, is capable of upto 2000 Lumens meaning it can throw a beam 860 meters. Thanks to [FastTech.com](https://www.fasttech.com/p/9659882) for sending this to me to review. &#x200B; **Full Image Gallery:** [https://imgur.com/a/V8DqyxV](https://imgur.com/a/V8DqyxV) \***YouTube Version of this Review:** [https://youtu.be/...
Allis / White Condenser- 12 x 19 x 1 7/8. White Tractor Evaporator - 29 3/4 x 5 x 3 1/4.
A flower, sometimes known as a bloom or blossom, is the reproductive structure found in flowering plants (plants of the division Magnoliophyta, also called angiosperms).The biological function of a flower is to facilitate reproduction, usually by providing a mechanism for the union of sperm with eggs. Flowers may facilitate outcrossing (fusion of sperm and eggs from different individuals in a ...
Sup all, Don’t know if anyone gives a flying fuck but i wanted to make a post about all the stuff i did/seen at ECC. I know my posts are usually boring in the sense it’s just pure information either in a review or PSA so i wanted to have a little fun with this one and crack jokes and all so disclaimer there will be foul language and typos but no mods were harmed in the writing of this post So i shot up to ECC this past weekend. Fuel for the day 2 rockstars, 2 beef jerky sticks, 2 bottles of wat...
Nov 10, 2021 · Mercury 60 hp 2 stroke parts. Mercury 60 hp 2 stroke parts Mercury 60 hp 2 stroke parts ...
White 2-105 Pressure Detent Valve Part# 30-3056184 Here we have a Valve This item is in used condition that was removed from a tractor at our facility. 8am- 5pm Feel free to give us a call at: 570-729-7117 regarding this part or any other of your Used or New Tractor needs Thank you for.
We know there are spiritual attributes: Fortune, Identity, Connection. You can also argue that Investiture is one - it lives beside the others in feruchemistry, and is associated with Nicrosil, a spiritual metal. There has been a lot said about the spiritual attributes so far in the cosmere, which isn't surprising as its a major part of how abilities work in the Cosmere. &#x200B; What there is less about, however, is the Cognitive side. So I would like to try to guess what we can here of w...
Learn how to create an Entity Relationship Diagram in this tutorial. We provide a basic overview of ERDs and then gives step-by-step training on how to make...
Tooth decay, also known as dental caries or cavities, is the breakdown of teeth due to acids made by bacteria. The cavities may be a number of different colors from yellow to black. Symptoms may include pain and difficulty with eating. Complications may include inflammation of the tissue around the tooth, tooth loss and infection or abscess formation.. The cause of cavities is acid from ...
Below you will find the complete parts list and diagrams to easily locate your part and get it on order. Now, if your part does not have a link then find any link and click on it for vendor phone number to find out if the part can be ordered from the manufacture.
Contact Information: print. White 2-105 parts tractor (Goodhue, MN). < image 1 of 3 >. QR Code Link to This Post. 1977 White 2-105. Contact me with your needs- 2-105 parts traditionally sell fast! I have already SOLD the cab, engine, fuel tanks, and battery box.
We would like to show you a description here but the site won’t allow us.
White 2-105 Tractor Parts | Hy-Capacity Since 1948 I&T Shop Manuals have been the trusted source for professionals and experienced mechanics. Originally published under the Intertec banner and designed to serve the professional tractor and farm equipment repair industry, each I&T service and...
From Wikipedia, the free encyclopedia Jump to navigationJump to search This article is about the cat species that is commonly kept as a pet. For the cat family, see Felidae. For other uses, see Cat (disambiguation) and Cats (disambiguation). For technical reasons, "Cat #1" redirects here. For the album, see Cat 1 (album). Domestic cat[1] Cat poster 1.jpg Various types of domestic cat Conservation status Domesticated Scientific classification e Kingdom: Animalia Phylum: Chordata Class: Mammalia O...
--- ####This is the second entry in our monthly preview of the best PC gaming components for Destiny 2. The first entry is available [here](https://www.reddit.com/r/DestinyTheGame/comments/6cogii/destiny_2_guardians_guide_to_pc_gaming/). ####Again, the original is on [Medium](https://medium.com/@AmdahlCube/destiny-2-guardians-guide-to-pc-gaming-june-2017-7e82e689702e). It may look better on mobile there, but the text has been copied and formatted for here. #### Welcome back, Guardians and asp...
Find Savage/Springfield/Stevens 520 parts and schematics today with Numrich Gun Parts. Providing parts since 1950. Notifications . Close. ... $105.03. Out of Stock. Add to My Saved Parts. Eligible for FREE shipping * Extra shipping cost of $1.00. ... White, New (.130" Diameter, 3 …
["The players and staff of this football club are not communists. They may be frustrating, inconsistent, inaccurate in front of goal, communists…but they are not porn stars".](https://i.imgur.com/JMGRPb0.png) (or, the r/weareportadelaide 2020 Season preview for the) #PORT ADELAIDE FOOTBALL CLUB **Est 1870** (entered AFL 1997, merged with PAMFC in 2010) r/weareportadelaide, www.portadelaidefc.com.au, www.since1870.com.au *** ##Premierships * **AFL:** 2004 (1) * **SANFL:** 1884, 1890, 1897, 190...
In addition to labeling the microscope parts, students are asked to describe the function of each piece of the optical microscope. This worksheet can also be printed by teachers to hand out as a parts of a microscope quiz for students. Parts of a Microscope. 1. Eyepiece/Ocular Lens – The lens into which the user looks to see the specimen. 2.
Apr 14, 2016 · The diagram is available in 3 versions. The first version is color coded by section. The second version is the natural color of the human brain, and the third version is black and white. To download a brain diagram, right-click on the diagram illustration and press “Save Link As…” A high-solution jpeg will be saved to your computer.
UPDATED 10 March 2015 to include songs from the [Map of Emo Voting Thread](http://www.reddit.com/r/Emo/comments/2xktu4/map_of_emo_voting_thread/) This playlist is designed to provide you with a knowledge of the history and development of emo music. [Spotify playlist](http://open.spotify.com/user/1223935459/playlist/2YJB5YnCLaUQuSgbBWNUM9) / [YouTube playlist](https://www.youtube.com/playlist?list=PLJmhsvU-XqaplhyBeGHLge62fo9FhQbbJ) 1. Oscar’s Eye - Gray Matter (1984) 2. For Want Of ...
Ridgid 105 Parts List White Tractor Service Manual 2 John Deere D105 Parts Diagram
[Part 1](https://www.reddit.com/r/HFY/comments/dm6wux/the_chevaliers_part_1_bradamante/)[Part 2](https://www.reddit.com/r/HFY/comments/dm72fl/the_chevaliers_part_2_bradamante_cont/) Lorraine entered the botanical gardens next, fully expecting another ambush, but the Grell were nowhere to be seen. Just to be sure, she sent four multispectral flashbang microgrenades into likely hiding areas to flush them out, but nothing happened. She doublechecked her passive sensors, but there was nothing to be...
Period: 364.24 days ||Submissions|Comments| :-:|--:|--: __Total__|1000|3498 __Rate (per day)__|2.75|9.53 __Unique Redditors__|239|1369 __Combined Score__|44704|12314 --- ###Top Submitters' Top Submissions 1. 4330 points, 90 submissions: /u/Superbuddhapunk 1. [Margaret Hamilton, NASA's lead software engineer for the Apollo Program, stands next to the code she wrote by hand that took Humanity to the moon in 1969.](https://i.redd.it/jucpijqylzc21.jpg) (250 points, [15 comments](/comments/jdg71i...
All States Ag Parts has salvaged a White 2-105 Tractor for used parts. This unit was dismantled at Wisconsin Tractor Parts In Black Creek, WI. Call 877-530-2010 to speak to a parts expert about availability and p...
0 Response to "41 white 2 105 parts diagram"
Post a Comment