Iklan 300x250

44 troy bilt horse parts diagram

TROY-BILT HORSE PARTS CATALOG Pdf Download | ManualsLib View and Download Troy-Bilt Horse parts catalog online. Hydrostatic Lawn Tractor — Model Series 790. Horse lawn mower pdf manual download. Troy-Bilt Horse Parts Catalog. Hydrostatic lawn tractor — model series 790. Hide thumbs. Troy Bilt Horse Manual Tractor Specifications Troy. Previous. New Holland Tc30 Manual.

Troy Bilt Horse Parts Diagram - Free Diagram For Student Repair parts home lawn equipment parts troy bilt parts troy bilt lawn tractor parts troy bilt 13wx79kt011 horse xp 2011 lawn tractor Troybilt troy bilt lawn and garden power equipment roto tillers mowers chipper shredders brush cutters tractors carts snowthrowers composters greenhouses...

Troy bilt horse parts diagram

Troy bilt horse parts diagram

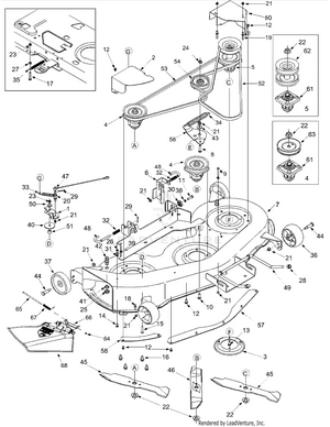
PDF MASTER PARTS CATALOG for the HORSE MODEL TROY-BILT Rot TROY-BILT Roto Tiller-Power. To order replacement parts for your tiller, look up the Part No. in this Catalog. Then call or write our Parts Department, giving your tiller's Serial No., the Part No, and the quantity desired. Troy-Bilt PTO Horse Tiller | 12071 | eReplacementParts.com Use our part lists, interactive diagrams, accessories and expert repair advice to make your repairs easy. Troy-Bilt 12071 PTO Horse Tiller Parts. Search within model. Troy-Bilt Horse | Parts Catalog Troy-Bilt Horse | Parts Catalog - Page 10 Transmission 56 17 22 42 36 58 8 17 23 5 26 24 45 29 22 42 2 13 56 21 6 9 IMPORTANT For a proper working machine, use Factory Approved Parts. V-belts are designed to engage and disengage safely. A substitute (non OEM) V-belt can be dangerous by not...

Troy bilt horse parts diagram. Old Troy Bilt Horse Parts -- good online source? - TractorByNet | Forum Parts and Diagrams for Troy-Bilt HORSE I 6HP ROTO TILLER (S/N 1001-639999)). If you just go to partstree.com and fiddle through their menu, they have about 100 Also, MTD (who now own's Troybilt still has parts for these old tillers). Troy-Bilt outdoor power equipment for lawn and garden. PDF Troy Bilt Econo Horse Tiller Manual PartsTree.com - Select Troy-Bilt Econo-Horse - Troy-Bilt Econo Horse Rear-Tine Tiller (SN: E0032774 - E0036751) Diagrams and order Troy bilt PTO horse 1 2 tiller parts list manual troy bilt econo horse tiller front engine guard bumper part 11071. Troy Bilt Horse Parts Diagram - Wiring Diagram Database 12090 troy bilt horse rear tine tiller 7 8 hp sn. Troy bilt its parents affiliates and subsidiaries is concerned about the safety of its customers and others. Simply find your model choose the part section you are interested in and then click and choose the parts you need. Troy Bilt Horse Tiller Parts Diagram - Wiring Site Resource Roto tillers mowers chipper shredders brush cutters tractors carts snowthrowers composters greenhouses log splitters sprayers pressure wash...

Troy-Bilt Illustrated Parts Lists | Lawnmower Pros Troy Bilt Illustrated Parts Diagrams available online from Lawn Mower Pros. We carry a large selection of Troy-Bilt Illustrated Parts Lists. Troy-Bilt Illustrated Parts Diagrams. Troybilt. Pressure washer. Troy-Bilt Tiller Serial Number List | Page 3 | My Tractor Forum Troy Bilt HORSE II 8HP ROTO TILLER (S/N 1001-639999) Parts Diagrams I'm no expert on TroyBilt by no means, I'm just good at finding information about equipment. :tango_face_wink: The Serial # list shows that a 6, 7 & 8HP engine options were available, I find the engines listed on the... Troy Bilt Horse Part 4 - YouTube I get some parts for the Troy Bilt tiller and start the reassembly. Troy Bilt Parts Diagram Troy-Bilt Tillers Pony parts with OEM Troy-Bilt parts diagrams to find Troy-Bilt Tillers Pony repair parts quickly and easily. Troy Bilt 13AP60TP766 Horse (2006) Exploded View parts lookup by model. Complete exploded views of all the major manufacturers.

Troy-Bilt Parts Diagrams Use our parts diagram tool below to find the parts you need for your machine. Select the model and year, then browse the parts diagrams to find the Add to cart when you're ready to purchase and we'll ship it to you as soon as possible! Product Support & Service. Questions about your Troy-Bilt product? TroyBilt Parts Diagram Indexes TroyBilt - Troy-Bilt Lawn and Garden Power Equipment Roto Tillers, Mowers, Chipper Shredders, Brush Cutters, Tractors, Carts, Snowthrowers, Composters, Greenhouses, Log Splitters, Sprayers, Pressure Washers and Generators WW Grinder... Troy Bilt Horse Xp Wiring Diagram - Free Catalogs A to Z Troy-Bilt Parts Diagrams. 5 hours ago Lookup Parts by Diagram. Use our parts diagram tool below to find the parts you need for your machine. troybilt tiller wiring diagram - Wiring Diagram and. 4 hours ago Troy Bilt 13yx78ks011 Bronco 2017 Wiring Schematic. Troy-Bilt Horse Tiller assistance Troy-Bilt Horse Tiller assistance. dave_danger. 16 years ago. Several years ago, I inherited a Troy-Bilt Tiller from my Dad... a "Horse" model I believe. Engine is a B&S 135297 Type 0157 01.The B&S Parts list shows mechanical governor rod but not as part of the diagram.

Troy Bilt Pony Tiller Parts Diagram | Pony, Troy, Tiller

Troy Bilt Pony Tiller Parts Diagram | Pony, Troy, Tiller

Troy Bilt HORSE II 8HP ROTO TILLER (S/N 1001-639999) Parts... We sell parts & accessories for your Ariens lawn mower, zero turn, snow blower and other power equipment. See: Briggs & Stratton exploded parts diagrams. We sell parts & accessories for your Generac equipment.

Troy-Bilt Flex Mower Attachment Parts

Troy-Bilt Flex Mower Attachment Parts

[VERIFIED] Troy Bilt Horse Xp Wiring Diagram - Coub [VERIFIED] Troy Bilt Horse Xp Wiring Diagram.

PTO Switch for 2004 Troy Bilt Horse 14AT809H766 Lawn Garden ...

PTO Switch for 2004 Troy Bilt Horse 14AT809H766 Lawn Garden ...

PDF Troy Bilt Horse Serial Numbers.xlsx Trojan Horse production ceased with serial #2712 Garden Way Manufacturing Co. formed and began production of the Horse I, two speed, two belt, 6 HP Tecumseh engine. January 28, 1982, Dean Leith becomes Company President February 27, 1982, Lyman Wood left Troy-Bilt.

Troy Bilt 12090 - 8HP Electric PTO Horse Tiller Parts Diagrams

Troy Bilt 12090 - 8HP Electric PTO Horse Tiller Parts Diagrams

Troy-Bilt Horse Lawn Mower Parts Catalog for... | Bankofmanuals.com Download Troy-Bilt Lawn Mower Horse free PDF Parts Catalog, and get more Troy-Bilt Horse manuals on Bankofmanuals.com. Troy-Bilt Horse Parts Catalog.

Troy-Bilt 12055 - Troy-Bilt Horse Rear-Tine Tiller (SN ...

Troy-Bilt 12055 - Troy-Bilt Horse Rear-Tine Tiller (SN ...

Troy-Bilt Horse Lawn Mower Parts catalog | OnlineFreeGuides.com The Asus Troy-Bilt Horse document found is checked and safe for using. Download for free or view this Troy-Bilt Horse Parts Catalog online on OnlineFreeGuides.com. View online or download PDF Parts catalog for Troy-Bilt Lawn Mower Horse for Free.

TROY-BILT ROTO TILLER HORSE MODEL OWNERS & PARTS MANUAL ...

TROY-BILT ROTO TILLER HORSE MODEL OWNERS & PARTS MANUAL ...

Troy Bilt Horse Xp Deck Diagram - Wiring Diagram Source Find part by symptom. Discuss repair videos. Troy Bilt Horse Xp Sheology How to install mower drive belts on a t...

Troy-Bilt HORSE Roto-Tiller Master Parts Manual 1980 Garden-Way 4.5, 6, 7,  8 hp | eBay

Troy-Bilt HORSE Roto-Tiller Master Parts Manual 1980 Garden-Way 4.5, 6, 7, 8 hp | eBay

Troy-Bilt Lawn and Garden | PartsWarehouse | Find any part in 3 Clicks! Troy-Bilt Snow Throwers Troy-Bilt Trimmers Troy-Bilt Log Splitters Troy-Bilt Chipper-Shredder Vacs Troy-Bilt Edgers Troy-Bilt Blowers Troy-Bilt Tillers Brushcutters & Pruners Troy-Bilt Push Mowers Troy-Bilt Mulching Mowers Troy-Bilt Self My Orders. Products. Find Vacuum Parts by Brand.

TROY-BILT 1987 ECONO-HORSE - PARTS MANUAL - 24 Pages of info! | eBay

TROY-BILT 1987 ECONO-HORSE - PARTS MANUAL - 24 Pages of info! | eBay

SOLVED: Where to find parts number for 1987 Troy-bilt hors - Fixya MTD aquired Troy Bilt out of bankruptcy in 2001 and still carries parts for the tillers. Early production models include the Horse, Pony and Junior. You must find the location of the serial number tag to order parts that will fit your particular rototiller for seamless replacement of parts.

Troy-Bilt Lawn tractors Horse XP 46 13AX79KT309 (2015) Drag ...

Troy-Bilt Lawn tractors Horse XP 46 13AX79KT309 (2015) Drag ...

Troy-Bilt 13WX79KT011 - Troy-Bilt Horse XP Lawn... | PartsTree The Right Parts, Shipped Fast! Wiring Diagram. Attachments For This Model (7) Hide. 19A30003OEM - Troy-Bilt Twin Rear Bagger (2011).

Tiller Manuals

Tiller Manuals

Troy-Bilt Horse Manuals (Horse Lawn Mower...) | GuidesLIB.com Troy-Bilt Lawn Mower Horse manuals (4 documents found): View Troy-Bilt Horse documents online or download in PDF. Troy-Bilt Horse Parts catalog.

Troy-Bilt Horse I - Troy-Bilt Rear-Tine Tiller, 7hp (SN ...

Troy-Bilt Horse I - Troy-Bilt Rear-Tine Tiller, 7hp (SN ...

TROY BILT PTO HORSE MANUAL - Auto Electrical Wiring Diagram Troy-Bilt / Garden Way Tillers Owner's Manuals and Parts Lists 1990 Troy-Bilt Technical Manual 7HP & 8HP Models PTO Horse Tiller (44 Pages) (8 Pages) 1988 Troy-Bilt Horse Model Roto Tiller-Power Composter Master Parts Catalog (48 Pages) Read Online troy bilt pto horse manual Free...

Troy-Bilt Lawn tractors Horse XP 46 13AX79KT309 (2015) Engine ...

Troy-Bilt Lawn tractors Horse XP 46 13AX79KT309 (2015) Engine ...

Troy-Bilt Horse Manual, Troy-Bilt Lawn Mower Horse Parts Catalog... ℹ Download Troy-Bilt Horse Manual (Total Pages: 21) for free in PDF. Find more compatible user manuals for your Troy-Bilt Horse Lawn Mower device. Troy-Bilt Horse NOTE: Tractor features vary by model. NOT all parts listed and pictured above are standard equipment.

Troy-Bilt 12193 - Troy-Bilt Econo-Horse Rear-Tine Tiller ...

Troy-Bilt 12193 - Troy-Bilt Econo-Horse Rear-Tine Tiller ...

Troy-Bilt Horse | Parts Catalog Troy-Bilt Horse | Parts Catalog - Page 10 Transmission 56 17 22 42 36 58 8 17 23 5 26 24 45 29 22 42 2 13 56 21 6 9 IMPORTANT For a proper working machine, use Factory Approved Parts. V-belts are designed to engage and disengage safely. A substitute (non OEM) V-belt can be dangerous by not...

Troy-Bilt Parts Lookup -HORSE III 7HP ROTO TILLER (S/N 640000 ...

Troy-Bilt Parts Lookup -HORSE III 7HP ROTO TILLER (S/N 640000 ...

Troy-Bilt PTO Horse Tiller | 12071 | eReplacementParts.com Use our part lists, interactive diagrams, accessories and expert repair advice to make your repairs easy. Troy-Bilt 12071 PTO Horse Tiller Parts. Search within model.

Troybilt ECONO HORSE #E9434 AND UP rear-tine tiller parts ...

Troybilt ECONO HORSE #E9434 AND UP rear-tine tiller parts ...

PDF MASTER PARTS CATALOG for the HORSE MODEL TROY-BILT Rot TROY-BILT Roto Tiller-Power. To order replacement parts for your tiller, look up the Part No. in this Catalog. Then call or write our Parts Department, giving your tiller's Serial No., the Part No, and the quantity desired.

Troy Bilt 2308 Horse III Parts Diagrams

Troy Bilt 2308 Horse III Parts Diagrams

Troy Bilt HORSE I 7HP ROTO TILLER (S/N 1001-639999) Parts ...

Troy Bilt HORSE I 7HP ROTO TILLER (S/N 1001-639999) Parts ...

Troy-Bilt 12153 - Troy-Bilt Horse Rear-Tine Tiller Parts ...

Troy-Bilt 12153 - Troy-Bilt Horse Rear-Tine Tiller Parts ...

Pin on work

Pin on work

Troy-Bilt 12153 - Troy-Bilt Horse Rear-Tine Tiller Parts ...

Troy-Bilt 12153 - Troy-Bilt Horse Rear-Tine Tiller Parts ...

Troy-Bilt Horse XP 46

Troy-Bilt Horse XP 46" Mower Deck Parts Rebuild Kit Spindle Assemblies Blades Belt Idler Pulleys

TROY-BILT HORSE TILLER OPERATION MANUAL Pdf Download | ManualsLib

TROY-BILT HORSE TILLER OPERATION MANUAL Pdf Download | ManualsLib

Troy-Bilt 13WX79KT011 Horse (2013) Wiring Schematic | Shank& ...

Troy-Bilt 13WX79KT011 Horse (2013) Wiring Schematic | Shank& ...

Diagram And/or PartsList TUFFY 643C Troy Bilt Parts Manual ...

Diagram And/or PartsList TUFFY 643C Troy Bilt Parts Manual ...

Troy-Bilt Stuff

Troy-Bilt Stuff

Tiller Manuals

Tiller Manuals

Troy-Bilt Parts Lookup -HORSE III 7HP ROTO TILLER (S/N 640000 ...

Troy-Bilt Parts Lookup -HORSE III 7HP ROTO TILLER (S/N 640000 ...

Troy Bilt HORSE I 7HP ROTO TILLER (S/N 1001-639999) Parts ...

Troy Bilt HORSE I 7HP ROTO TILLER (S/N 1001-639999) Parts ...

Troy-Bilt 15010 - Troy-Bilt Econo-Horse Rear-Tine Tiller (SN ...

Troy-Bilt 15010 - Troy-Bilt Econo-Horse Rear-Tine Tiller (SN ...

Troy-Bilt Tiller Serial Number List | Page 3 | My Tractor Forum

Troy-Bilt Tiller Serial Number List | Page 3 | My Tractor Forum

Troy-Bilt Bronco Tiller | 21D-644D266 | eReplacementParts.com

Troy-Bilt Bronco Tiller | 21D-644D266 | eReplacementParts.com

Troy-Bilt PTO Horse Tiller | 12071 | eReplacementParts.com

Troy-Bilt PTO Horse Tiller | 12071 | eReplacementParts.com

TROY-BILT HORSE PARTS CATALOG Pdf Download | ManualsLib

TROY-BILT HORSE PARTS CATALOG Pdf Download | ManualsLib

Part 1 - 2018 Winter Project #1 Troy Bilt Tiller Restoration ...

Part 1 - 2018 Winter Project #1 Troy Bilt Tiller Restoration ...

Troy Bilt HORSE I 7HP ROTO TILLER (S/N 1001-639999) Parts ...

Troy Bilt HORSE I 7HP ROTO TILLER (S/N 1001-639999) Parts ...

Big Red Garden Tiller - 21AE682W766 | Troy-Bilt US

Big Red Garden Tiller - 21AE682W766 | Troy-Bilt US

Tiller Manuals

Tiller Manuals

TROY-BILT 1986 Pony Tiller - Parts Manual - 25 pages of must have info! |  eBay

TROY-BILT 1986 Pony Tiller - Parts Manual - 25 pages of must have info! | eBay

Troy Bilt HORSE I 8HP ROTO TILLER (S/N 1001-639999) Parts ...

Troy Bilt HORSE I 8HP ROTO TILLER (S/N 1001-639999) Parts ...

Troy-Bilt 12182 - Troy-Bilt Pony Rear-Tine Tiller (SN ...

Troy-Bilt 12182 - Troy-Bilt Pony Rear-Tine Tiller (SN ...

Kohler Magnum M8 Engine Parts (3 Manual s) Troy-Bilt Horse & Lawn Garden  Tractor | eBay

Kohler Magnum M8 Engine Parts (3 Manual s) Troy-Bilt Horse & Lawn Garden Tractor | eBay

Troy-Bilt HORSE II 8HP ROTO TILLER (S/N 1001-639999) ELECTRIC ...

Troy-Bilt HORSE II 8HP ROTO TILLER (S/N 1001-639999) ELECTRIC ...

Troy-Bilt 10056 - Troy-Bilt Horse III Rear-Tine Tiller (SN ...

Troy-Bilt 10056 - Troy-Bilt Horse III Rear-Tine Tiller (SN ...

Troy-Bilt Riding Lawn Mower - Model 13WX79BT011 | MTD Parts

Troy-Bilt Riding Lawn Mower - Model 13WX79BT011 | MTD Parts

0 Response to "44 troy bilt horse parts diagram"

Post a Comment

Iklan Atas Artikel

Iklan Tengah Artikel 1

Iklan Tengah Artikel 2

Iklan Bawah Artikel